Виробником токарних багатошпиндельних верстатів 1А240 є Київський завод верстатів автоматів (КЗСА) .
Токарний верстат автомат 1А240-6 призначений для виготовлення складних та точних деталей з каліброваного пруткового матеріалу, труб з різних марок сталей та кольорових металів в умовах масового, великосерійного та серійного виробництва.
На багатошпиндельних токарних автоматах 1А240 виконують центрування, чорнове, чистове та фасонне обточування, підрізування, зняття фасок, проточування канавок, свердління, зенкерування, розгортання, нарізування внутрішніх та зовнішніх різьблень, відрізку. Також можна виконувати операції без зняття стружки: накатування рифлень, різьблення, розкочування отворів.
Верстат 1А240 має шість основних шпинделів, напрямок обертання яких не змінюється при обробці, тому нарізування різьблення мітчиками і плашками виробляють при відставанні інструменту, а свинчування - шляхом обгону деталі, що обертається.
Горизонтальний шестишпиндельний автомат 1А240 характеризується послідовним принципом дії, коли операції обробки деталі рівномірно розподіляються по шести позиціях I…VI.
Заготовки з пруткового матеріалу встановлюються у шести основних шпинделях одночасно. Для підтримки заготовок застосований блок труб, що підтримують, з шістьма співвісними шпинделями отворами. Блок підтримуючих труб та шпиндельний блок обертаються синхронно.
Ріжучий інструмент, що робить тільки поперечну подачу, встановлюється в шести поперечних супортах, два з яких (верхні) розташовуються на траверсі верстата і рухаються від змінних кулачків; інші чотири кулачки (середні та нижні) розміщені на торці корпусу шпиндельного блоку і наводяться в рух від постійних кулачків. П'ять кулачків розташовуються на розподільчому валу, шостий кулачок - на індивідуальному валу, що обертається з тією ж швидкістю, що й розподільний вал. Цей кулачок надає руху верхній супорт з відрізним різцем.
Осьовий, різьбонарізний різальний інструмент, а також прохідні різці, встановлюються в поздовжньому багатопозиційному супорті, причому окремі позиції мають можливість встановлення інструменту, що обертається (інструментальних шпинделів).
У шести робочих позиціях одночасно обробляються 6 заготовок, що у шести робочих шпинделях поворотного шпиндельного барабана. Шпиндельний барабан періодично повертається на 60°, і кожен із шпинделів, із закріпленою в ній заготовкою, переходить у наступну позицію обробки. Відрізка готової деталі та подача заготовки проводиться у позиції VI.
Кожна позиція обслуговується окремим поперечним супортом. Поздовжній супорт одночасно обслуговує всі шість робочих позицій. На поздовжньому супорті в позиціях III, IV, V, VI можуть бути встановлені ковзні державки з незалежним від Подольного супорта та один від одного приводів поздовжньої подачі.
У позиціях II, III, IV, V, VI можуть бути встановлені інструментальні шпинделі (для мітчиків, свердлів, розгорток тощо) з незалежною від робочих шпинделів швидкістю обертання. Регулювання величини робочого ходу поздовжнього та поперечних супортів від нуля до максимуму – безступінчасте, без зміни кулаків.
Верстат 1А240 працює за автоматичним циклом: швидке підведення супортів, робоча подача, швидке відведення супортів, поворот шпиндельного барабана.
Пруткові заготовки, закріплені в робочих шпинделях поворотного шпиндельного блоку за допомогою затискних цанг, послідовно проходять шість позицій обробки. У шостій позиції відбувається відрізка готової деталі від пруткової заготовки та подача прутка на нову деталь.
Кожна робоча позиція верстата 1А240 обслуговується поздовжнім та поперечним супортами, а позиції III, IV, V, VI та додатковими пристроями з незалежною від поздовжнього супорту подачею, що значно розширює технологічні можливості верстата. У п'яти позиціях автомата можуть бути встановлені інструментальні шпинделі, що обертаються із незалежною від робочих шпинделів швидкістю, що дозволяє підібрати найкращі режими різання при свердлінні, зенкеруванні, розгортанні, нарізанні різьблення.
Надійний затискач прутка в загартованих цангах, висока жорсткість робочих шпинделів дають можливість обробляти деталі великої довжини та забезпечують довговічність роботи різального інструменту.
Механізм подачі забезпечує подачу заготівлі на необхідну довжину та безперервність роботи в автоматичному циклі.
Безступінчасте регулювання величини робочого ходу поздовжнього та поперечних супортів від нуля до максимуму без зміни кулачків виключає необхідність виготовлення великої кількості змінних кулачків.
Верхнє розташування розподільного валу забезпечує вільний доступ до основних робочих елементів, оберігає їх від засмічення стружкою та значно розширює робочий простір автомата.
Наявність приводу налагодження значно спрощує і прискорює налагодження і регулювання автомата. Керування електродвигуном налагоджувального приводу проводиться кнопками, розташованими по обидва боки автомата та на траверсі.
Робочі шпинделі встановлені у шпиндельному блоці на підшипниках кочення. Можливість регулювання радіального та осьового зазорів виключає биття шпинделів, що підвищує стійкість та довговічність інструменту.
Жорсткість супортів забезпечує отримання високої чистоти поверхні оброблюваної деталі.
Конструкція механізму направляючих труб дозволяє гасити коливання прутка всередині труби, забезпечує головне обертання прутків і значно зменшує шум і биття прутків об стінки направляючих труб.
Централізоване мастило забезпечує економну витрату матеріалів і довговічність роботи всіх деталей, що труться.
Вдале розташування вузлів у зоні обробки забезпечує сходження стружки та попадання її на лоток шнекового транспортера, який виносить її за межі станини.
Широкий діапазон швидкостей обробки, великі можливості оснащення технологічними пристроями із встановленими в них високостійкими ріжучими інструментами та автоматичне керування забезпечують високу продуктивність автомата.
Сталеві прутки та труби повинні бути не нижче 4 класу точності за ГОСТ 7417-75.
Клас точності автоматів Н згідно з ГОСТ 8-71.
Шорсткість обробленої поверхні Rz20 мкм. Точність обробки З-а класу.

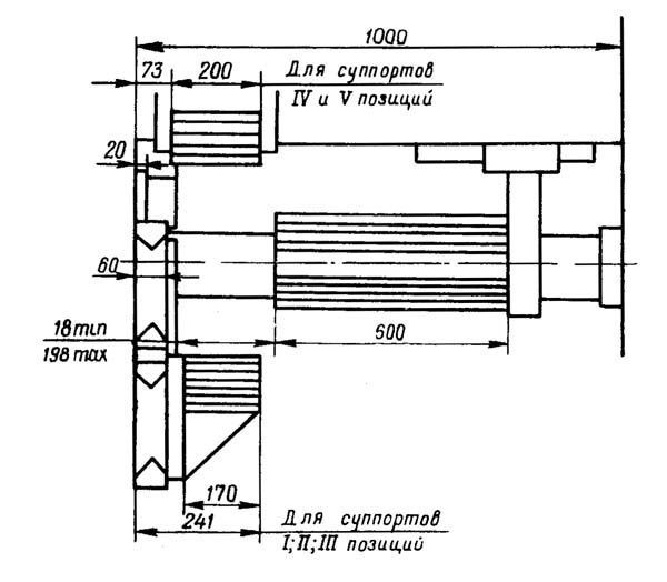
Габаритні розміри робочого простору автомата 1А240

Посадочні та приєднувальні бази автомата 1А240

Фото шестишпиндельного токарного патронного напівавтомату 1А240

Розташування складових частинин токарного верстата 1А240

Розташування органів керування токарним верстатом 1А240
Основне виконання:
Електродвигуни верстата:
Електрична схема верстата передбачає можливість роботи у наступних двох режимах:
У робочому режимі забезпечується повний цикл роботи верстата з ручним завантаженням деталі та зупинка наприкінці циклу у разі, якщо шпиндель виявився з яких-небудь причин не завантажено»*.
У режимі налагодження здійснюється прискорене обертання розподільного валу за годинниковою стрілкою і проти годинникової стрілки.
При встановленні вступного автомата ВА в положення "включено" через понижувальний трансформатор ТУ подається живлення а схему керування. Кнопкою 2КУ "Пуск" здійснюється включення гідроприводу КДГ. Після того як спрацьовує реле тиску підживлення та закриється контакт РД 39-13 кнопками 5КУ та 6КУ "Привід шпинделів пуск" здійснюється включення контактора очного приводу КДШ по ланцюзі II. При цьому щитки коробки швидкостей повинні бути закриті та контакти блокувальних кінцевих вмикачів 1BK, 2ВK, ЕВК замкнуті. Включається електродвигун ДШ, який обертає шпинделі верстата. Контактор КДШ включає електродвигун приводу шпинделів. Кнопками 21КУ, 22КУ здійснюється включення контактора електродвигуна охолодження КДО. Увімкнення та відключення електродвигуна транспортера здійснюється кнопками "Транспортер пуск та стоп" 8КУ та 7КУ. При включенні автомата ВА подається живлення на трансформатор ТМ і точки 501, 502 і при включеному автоматі AМ селеновий випрямляч IB підключається до джерела напруги 28..33, а селеновий випрямляч 2В підключається до джерела напруги 60В. Відведення 28, 30, 33В на низькій стороні трансформатора ТМ служать для встановлення на муфтах напруги 24..26В.
Випрямлена напруга (24..26В) надходить на гальмівну муфту МТ і муфту налагоджувального обертання МН (28) та (29).
При натисканні на кнопки 15КУ або 16КУ (що знаходяться на передньому і задньому пультах верстата) по ланцюгу 16 вмикається реле РПП і стає саможивленням. Реле РШ1 готує до включення реле РПУ (ланцюг 17), відключає муфту М? (ланцюг 29), готує до включення муфту робочого ходу МР (ланцюг 30). Крім того реле РПП замикаючим контактом готує до включення одну на муфту різьбонарізного пристрою (ланцюг 25).
Якщо по циклограмі слідує робочий хід, то реле прискореного ходу РПУ відключено, його контакт в ланцюзі 30 закритий. При цьому включена електромагнітна муфта робочого ходу МР ланцюга 30. Іде робоче обертання розподільного валу. При натисканні кулачком командоапарата на кінцевий вимикач 1KA ланцюга 17 включається реле РПУ. Реле РПУ відключає муфту МР (ланцюг 30), а ланцюга 27 включає муфту прискореного ходу МУ. Замикаючий контакт РПУ (ланцюг 26) включає реле часу форсування РВ, замикаючий контакт якого (ланцюг 20) включає реле РВП ланцюга 21, реле РВП ланцюга 30 готує до включення муфту МР у форсованому режимі.
При натисканні кулачком включення робочого ходу командоапарата на кінцевий вимикач 2КА відключається реле РПУ (при налагодженні верстата необхідно стежити, щоб кулачок прискореного ходу командоапарата раніше відпускав кінцевий вимикач 1KA, ніж кулачок робочого ходу натисне кінцевий вимикач 2A.
При відключенні РПУ вимикається муфта МУ. При цьому муфта робочого ходу МР включається на напругу 48В, розвиваючи високий момент, що крутить. Розподільний вал різко пригальмовується до оборотів робочого ходу.
Після закінчення витримки часу реле РВ (0,8..1,0 сек), його замикаючий контакт у ланцюзі 20 розминається і відключається реле РПВ. Розмикаючий контакт у ланцюзі 28 замикається, а замикаючий у ланцюзі 31 розмикається.
Електромагнітна муфта МР включається на номінальну напругу і розподільний вал продовжує обертатися.
Для того, щоб зупинити розподільний вал на робочому ходу, необхідно натиснути кнопку 17КУ або 18КУ "подача відключена", які розташовані на передньому та задньому пультах керування. При цьому відключається муфта робочого ходу МР і включається муфта МН, через включені муфти МН та МТ здійснюється гальмування розподільного валу верстата.
В кінці циклу перед поворотом барабана натискається кінцевий вимикач командоапарата 5КА і відключає реле РПП. При цьому відключається муфта прискореного ходу МП і короткочасно включається муфта робочого ходу МР у формованому режимі. Після відпадання якоря реле часу РВ після закінчення витримки часу включається муфта МН. Розподільний вал пригальмовується до повного зупинки. Зупинка шпинделя здійснюється автоматично при натисканні командоапарата на кінцевий вимикач 8КA.
При цьому відключається реле обертання шпинделя РПШ і розкриває свій замикаючий контакт у ланцюзі 21. Вимикається електромагніт ЕВ (електромагніт обертання та затиску шпинделя). Зупинити шпиндель можна і вручну. Для цього необхідно ручку, розташовану на пульті керування шпинделем, опустити вниз. При цьому розмикається контакт вбудованого кінцевого вимикача ВПК-2010. Шпиндель зупиняється. Деталь у цей час затиснута тільки пружиною. Для повного розтискання верхнього патрона (для верстата 1А240П-8) та патрона в завантажувальній позиції (верстати 1А240П-6; 1А240П-4) необхідна рукоятка; повернути відповідно вліво чи вправо. Поворот рукоятки неможливо здійснити, не здійснивши попередньо зупинки шпинделя. Рукоятка в крайніх своїх положеннях (як лівому, так і правому) фіксується,
Включення обертання шпинделя здійснюється блокуванням рукоятки в положення "Пуск", це підготовляє до включення реле РПШ. Натисканням кнопки 23КУ вмикається реле РПШ.
Якщо деталь не завантажили під час робочого ходу і не запустили шпиндель, реле РПШ не включиться, замикаючий контакт РПШ в ланцюзі 17 не замкнеться і в кінці циклу після натискання кулачком командоапарата на 5КА відключиться подача. Для включення верстата в роботу в новому циклі необхідно завантажити деталь, затиснути шпиндель і увімкнути обертання, після чого натиснути кнопку "Подача" I5КУ або 16КУ.
Муфти різьбонарізного пристрою МІ1 і МІ2 включається контактами проміжного реле РПР, що включає контактами кінцевого вимикача 3КА, який відповідно до циклограми натискається кулачком командоапарата.
На панелі приладів верстата встановлений перемикач ПНР вибору напрямку різьблення. Перемикач дозволяє не змінюючи кулачків різьбонарізного пристрою на командоапараті нарізати ліве або праве різьблення.
Паралельно кожній електромагнітній муфті включено ланцюжок, що складається з опору та діода. Цей ланцюжок служить для гасіння ЕРС самоіндукції муфт.
Електродвигун налагоджувального режиму включається кнопками 9КУ, 10КУ, 11КУ "вперед" або 12КУ, 13КУ, 14КУ "Назад".
Обертання налагоджувального двигуна продовжується доти, доки кнопка не натиснута. Кнопки керування налагоджувальним двигуном розташовані на передньому та задньому пультах та біля зрізного елемента распредвала. При включенні налагоджувального приводу гальмівна муфта МТ вимикається. Після відпускання кнопок "Вперед" або "Назад" відключається електродвигун налагоджувального обертання і вмикається гальмівна муфта МТ, пригальмовуючи розподільний вал до повної зупинки. В автоматичному режимі вмикач налагоджувальний двигун неможливо, так як розмикаючий контакт РПП ланцюга 52 розімкнуть.
На верстаті встановлені такі блокування, що запобігають нещасним випадкам і неправильним спрацьовуванням, що ведуть до поломки машини.
- Блокування переднього, торцевого та заднього щитків коробки швидкостей не дозволяють увімкнути електродвигун приводу шпинделів при відкритих щитках. Здійснюється замикаючими контактами блокувальних кінцевих вимикачів 1ВК, 2ВК, 3ВК. 1.4.3.2.Блокування, що відключає електродвигун головного приводу при зникненні тиску в гідросистемі. Здійснюється замикаючими контактами реле тиску /ланцюг 9/. підживлення, включеними до ланцюга контактора двигуна приводу КДШ.
- Неможливість одночасного включення муфт робочого та прискореного ходу та муфти налагоджувального обертання забезпечується відповідним включенням муфт через контактори реле РПП. 1.4.3.4.Неможливість одночасного включення контакторів КДНВ і КДНН при залипанні одного з них здійснюється електричного блокування контакторів.
- Неможливість одночасного включення гальмівної муфти МТ та електродвигуна налагоджувального обертання досягається розмикаючими контактами ЕДНВ та КДНН (ланцюг 50).
- Блокування не дозволяє включити налагоджувальне або робоче обертання розподільного валу при відкритій кришці хвостовика ручного повороту розподільного валу. Здійснюється кінцевим вимикачів 7ВК ланцюг 20. 1.4.3.7.Блокування, що не дозволяє включити робоче обертання розподільного валу при закритому щитку поздовжнього супорта. Здійснюється кінцевим вимикачем 8ВК.
Захист від коротких замикань здійснюється:
Захист від тривалих навантажень здійснюється:
Захист транспортера від перевантаження та поломки здійснюється включенням до ланцюга електродвигуна транспортера ДП максимального реле РМ, яке спрацьовує при перевантаженні двигуна в 2..2,5 рази.
Замикаючий контакт реле РМ (ланцюг 13) відключає контактор КДТ. У момент запуску цей контакт шунтується кнопкою 8КУ "Транспортер запуск"
На верстаті встановлено наступну сигналізацію:
При відсутності тиску в гідросистемі реле тиску підживлення РД 39-629 включає сигнальну лампу 1ЛС, розташовану на передньому пульті верстата. Опір IR служать зниження напруги, що підводиться до лампи 1JIC з 110B ДО 6В.
Здійснюється сигнальними лампами 3ЛС та 5ЛС вбудованими в кнопки "Подача включена" розташовані на передньому та задньому пультах керування.
При включенні подачі (реле РПП увімкнено) лампа загоряється, освітлюючи кнопку зсередини. При відключенні подачі (Реле РПП відключено) по ланцюгу 7 включаються і горять яскраво сигнальні лампи 5ЛС, 6ЛС, вбудовані в кнопки "Подача відключена", розташовані на передньому і задньому пультах керування.
Сигналізація зупинки розподільного валу здійснюється факелом (сигнальна лампа 2ЛС) встановленим на верстаті над коробкою передач.
При відключенні подача реле РПП замикає свій контакт, що розмикає, в ланцюгу 32 і включає лампу-факел на повне напруження
Здійснюється сигнальною лампочкою 7ЛC, розташованої на передньому пульті керування верстата.
Сигналізація працює лише при включеній подачі.
На верстаті встановлено лічильник циклів СЕІ, що включає один раз в цикл кінцевим вимикачем командоапарата 6КА. Живиться лічильник постійним струмом від випрямляча 2ВС.
Установка лічильника на "нуль" здійснюється кнопкою поруч із апаратом на приладовій панелі. У режимі налагодження лічильник не працює. Скидання цифрових барабанів на нуль здійснюється лише при зупиненому лічильнику. Категорично забороняється робити скидання "На ходу", оскільки це може спричинити поломку лічильника.
Для контролю завантаження приводу шпинделів на панелі приладів верстата встановлено "Покажчик завантаження".
Прилад включений безпосередньо до ланцюга електродвигуна ДШ. На шкалі пристрою є цифри, що вказують відсоток завантаження двигуна.
Всі сигнальні лампи живляться від обмотки трансформатора ТУ напругою 6 В за винятком лампи 1ЛС, яка включена на 110 В через опір, що гасить, і лампи 2ЛС. Живиться лампа 2ЛС від ІІІ-ї обмотки трансформатора ТУ напругою 24В.
Працювати на верстаті із несправною сигналізацією категорично забороняється.
Освітлення верстата здійснюється двома світильниками, розташованими з передньої та задньої сторони верстата.
Світильники включаються відповідно вимикачами 1B0 і 2ВО, вбудованими у світильники.
На панелі приладів є розетка РПМ для підключення переносного освітлення 24 В. Розетка місцевого освітлення і світильники живляться від трансформатора ТО напругою 24В.
Для пуску верстата в роботу необхідно встановити рукоятку вступного автомата (рис.1) у положення "Мережа". При подачі напруги світиться яскраво лампа-факел, встановлена на коробці швидкостей, що сигналізує зупинку розподільного валу. На передньому пульті керування горять сигнальні лампи "Немає тиску" та "Подача вимкнена", а на задньому тільки "Подача вимкнена".
Після цього необхідно:
- Включити електродвигун приводу гідравліки кнопкою "Гідропривід запуску" 2КУ.
- Увімкнути електродвигун приводу шпинделів кнопкою "Привід шпинделів пуск". Необхідно звернути увагу на напрямок обертання шпинделів, вони повинні обертатися проти годинникової стрілки. При необхідності змінювати напрямок обертання шпинделів можливо шляхом перемикання кінців вступного кабелю на кльошах А.Б.С.
- Натисканням рукоятки перемикача, що знаходиться на шпиндельному блоці вниз, а потім поворотом праворуч розтиснути патрон шпинделя завантажувальної позиції.
- Встановити заготівлю у шпиндель.
- Затиснути патрон шпинделя завантажувальної позиції. Для цього ручку перемикача перевести в нейтральне положення.
- Включити обертання шпинделя рукояткою на пульті керування шпинделем, поставивши її в положення "пуск".
- Увімкнути подачу кнопкою "Подача включена" з переднього або заднього пульта керування. Після включення подачі зелений штовхач кнопки "Подача включена" яскраво висвітлюється сигнальною лампою зсередини. Вимкнення подачі здійснюється в будь-який момент циклу та сигналізується яскраво освітленим червоним штовхачем кнопки "Подача вимкнена".
- Включити електродвигун транспортера кнопкою "Транспортер запуску".
Для зупинки верстата необхідно:
- Вимкнути подачу (у будь-який момент циклу) однією з кнопок "Подача вимкнена".
- Вимкнути електродвигун приводу шпинделів кнопкою "привід шпинделів Стоп".
- 0тключити вступний автомат.
Для включення налагоджувального обертання розподільного валу необхідно:
- Вимкнути подачу.
- Увімкнути двигун налагоджувального обертання кнопкою "Вперед" або "Назад". Двигун включений доки натиснута кнопка, тобто. працює лише у поштовховому режимі.
- На ділянці циклограми від 100 ° до 180 ° включити зворотне обертання розподільного валу - неможливо.

Електрична схема токарного багатошпиндельного верстата 1А240П
Електрична схема токарного багатошпиндельного верстата 1А240П. Дивитись у збільшеному масштабі

Перелік елементів токарного багатошпиндельного верстата 1А240П
Перелік елементів токарного багатошпиндельного верстата 1А240П. Дивитись у збільшеному масштабі

Перелік елементів токарного багатошпиндельного верстата 1А240П
Перелік елементів токарного багатошпиндельного верстата 1А240П. Дивитись у збільшеному масштабі

Перелік елементів токарного багатошпиндельного верстата 1А240П
Перелік елементів токарного багатошпиндельного верстата 1А240П. Дивитись у збільшеному масштабі

Перелік елементів токарного багатошпиндельного верстата 1А240П
Перелік елементів токарного багатошпиндельного верстата 1А240П. Дивитись у збільшеному масштабі

Перелік елементів токарного багатошпиндельного верстата 1А240П
Перелік елементів токарного багатошпиндельного верстата 1А240П. Дивитись у збільшеному масштабі

Перелік елементів токарного багатошпиндельного верстата 1А240П
Перелік елементів токарного багатошпиндельного верстата 1А240П. Дивитись у збільшеному масштабі

Перелік елементів токарного багатошпиндельного верстата 1А240П
Перелік елементів токарного багатошпиндельного верстата 1А240П. Дивитись у збільшеному масштабі

Перелік елементів токарного багатошпиндельного верстата 1А240П
Перелік елементів токарного багатошпиндельного верстата 1А240П. Дивитись у збільшеному масштабі

Перелік елементів токарного багатошпиндельного верстата 1А240П
Перелік елементів токарного багатошпиндельного верстата 1А240П. Дивитись у збільшеному масштабі
| Найменування параметру | 1B240-6 | 1A240-6 |
|---|---|---|
| Основні параметри | ||
| Клас точності згідно з ГОСТ 8-82 | Н | Н |
| Кількість робочих шпинделів | 6 | 6 |
| Діаметр отвору в шпинделях, мм | 62,6 | 62,6 |
| Найбільша довжина обробки, мм | 160 | 160 |
| Найбільша довжина подачі дроту, мм | 180 | 180 |
| Найбільший діаметр прутка, мм | 40 | 40 |
| Найбільша сторона квадратного дроту, мм | 28 | 28 |
| Найбільша сторона шестигранного дроту, мм | 36 | 35 |
| Найбільший діаметр різьблення, що нарізається мітчиками по сталі, мм | 30 | |
| Найбільший діаметр різьблення, що нарізається мітчиками по латуні, мм | 36 | |
| Найбільша довжина дроту, мм | 4000 | |
| Найбільша маса оброблюваної деталі, кг | 24 | |
| Інструментальні супорти | ||
| Кількість поздовжніх супортів | 1 | 1 |
| Кількість поперечних супортів | 6 | 6 |
| Найбільший загальний/ робочий хід поздовжнього супорта, мм | 180/160 | 180/160 |
| Найбільший загальний/ робочий хід поперечного супорта I, II, III, мм | 80/30 | 70/40 |
| Найбільший загальний/ робочий хід поперечного супорта IV, V, мм | 80/30 | 95/65 |
| Найбільший загальний/ робочий хід відрізного супорта VI, мм | 35/ 23 | 50/30 |
| Частота обертання шпинделів, об/хв | 140..1600 | 142..1600 |
| Величина подач поздовжнього супорта, мм/про | 0..6,65 | 0..6,67 |
| Величина подач поперечних супортів, мм/про | 0..2,7 | 0..2,63 |
| Електроустаткування | ||
| Кількість електродвигунів на верстаті | ||
| Електродвигун головного приводу (шпинделів), кВт | 15 | 13 |
| Електродвигун налагоджувального обертання, кВт | 1,5 | 1,5 |
| Електродвигун приводу транспортера стружки, кВт | 1,1 | 1,1 |
| Електродвигун насоса мастила, кВт | 2,2 | 2,2 |
| Електродвигун насоса охолодження, кВт | 0,6 | 0,6 |
| Встановлена потужність, кВт | 19,2 | 24,9 |
| Габарити та маса верстата | ||
| Габарити верстата без приставного обладнання (довжина ширина висота), мм | 3975 х 1750 х 1970 | 6050 х 1600 х 1945 |
| Маса верстата, кг | 12000 | 9000 |