metalinstryment.com
Довідник по металорізальних верстатів та пресовому обладнанні

ТП-40 Верстат токарний по дереву
Схеми, опис, характеристики

ТП-40 Верстат токарний по дереву







Відомості про виробника токарного верстата по дереву ТП-40

Производителем токарного верстата по деревуТП-40 является Нальчикский станкостроительный завод, г. Нальчик, Кабардино-Балкария. Адрес сайта: http://www.zavodnk.narod.ru/

Производителем токарного верстата по дереву ТП-40-1 является Городокский станкостроительный завод им. Дзержинского, г. Городок, Хмельницкая область, Украина. Адрес сайта: http://www.gover.com.ua






ТП-40 Верстат токарний по дереву. Назначение, область применения

Токарний верстат по дереву ТП-40 (начало произодства 1973 год) предназначен для изготовления малогабаритных деталей из древесины. Предшествующая модель - токарний верстат ТВ-200 (1957 год). Следующая модель ТП-40-1 (1988 год)

Токарний верстат ТП-40 предназначен для производства легких токарных работ по дереву в центрах, на планшайбе или в патроне при диаметре обробки до 400 мм. Пользуясь подручником, на станке можно производить цилиндрическую і фасонную токарную обработку, а при удалении мостика из станины обрабатывать детали диаметром до 600 ми, если их длина не превышает 200 мм.

Короткий опис конструкції і роботи верстата ТП-40

Ручной токарний верстат ТП-40 не имеет суппорта і представляет собой простейший тип токарного верстата по дереву, предназначенный для производства легких токарных работ з помощью подручника.

Верстат состоит из следующих вузлів:

От електродвигуна, прифланцованного к тумбе, через двухступенчатый шкив вращение передається клиноременной передачей на шпиндель верстата. На шпинделе верстата установлены два шкива і кулачковая муфта, посредством которой производится переключение швидкостей, передаваемых от електродвигуна. Електродвигун в свою очередь имеет четыре скорости обертання. В станине установлен барабанный переключатель БП, а остальное електрообладнання расположено в тумбе верстата.

Натяжение ремней производится переміщенням подмоторной плиты.

Перемещение задньої бабки і подручника осуществляется вручную, а фиксация их на станке — быстродействующими зажимными пристроями, исключающими необходимость применения гаечных ключів.

Для быстрой остановки шпинделя имеется ручной тормоз.





ТП-40 Габаритные розміри робочого простору токарного верстата по дереву

Габаритные розміри робочого простору токарного верстата по дереву ТП-40

Габаритные розміри робочого простору верстата ТП-40


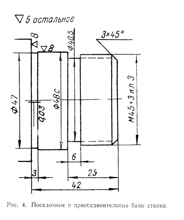
ТП-40 Посадочные і присоединительные базы токарного верстата по дереву

Посадочные і присоединительные базы токарного верстата по дереву ТП-40

Кінець шпинделя верстата токарного верстата по дереву ТП-40


ТП-40 Загальний вигляд токарного верстата по дереву

Фото токарного верстата ТП-40

Фото токарного верстата ТП-40


Фото токарного верстата ТП-40

Фото токарного верстата ТП-40

Фото токарного верстата ТП-40. Дивитись у збільшеному масштабі



Фото токарного верстата ТП-40

Фото токарного верстата ТП-40


Основні вузли і органы керування токарного верстата ТП-40

Основні вузли і органы керування токарного верстата ТП-40

Основні вузли і органы керування токарного верстата ТП-40

Верстат состоит из следующих сборочных единиц і деталей:

  1. Кнопки «Стоп» і «Пуск»
  2. Рукоятка барабанного переключателя швидкостей електродвигуна
  3. Рукоятка переключения муфты
  4. Рукоятка тормоза
  5. Рукоятка зажиму подручника
  6. Рукоятка зажиму линейки
  7. Рукоятка зажиму задньої бабки
  8. Рукоятка зажиму пиноли
  9. Фиксатор шпинделя
  10. Маховик пиноли

Основні отличия токарного верстата ТП-40-1 от ТП-40





Схема кінематична токарного верстата ТП-40

Схема кінематична токарного верстата ТП-40

Кінематична схема токарного верстата ТП-40

Кінематична схема токарного верстата ТП-40. Дивитись у збільшеному масштабі



Електроустаткування токарного верстата ТП-40

В електрообладнання верстата входят:

  1. Четырехскоростной електродвигатель (Д) приводу верстата Т-42/8-6-4-2 мощностью 0,8; 1,0; 1,4; 1,5 кВт, n = 700, 900, 1350, 2800 об/мин, напряжением ~ 380 В, виконання М301.
  2. Аппаратура керування і защиты. Напряжение ланцюги керування ~ 380 В.

Опис роботи електрической схеми токарного деревообрабатывающего верстата ТП-40

Схема електрична токарного верстата ТП-40

Електрична схема токарного верстата ТП-40

Електрична схема токарного верстата ТП-40. Дивитись у збільшеному масштабі



Схема обмоток двигуна Т-42/8-6-4-2 токарного верстата ТП-40

Схема обмоток двигуна Т-42/8-6-4-2 токарного верстата ТП-40


Перед началом роботи верстата електрическую часть подключить к цеховой сети 380 В посредством вводного выключателя «ВВ».

Пуск електродвигуна приводу осуществляется нажатием кнопок КУ-4 или КУ-3 «Пуск», замыкающих ланцюг катушки пускателя. Катушка под влиянием проходящего по ней тока притягивает сердечник якоря, при етом замыкаются механически связанные з ним главные контакты і блокконтакты. Силовые контакты подключают електродвигатель к сети, а питание катушки пускателя производится через замкнувшийся блокконтакт. Електродвигун приводу верстата останавливается при нажатии на кнопку КУ-1 или КУ-2 «Стоп», размыкающую ланцюг катушки пускателя, а он, размыкая свои главные контакты, отключает електродвигатель от сети.

Требуемое число оборотів шпинделя достигается переключением швидкостей електродвигуна барабанным переключателем БП.

Захист і блокировка

Во избежание увімкнення електродвигуна при отвертывании или навертывании планшайби, центра, патрона установлен конечный выключатель KB, механически сблокированный з фиксатором шпинделя.

При нажатии на рукоятку тормоза происходит механическое торможение з одновременным отключением електродвигуна, осуществляемое конечным выключателем КВ.

  1. Захист от токов коротких замыканий осуществляется плавкими предохранителями ПР.
  2. Нулевая защита електродвигуна осуществляется магнитным пускателем К.
  3. Захист електродвигуна от перегрузок осуществляется тепловым реле.

Вказівки по обслуговування електроустаткування

  1. При подключении верстата к електрической сети необходимо обеспечить направление обертання шпинделя.
  2. При експлуатации верстата следует регулярно производить очистку електроустаткування от пыли і грязи. При ремонтi і осмотре електроапаратури вводный выключатель «ВВ» должен быть обязательно выключен.
  3. Заземление верстата производится в соответствии з требованиями существующих правил і норм.

Эксплуатация електроустаткування верстата должна производиться в соответствии з утвержденными головним енергетическим керуванням при Госплане СССР «Правилами технической експлуатации і безопасности обслуживания електроустановок промышленных предприятий».

Первоначальный пуск

Первоначальный пуск верстата производится в следующем порядке:

  1. Обязательно выполняются все требования, изложенные в разделе «Подготовка верстата к первоначальному пуску».
  2. Включается електродвигатель верстата так как ето указано в разделе «Опис дії електрической схеми».
  3. Производится проверка верстата на холостом ходу. При етом проверяется нагрев підшибників шпинделя Нагрев корпуса передньої бабки в местах установки підшибників не должен превышать температуру окружающей среды более чем на 50°С.

Верстат должен работать без стуков і вибрации. В случае обнаружения неисправностей установить их причину і сообщить заводу.


Налаштування і наладка

В налаштування і наладку верстата входят:

  1. натяжение ремня;
  2. смена планшайби;
  3. смена линеек.

Натяжение ремня осуществляется опусканием подмоторной плиты.

Смену планшайби производить при застопоренном шпинделе, который стопорится фиксатором; післядний своим -выступающим штифтом нажимает на кнопку микропереключателя, і двигатель отключается.

Смена линеек производится в зависимости от формы обрабатываемого вироби.

При обработке коротких деталей диаметром более 360 мм мостик снимать.

При необходимости в разборке вузла шпинделя з заменой підшибників руководствоваться следующим:





ТП-40 Верстат токарний по дереву. Відеоролик.




Технічні характеристики токарного верстата ТП-40

Наименование параметра ТП-40 ТП-40-1
Основні параметри верстата
Наибольший диаметр обрабатываемых заготовок над станиной, мм 400 400
Наибольший диаметр обрабатываемых заготовок над подручником, мм 250 250
Наибольший диаметр обрабатываемых заготовок над выемкой станины, мм 600 700
Наибольшая длина заготовки, устанавливаемой в центрах (РМЦ), мм 1600 1600
Наибольшая длина точения заготовки в выемке станины, мм 200 225
Диаметр плашайбы, мм 200, 500 250, 400
Высота оси центров над уровнем пола, мм 1000
Количество швидкостей коробки передач 2 3
Количество швидкостей обертання шпинделя (количество швидкостей коробки х количество швидкостей двигуна) 2 х 4 3 х 3
Частота обертання шпинделя, об/мин 250, 350, 505, 615, 810, 1010, 1245, 2500 250, 380, 630, 750, 850, 960, 1300, 1900, 2500
Торможение шпинделя ручное ручное
Конус Морзе шпинделя, № 3
Наиболшее перемещение пиноли задньої бабки, мм 120 120
Диаметр пиноли задньої бабки, мм 50
Длина линеек подручника, мм 150, 400 150, 400
Електроустаткування верстата
Род тока питающей сети 380В 50Гц 380В 50Гц
Количество електродвигателей на станке, шт 1 1
Тип електродвигуна Т-42/8-6-4-2 исп.М301 А02-41-6/4/2-С1 исп.М301
Електродвигун - номинальная мощность, кВт 0,8; 1,0; 1,4; 1,5 1,7; 2,0; 2,4
Число оборотів в минуту, об/мин 700, 900, 1350, 2800 940, 1450, 2800
Габарит і масса верстата
Габарит верстата (длна х ширина х высота), мм 2600 х 635 х 1310 2850 х 850 х 1500
Масса верстата, кг 775 850

    Список литературы:

  1. Верстат токарний по дереву ТП-40. Руководство к верстату, Нальчик, 1973
  2. Верстат токарний по дереву ТП-40-1. Руководство к верстату, Городок (Ураина), 1988

  3. Афанасьев А.Ф. Резьба по дереву, Техника, Инструменты, Изделия, 2014
  4. Бобиков П.Д. Мебель своими руками, 2004
  5. Борисов И.Б. Обработка дерева, 1999
  6. Джексон А., Дей Д. Библия работ по дереву, 2015
  7. Золотая книга работ по дереву для владельца загородного участка, 2015
  8. Ильяев М.Д. Резьба по дереву, Уроки мастера, 2015
  9. Комаров Г.А. Четырехсторонние продольно-фрезерные верстати для обробки древесины, 1983
  10. Кондратьев Ю.Н., Питухин А.В... Технология изделий из древесины, Конструирование изделий і расчет материалов, 2014
  11. Коротков В. И. Деревообрабатывающие верстати, 2007
  12. Лявданская О.А., Любчич В.А., Бастаева Г.Т. Основы деревообробки, 2011
  13. Любченко В.И. Рейсмусовые верстати для обробки древесины, 1983
  14. Манжос Ф.М. Дереворежущие верстати, 1974
  15. Расев А.И., Косарин А.А. Гідротермическая обработка і консервирование древесины, учебное пособие, 2010
  16. Рыженко В.И. Полная енциклопедия художественных работ по дереву, 2010
  17. Рыкунин С.Н., Кандалина Л.Н. Технология деревообробки, 2005
  18. Симонов М.Н., Торговников Г.И. Окорочные верстати, 1990
  19. Соловьев А.А., Коротков В.И. Наладка деревообрабатывающего оборудования, 1987
  20. Суханов В.Г. Круглопильные верстати для распиловки древесины, 1984
  21. Фокин С.В., Шпортько О.Н. Деревообработка, Технологии і обладнання, 2017
  22. Хилтон Билл Работы по дереву, Полное руководство по изготовлению стильной мебели для дома, 2017