Виробники токарно-гвинторізного верстата моделі Т-4 – кілька ремісничих училищ СРСР.
Верстат Т-4 є навчальним універсальним токарно-гвинторізним верстатом і призначається для всіляких токарних робіт у майстернях шкіл для політехнічного навчання та холодної обробки металів різанням.
Верстат Т-4 випускався у 40-х роках минулого століття кількома ремісничими училищами СРСР.
Навчальний токарно-гвинторізний верстат Т-4, незважаючи на спрощену конструкцію, має всі вузли "дорослого" токарно-гвинторізного верстата: коробку швидкостей шпинделя, гітару, коробку подач, ходовий вал та ходовий гвинт, супорт з механічною подачею.
Верстат дозволяє проводити такі види токарних робіт:
Передній кінець шпинделя верстата Т-4 має різьблення М52х6 для встановлення проміжного фланця з патроном (див. статтю Токарні патрони ). Стандартний патрон для верстата Т-4 – Ø200 мм.
Шпиндель токарного верстата Т-4 отримує 6 ступенів обертання (56, 98, 165, 269, 476, 800 об/хв) від коробки швидкостей передньої бабці.
Шпиндель змонтований на передньому та задньому бронзових підшипниках ковзання та одному завзятому підшипнику кочення.
Коробка швидкостей за рахунок перемикання шестерень дозволяє знизити частоту обертання шпинделя, необхідну для різьблення мітчиками, а також для важких робіт, що вимагають підвищеного крутного моменту. Підвищена швидкість шпинделя використовується для чистових робіт.
Обертання на вхідний вал коробки швидкостей надходить від електродвигуна через ремінну передачу. За допомогою блоку зубчастиних коліс та фрикційної муфти вибирається одна із шести швидкостей шпинделя.
Привід верстата здійснюється від асинхронного електродвигуна. Через клинопасову передачу і одноступінчасті шківи рух передається на вхідний вал коробки швидкостей. Усередині коробки швидкостей рух через шестерні передається на шпиндель. Шпіндель, залежно від положення рукояток на передній бабці, обертається з однією з шести швидкостей. Напрямок обертання шпинделя визначається двигуном.
Від шпинделя рух передається на вихідний вал коробки швидкостей, потім на гітару і від неї на вхідний вал коробки подач.
Коробка подач забезпечує обертання ходового валу для поздовжніх і поперечних подач супорта при гострінні, і обертання ходового ггвинта, який починає обертатися при нарізанні різьблення.
Ходовий гвинт включається при нарізанні різьблення. Швидкість ходового ггвинта задається рукоятками на коробці подач і визначає одну з метричних різьб (ходовий гвинт можна використовувати в режимі поздовжньої подачі, але не використовується, щоб не зношувати його). Напрямок обертання ходового ггвинта задається лівою рукояткою на передній бабці.
Ходовий вал дозволяє отримати одну з поздовжніх подач супорта. Швидкість подачі визначається рукоятками на передній стінці коробки подач.
Ходовий гвинт і ходовий вал проходять крізь фартух супорта , який перетворює обертальний рух ходового ггвинта або ходового валика на поступальний поздовжній і поперечний рух супорта.
Мастило коробки швидкостей - розбригуванням шестернями олії з масляної ванни на дні передньої бабки. Змащення коробки подач - ґноти з лотка, який заповнюється маслом раз на зміну. Фартух, супорт, гітара, задня бабка та станина змащуються вручну раз на зміну.
Виробник - Обласне Керування Трудових Резервів, Ремісниче училище м. Горький.
Основні параметри верстата – відповідно до ГОСТ 42-40.

Габаритні розміри робочого простору верстата Т-4

Габаритні розміри робочого простору верстата Т-4

Фото токарно-гвинторізного верстата Т-4

Фото токарно-гвинторізного верстата Т-4

Фото токарно-гвинторізного верстата Т-4
Фото токарно-гвинторізного верстата Т-4. Дивитись у збільшеному масштабі

Фото токарно-гвинторізного верстата Т-4

Фото токарно-гвинторізного верстата Т-4

Фото токарно-гвинторізного верстата Т-4

Фото токарно-гвинторізного верстата Т-4

Фото токарно-гвинторізного верстата Т-4

Розташування органів керування токарним верстатом Т-4

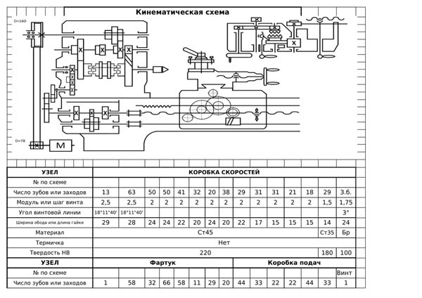
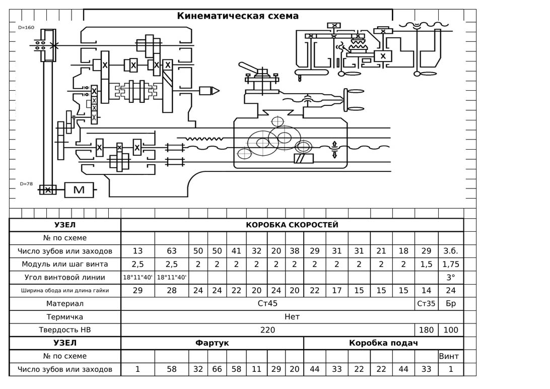
Кінематична схема токарно-гвинторізного верстата Т-4
1. Схема кінематична токарно-гвинторізного верстата Т-4. Дивитись у збільшеному масштабі
2. Схема кінематична токарно-гвинторізного верстата Т-4. Дивитись у збільшеному масштабі

Таблиця набору шестерень токарно-гвинторізного верстата Т-4
1. Таблиця набору шестерень токарно-гвинторізного верстата Т-4. Дивитись у збільшеному масштабі
2. Таблиця набору шестерень токарно-гвинторізного верстата Т-4. Дивитись у збільшеному масштабі

Точки змазки токарно-гвинторізного верстата Т-4
Точки змазки токарно-гвинторізного верстата Т-4. Дивитись у збільшеному масштабі
Токарно-гвинторізний станок складається з наступних основних вузлів: передня тумба, задня тумба, станина, передня бабка, коробка подач, гітара, фартух, супорт, задня бабка, захисний кожух, корито, електрообладнання, захисний екран.
Передня тумба виконана П-подібною формою з ребрами жорсткості у верхній та нижній частининах.
Привідний електродвигун встановлений на задній стороні тумби, на передній реверсивна кнопка включення і вимикання електродвигуна.
Задня тумба виконана П-подібною формою з ребрами жорсткості у верхній та нижній частининах. У задній тумбі змонтовано щиток з електроустаткуванням верстата.
Станіна служить для підтримки, закріплення та взаємного з'єднання всіх вузлів верстата.
Станина верстата коробчастої форми з вікнами. Має дві призматичні напрямні.
Передня направляюча служить для пересування каретки, задня для переміщення задньої бабки.
На передній стороні станини встановлений ходовий гвинт і рейка
Станина установлена на две тумбы.
| Найменування параметру | Т-4 | ТВ-4 | ТВ-6 | ТВ-7 |
|---|---|---|---|---|
| Основні параметри верстата | ||||
| Класс точності | Н | Н | Н | Н |
| Найбільший діаметр заготовки над станиною, мм | 320 | 200 | 200 | 220 |
| Найбільший діаметр заготовки над супортом, мм | 112 | 125 | 80 | 100 |
| Висота центрів над плоскими напрямними станини, мм | 160 | 108 | 108 | 120 |
| Найбільша довжина заготовки у центрах (РМЦ), мм | 750 | 350 | 350 | 330 |
| Найбільша довжина заготовки в патроні, мм | 310 | |||
| Найбільша довжина обточування, мм | 730 | 300 | 300 | 300 |
| Найбільша висота тримача різця (ширина х висота), мм | 17 х 30 | 10 х 12 | 12 х 12 | 16 х 16 |
| Висота від опорної поверхні різця до лінії центрів, мм | 20 | 12 | 12 | |
| Найбільша відстань від осі центрів до кромки різцетримача, мм | 154 | 78 | 78 | |
| Шпиндель | ||||
| Різьбовий кінець шпинделя, мм | М52 х 6 | М36 х 4 | М36 х 4 | М45 х 4 |
| Діаметр стандартного патрона, мм | 200 | 100 | 100 | 125 |
| Діаметр наскрізного отвору в шпинделі, мм | 26 | 16 | 18 | |
| Найбільший діаметр прутка, мм | 25 | 15 | 12 | |
| Конус Морзе шпинделя | №4 | №2 | №3 | №3 |
| Число ступенів частот прямого обертання шпинделя | 6 | 6 | 6 | 8 |
| Частота прямого обертання шпинделя, об/хв | 56, 98, 165, 269, 476, 800 | 120, 160, 230, 375, 500, 710 | 130, 170, 235, 385, 510, 700 | 60..1000 |
| Число ступенів частот зворотного обертання шпинделя | 6 | 6 | 8 | |
| Частота зворотного обертання шпинделя, об/хв | 120, 160, 230, 375, 500, 710 | 130, 170, 235, 385, 510, 700 | 60..1000 | |
| Гальмування шпинделя | ні | ні | ні | |
| Блокування рукояток | ні | ні | ні | ні |
| Супорт. Подання | ||||
| Найбільше поздовжнє переміщення супорта, мм | 720 | 300 | 300 | 260 |
| Переміщення супорта поздовжнє на один поділ лімба, мм | - | 0,5 | 0,25 | 0,25 |
| Найбільше поперечне переміщення супорта, мм | 170 | 100 | 100 | |
| Переміщення супорта поперечне на один поділ лімба, мм | 0,05 | 0,025 | 0,025 | 0,025 |
| Переміщення супорта поперечне на один оберт лімба, мм | 4 | |||
| Найбільше переміщення різцевих санчат, мм | 100 | 50 | 85 | 85 |
| Переміщення різцевих санок на один поділ лімба, мм | 0,05 | 0,025 | 0,025 | 0,025 |
| Переміщення різцевих санчат на один оборот лімба, мм | 4 | |||
| Кут повороту різцевих санчат, град | 360° | ±45° | ±45° | ±40° |
| Число ступенів поздовжніх подач супорта | 3 | 3 | 8 | |
| Межі поздовжніх робочих подач супорту, мм/про | 0,027..2,28 | 0,08; 0,1; 0,12 | 0,08; 0,1; 0,12 | 0,1; 0,12; 0,15; 0,16; 0,18; 0,20; 0,24; 0,32 |
| Межі робочих поперечних подач супорта, мм/про | 0,008..0,711 | немає | немає | немає |
| Кількість нарізних різьблень метричних | 3 | 3 | 6 | |
| Межі кроків різьб метричних, що нарізаються, мм | 0,4..10 | 0,8; 1,0; 1,25 | 0,8; 1,0; 1,25 | 0,8; 1,0; 1,25; 1,5; 2,0; 2,5 |
| Межі кроків різьблення дюймових | 3..40 | немає | немає | немає |
| Межі кроків різьблення модульних | 1..3 | немає | немає | немає |
| Межі кроків різьблення питних | немає | немає | немає | немає |
| Задня бабка | ||||
| Конус Морзе задньої бабки | №3 | №2 | №2 | №2 |
| Найбільше переміщення пінолі, мм | 90 | 65 | 65 | 65 |
| Найбільше поперечне переміщення бабки, мм | ±20 | |||
| Електроустаткування | ||||
| Електродвигун головного приводу, кВт (об/хв) | 1,3 (1430) | 1,0 | 1,1 | 1,1 |
| Габарити та маса верстата | ||||
| Габарити верстата (довжина ширина висота), мм | 1780 х 795 х 1250 | 1440 х 470 х 1020 | 1100 х 470 х 110 | 1050 х 535 х 1200 |
| Маса верстата, кг | 500 | 280 | 300 | 400 |