metalinstryment.com
Довідник по металорізальних верстатів та пресовому обладнанні

Верстат Мастер-Універсал 2000 деревообрабатывающий комбинированный
Схеми, опис, характеристики

Мастер-Універсал 2000 Верстат комбинированный деревообрабатывающий







Поставщиком комбинированного деревообрабатывающего верстата Мастер-Універсал 2000 является ООО ЮниМастер, основанная 18.12.2013 года. Адрес сайта: http://unimaster.net






Верстат Мастер-Універсал 2000 комбинированный бытовой деревообрабатывающий. Назначение, область применения

Комбинированный верстат Мастер-Універсал 2000 предназначен для строгания (фугования) і распиловки древесины. Верстат Мастер-Універсал 2000 - начальный варіант для оснащения столярной мастерской, верстат не рассчитан на работу при непрерывном производстве.

Верстат Мастер-Універсал 2000 самый простой в линейке верстатів Мастер-Універсал; он имеет только две функции (конфигурации) - строгание і распиловка древесины.

На станке Мастер-Універсал 2000 можно выполнять наступні операции:

Для распиловки используется широкий накладной пильный стол, который устанавливается над строгальным столом і регулируется по высоте, что позволяет устанавливать требуемое выступание пилы над распиливаемым материалом в зависимости от его толщины і обеспечивает безопасный і качественный рез при поздовжньої, поперечної і под углом к волокнам распиловке материалов, позволяет раскраивать листовые материалы.

Выходной конец ножевого вала имеет конус, на который устанавливается фланец для крепления пильного диска.

Дополнительные приспособления к

Питание машины осуществляется от однофазной сети переменного тока з защитным (заземляющим) проводом. Качество источника електрической енергии по ГОСТ 13109-97.

Источник електрической енергии должен мати защиту, рассчитанную на ток плавкой вставки 16 А.

Климатическое виконання машины У, категория розміщення 3.1 по ГОСТ 15150-69 для роботи при температуре воздуха от +5°С до +40°С.

Виконання по степени защиты от влаги — незащищенное.

Верстат Мастер-Універсал 2000 имеет встроенное пристрій отключения от источника живлення при перегреве асинхронного двигуна. Повторное увімкнення машины можно производить після того, как електродвигатель остынет до температуры окружающей среды.

Верстат Мастер-Універсал 2000 имеет выходные цилиндрические патрубки диаметром 100 мм (обязательно снять, если не используется стружкоотсос) і 38 мм, для подключения к ней зовнішнього вакуум-отсоса, чтобы удалять стружку і опилки соответственно.


Комплект поставки верстата Мастер-Універсал 2000:





Мастер-Універсал 2000 Загальний вигляд комбинированного деревообрабатывающего верстата

Фото вигляд комбинированного верстата Мастер-Універсал 2000

Загальний вигляд  комбинированного верстата Мастер-Універсал 2000

Загальний вигляд  комбинированного верстата Мастер-Універсал 2000

Загальний вигляд  комбинированного верстата Мастер-Універсал 2000

Загальний вигляд  комбинированного верстата Мастер-Універсал 2000


Мастер-Універсал 2000 Верстат комбинированный. Схема верстата і комплект поставки

Мастер-Універсал 2000 Верстат комбинированный. Схема верстата і комплект поставки

Мастер-Універсал 2000 Верстат комбинированный. Схема верстата і комплект поставки. Дивитись у збільшеному масштабі


Мастер-Універсал 2000 Верстат комбинированный. Замена і регулировка строгальных ножей

Мастер-Універсал 2000 Верстат комбинированный. Замена і регулировка строгальных ножей

Замена строгальных ножей в барабане

Для замены і установки ножей необходимо:




Регулювання строгальных ножей в барабане

Регулювання ножей обеспечивается післядовательным выставлением каждого ножа.

Для выставления ножа необходимо:

Правильно выставленные ножи, при повороте ножевого барабана, должны режущей кромкой слегка (до 0,1 мм) касаться нижней грани линейки.

При установці новых ножей, замене деталей их крепления (клиньєв или болтов), а также після заточки ножей разность суммарной массы комплекта ножей з деталями их крепления, предназначенных для установки в каждый из пазов ножевого блока, не должна превышать 1 г.

Подгонку разности суммарной массы производить за счет снятия металла з торцов ножа или клина.

Мастер-Універсал 2000 Верстат комбинированный. Заточка ножей

Мастер-Універсал 2000 Верстат комбинированный. Заточка ножей

Периодически, по мере затупления, необходимо производить заточку или замену строгальных ножей.

Режущая кромка ножа должна быть острой і не мати завалов. На ней не должно быть зазубрин, грубых рисок і трещин.





Мастер-Універсал 2000 Верстат комбинированный. Пильные диски

Мастер-Універсал 2000 Верстат комбинированный. Пильные диски


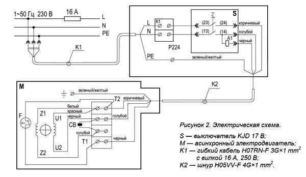
Схема електрична комбинированного деревообрабатывающего верстата Мастер-Універсал 2000

Схема електрична комбинированного верстата Мастер-Універсал 2000

Верстат представляет собой електромеханическое пристрій. В качестве приводу используется асинхронный електродвигатель. Вращение от двигуна к ножевому барабану (выходному концу вала) передається з помощью клиноременной передачи.

Конструкція верстата позволяет быстро і легко переналаживать її на одну из выполняемых операций, описанных в разделе 1.




Мастер-Універсал 2000. Відеоролик





Технічні характеристики комбинированного верстата Мастер-Універсал 2000

Наименование параметра Мастер-Універсал Мастер-Універсал Р Мастер-Універсал 2000 Мастер-Універсал 2500Е
Рейсмусование
Наибольшая ширина строгания, мм - 250 - -
Номинальная длина стола, мм - 580 - -
Наибольшая глубина снимаемого слоя за один проход, мм - 3,5 - -
Номинальная скорость подачі заготовки, м/мин - 5 - -
Пропускаемое через рейсмус сечение заготовки, мм - 250 х 160 - -
Размер стола при рейсмусовании, (Д×Ш), мм - 580 × 250 - -
Строгание (фугование)
Наибольшая ширина строгания, мм 250 250 200 250
Наибольшая глубина снимаемого слоя за один проход, мм 3,5 3,5 3,0 3,5
Частота обертання шпинделя, об/мин 5500 5500 5500 5500
Количество строгальных ножей 2 2 2 2
Длина ножа, мм 250 250 200 250
Диаметр выходного патрубка, мм 100 100 100 100
Размер столов (подвижного і нерухомого) при строгании (Д×Ш), мм 882 х 318 1000 × 318 700 × 220 882 × 318
Пиление дисковий пилкою
Частота обертання шпинделя, об/мин 5500 5500 5500 5500
Диаметр пильного диска, мм 250 х 32 х 1,8 250 х 32 х 1,8 210 х 32 х 1,8 280 х 32 х 1,8
Максимальная глубина пиления, мм 0..85 0..85 0..60 0..100
Косое пиление по направляющей планке, град 0, 15, 30, 45 0, 15, 30, 45 0, 15, 30, 45 0, 15, 30, 45
Размер пильного стола (Д×Ш), мм 750 × 510 750 × 520 710 × 500 750 × 510
Сверление, фрезерование
Размер стола при фрезеровании (сверлении), (Д×Ш), мм 370 × 200 370 × 200 - 370 × 200
Перемещение стола по высоте, мм 0..100 0..100 - 0..100
Номинальная частота обертання шпинделя на холостом ходу, об./мин 5500 5500 - 5500
Патрон сверлильный, трехкулачковый, Ø max , мм 16 16 - 16
Електроустаткування верстата
Род тока питающей сети 220В 50Гц 220В 50Гц 220В 50Гц 220В 50Гц
Електродвигун - номинальная мощность, кВт 2,2 2,2 2,0 2,5
Тип електродвигуна Асинхронный, однофазный з конденсатором, s6-40% Асинхронный, однофазный з конденсатором, s6-40% Асинхронный, однофазный з конденсатором, s6-40% Асинхронный, однофазный з конденсатором, s6-40%
Габарит і масса верстата
Габарит верстата (длна х ширина х высота), мм 860 × 520 × 250 920 × 585 × 330
Масса верстата, кг 48 73 43 64