metalinstryment.com
Довідник по металорізальних верстатів та пресовому обладнанні

Верстат Мастер-Універсал деревообрабатывающий комбинированный
Схеми, опис, характеристики

Мастер-Універсал Верстат комбинированный деревообрабатывающий







Поставщиком комбинированного деревообрабатывающего верстата Мастер-Універсал является ООО ЮниМастер, основанная 18.12.2013 года. Адрес сайта: http://unimaster.net






Верстат Мастер-Універсал комбинированный бытовой деревообрабатывающий. Назначение, область применения

Комбинированный верстат Мастер-Універсал предназначен для строгания (фугования), распиловки, фрезерування і сверления древесины.

Верстат Мастер-Універсал имеет три функции (конфигурации) - фугование (строгание), пиление і сверление.

На станке Мастер-Універсал можно выполнять наступні операции:

Для распиловки используется широкий накладной пильный стол, который устанавливается над строгальным столом і регулируется по высоте, что позволяет устанавливать требуемое выступание пилы над распиливаемым материалом в зависимости от его толщины і обеспечивает безопасный і качественный рез при поздовжньої, поперечної і под углом к волокнам распиловке материалов, позволяет раскраивать листовые материалы.

Выходной конец ножевого вала имеет конус, на который устанавливается фланец для крепления пильного диска или сверлильный патрон 16-В16 ГОСТ 8522-79.

Дополнительные приспособления к верстату Мастер-Універсал:

Питание машины осуществляется от однофазной сети переменного тока з защитным (заземляющим) проводом. Качество источника електрической енергии по ГОСТ 13109-97.

Источник електрической енергии должен мати защиту, рассчитанную на ток плавкой вставки 16 А.

Климатическое виконання машины У, категория розміщення 3.1 по ГОСТ 15150-69 для роботи при температуре воздуха от +5°С до +40°С.

Виконання по степени защиты от влаги — незащищенное.

Верстат Мастер-Універсал имеет встроенное пристрій отключения от источника живлення при перегреве асинхронного двигуна. Повторное увімкнення машины можно производить після того, как електродвигатель остынет до температуры окружающей среды.

Верстат Мастер-Універсал имеет выходные цилиндрические патрубки диаметром 100 мм (обязательно снять, если не используется стружкоотсос) і 38 мм, для подключения к ней зовнішнього вакуум-отсоса, чтобы удалять стружку і опилки соответственно.





Мастер-Універсал Загальний вигляд комбинированного деревообрабатывающего верстата

Фото вигляд комбинированного верстата Мастер-Універсал

Фото комбинированного верстата Мастер-Універсал. Дивитись у збільшеному масштабі


Загальний вигляд  комбинированного верстата Мастер-Універсал

Загальний вигляд  комбинированного верстата Мастер-Універсал

Загальний вигляд  комбинированного верстата Мастер-Універсал


Пуск верстата Мастер-Універсал

Пуск машины Мастер-Універсал


Мастер-Універсал верстат комбинированный. Замена і регулировка строгальных ножей

Мастер-Універсал верстат комбинированный. Замена і регулировка строгальных ножей

Замена строгальных ножей в барабане

Для замены і установки ножей необходимо:

Регулювання строгальных ножей в барабане

Регулювання ножей обеспечивается післядовательным выставлением каждого ножа.

Для выставления ножа необходимо:

Правильно выставленные ножи, при повороте ножевого барабана, должны режущей кромкой слегка (до 0,1 мм) касаться нижней грани линейки.

При установці новых ножей, замене деталей их крепления (клиньєв или болтов), а также після заточки ножей разность суммарной массы комплекта ножей з деталями их крепления, предназначенных для установки в каждый из пазов ножевого блока, не должна превышать 1 г.

Подгонку разности суммарной массы производить за счет снятия металла з торцов ножа или клина.

Мастер-Універсал верстат комбинированный. Заточка ножей

Мастер-Універсал верстат комбинированный. Заточка ножей

Периодически, по мере затупления, необходимо производить заточку или замену строгальных ножей.

Режущая кромка ножа должна быть острой і не мати завалов. На ней не должно быть зазубрин, грубых рисок і трещин.





Установка глубины строгания

Для установки глубины строгания необходимо:


Строгание (фугование) по плоскости з прижимным пристрійм

При строгании материала толщиной до 60 мм в горизонтальном положении, необходимо пользоваться прижимным пристрійм.

Для установки прижимного приспособления необходимо:

Вращением ручки 159 расположенной сверху приспособления, установить прижимные ролики на нужную величину. Верстат готов к работе.





Распиловка вдоль волокон под углом з помощью линейки

Линейка пильная получается заменой линейки 57 (0020-21) (рис. 15) на линейку 127 (0020-19) (рис. 17).

Для етого необходимо:

Положение линейки можно менять, изменяя расстояние от пильного диска до линейки, переміщенням в пазах основания і перестановкой в отверстиях стола. Таким образом, може быть установлена любая ширина распила.

Линейка пильная устанавливается как перпендикулярно к столу, так і под углом.

Для распиловки под углом необходимо (рис. 15):

Линейка должна прилегать к столу (при любом угле поворота).

Для етого необходимо (рис. 15):

Машина готова к работе.


Распиловка заготовки вдоль волокон под углом з пристрійм

Установить пристрій для поперечної распиловки под углом на столе пильном з помощью кронштейнов 176 (0020-31), закрепив их гвинтами 185 (рис. 20).

Установите нужный угол распиловки, поворачивая кронштейн 175 з опорой (брусок) і фиксируя его гайкой-барашком 180.

Прижимая обрабатываемый объект к опоре (брусок), перемещайте пристрій по направляющей 172, в сторону пильного диска.





Мастер-Універсал верстат комбинированный. Схема машины строгальной

Мастер-Універсал верстат комбинированный. Схема і детали сборки

Мастер-Універсал верстат комбинированный. Схема і детали сборки машины строгальной. Дивитись у збільшеному масштабі


Мастер-Універсал верстат комбинированный. Схема механізма привода

Мастер-Універсал верстат комбинированный. Схема і детали сборки

Мастер-Універсал верстат комбинированный. Схема механізма привода. Дивитись у збільшеному масштабі


Мастер-Універсал верстат комбинированный. Детали сборки

Мастер-Універсал верстат комбинированный. Детали сборки

Мастер-Універсал верстат комбинированный. Детали сборки


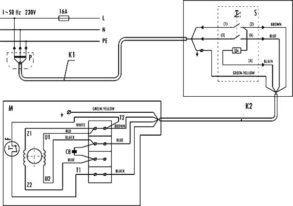
Схема електрична комбинированного деревообрабатывающего верстата Мастер-Універсал

Схема електрична комбинированного верстата Мастер-Універсал

Верстат представляет собой електромеханическое пристрій. В качестве приводу используется асинхронный електродвигатель. Вращение от двигуна к ножевому барабану (выходному концу вала) передається з помощью клиноременной передачи.

Конструкція верстата позволяет быстро і легко переналаживать її на одну из выполняемых операций, описанных в разделе 1.


Приспособление пильное універсального верстата Мастер-Універсал

Приспособление пильное універсального верстата Мастер-Універсал

Приспособление пильное універсального верстата Мастер-Універсал. Дивитись у збільшеному масштабі


Приспособление для фрезерування і сверления верстата Мастер-Універсал

Приспособление для фрезерування і сверления верстата Мастер-Універсал

Приспособление для фрезерування і сверления верстата Мастер-Універсал. Дивитись у збільшеному масштабі


Прижимное пристрій для верстата Мастер-Універсал

Прижимное пристрій для верстата Мастер-Універсал

Прижимное пристрій для верстата Мастер-Універсал. Дивитись у збільшеному масштабі


Приспособление для поперечної распиловки под углом верстата Мастер-Універсал

Приспособление для поперечної распиловки под углом верстата Мастер-Універсал

Приспособление для поперечної распиловки под углом верстата Мастер-Універсал. Дивитись у збільшеному масштабі





Верстат Мастер-Універсал. Відеоролик




Технічні характеристики комбинированного верстата Мастер-Універсал

Наименование параметра Мастер-Універсал Мастер-Універсал Р Мастер-Універсал 2000 Мастер-Універсал 2500Е
Рейсмусование
Наибольшая ширина строгания, мм - 250 - -
Номинальная длина стола, мм - 580 - -
Наибольшая глубина снимаемого слоя за один проход, мм - 3,5 - -
Номинальная скорость подачі заготовки, м/мин - 5 - -
Пропускаемое через рейсмус сечение заготовки, мм - 250 х 160 - -
Размер стола при рейсмусовании, (Д×Ш), мм - 580 × 250 - -
Строгание (фугование)
Наибольшая ширина строгания, мм 250 250 200 250
Наибольшая глубина снимаемого слоя за один проход, мм 3,5 3,5 3,0 3,5
Частота обертання шпинделя, об/мин 5500 5500 5500 5500
Количество строгальных ножей 2 2 2 2
Длина ножа, мм 250 250 200 250
Диаметр выходного патрубка, мм 100 100 100 100
Размер столов (подвижного і нерухомого) при строгании (Д×Ш), мм 882 х 318 1000 × 318 700 × 220 882 × 318
Пиление дисковий пилкою
Частота обертання шпинделя, об/мин 5500 5500 5500 5500
Диаметр пильного диска, мм 250 х 32 х 1,8 250 х 32 х 1,8 210 х 32 х 1,8 280 х 32 х 1,8
Максимальная глубина пиления, мм 0..85 0..85 0..60 0..100
Косое пиление по направляющей планке, град 0, 15, 30, 45 0, 15, 30, 45 0, 15, 30, 45 0, 15, 30, 45
Размер пильного стола (Д×Ш), мм 750 × 510 750 × 520 710 × 500 750 × 510
Сверление, фрезерование
Размер стола при фрезеровании (сверлении), (Д×Ш), мм 370 × 200 370 × 200 - 370 × 200
Перемещение стола по высоте, мм 0..100 0..100 - 0..100
Номинальная частота обертання шпинделя на холостом ходу, об./мин 5500 5500 - 5500
Патрон сверлильный, трехкулачковый, Ø max , мм 16 16 - 16
Електроустаткування верстата
Род тока питающей сети 220В 50Гц 220В 50Гц 220В 50Гц 220В 50Гц
Електродвигун - номинальная мощность, кВт 2,2 2,2 2,0 2,5
Тип електродвигуна Асинхронный, однофазный з конденсатором, s6-40% Асинхронный, однофазный з конденсатором, s6-40% Асинхронный, однофазный з конденсатором, s6-40% Асинхронный, однофазный з конденсатором, s6-40%
Габарит і масса верстата
Габарит верстата (длна х ширина х высота), мм 860 × 520 × 250 920 × 585 × 330
Масса верстата, кг 48 73 43 64