metalinstryment.com
Довідник по металорізальних верстатів та пресовому обладнанні

5К822В Електроустаткування верстата
Електросхема верстата

5К822В Загальний вигляд  резьбошлифовального верстата







Відомості про виробника резьбошлифовального верстата 5К822В

Производитель резьбошлифовального верстата 5К822В Московский завод координатно-расточных верстатів «МЗКРС», основанный в 1942 году





Верстати, выпускаемые Московским заводом координатно-расточных верстатів МЗКРС


5К822В Верстат резьбошлифовальный універсальний. Назначение і область применения

Резьбошлифовальный верстат 5К822В предназначен для выполнения основних резьбошлифовальных операций:

Верстат применяется в инструментальных і производственных цехах машиностроительных заводов.

Верстат 5К822В автоматизирован і шлифует одно- і многониточными кругами, что делает его пригодным для серийной роботи.

Принцип роботи і особливості конструкції верстата

Стол верстата 5К822В з установленными на нем передньої і задньої бабками перемещается по направляющим качения. Шлифовальная бабка на станке барабанного типа. Поворот бабки на угол подъема різьби механизирован. Перемещение шлифовальной бабки происходит по направляющим качения. Шпиндель шлифовального круга смонтирован на прецизионных гідродинамических підшипниках. Привід вироби осуществляется от електродвигуна постоянного тока з бесступенчатым регулюванням частоти обертання. Механізм попадания в нитку позволяет перемещать стол независимо от приводу ланцюги шага на любую величину і во всем диапазоне длины шлифования, а также используется для осевой подачі стола. Для удобства попадания на вершину зуба затылуемого вироби в ланцюг диференціала встроен реверсивный електродвигатель, попадание происходит без остановки приводу вироби. Шлифование на станке може производиться тремя способами: з рабочим ходом стола в одну сторону, рабочим ходом стола в одну сторону і автоматическим ускоренным возвратом стола в исходное положение, рабочим ходом стола в обе стороны.

Выносное обладнання связано со верстатом готовой електропроводкой со штепсельными разъемами.

Класс точності верстата 5К822В - В.

Шероховатость прошлифованной поверхности різьби Ra < 0,63 мкм.

Корректированный уровень звуковой мощности LpA не должен превышать 93 дБА.

Верстат соответствует высшей категории качества.

Верстат принят к серийному производству в 1976 г.

Проектная организация — Московский завод координатно-расточных верстатів.


Шлифование різьби

Шлифование різьби

Шлифование різьби выполняют на специальных резьбошлифовальных верстатах. Шлифуют резьбу на термически обработанных деталях, имеющих большую твердость (более HRC 40), а также на виробих, требующих високою точності.

Шлифование ведется однониточным (фиг. 15, а) или многониточным кругом з поздовжньої подачей, а также многониточным широким кругом з поперечної (врезной) подачей при обработке коротких резьб.

При шлифовании однониточным кругом, его устанавливают на станке з наклоном оси круга к оси вироби, равным углу подъема різьби. Многониточные круги (фиг. 15, б), имеющие кольцевые канавки з профилем шлифуемой різьби, устанавливают параллельно оси обрабатываемой детали. Полная обработка різьби в данном случае Происходит за 1,3—1,4 оборота вироби.

Правка шлифовального круга совершается автоматически во время роботи резьбошлифовального верстата. Шлифование производят, как правило, мелкозернистыми електрокорундовыми кругами (ЭБ) на керамической или вулканитовой связке.


Розміри метрической різьби

Метрическая резьба


Класифікація резьб

Все різьби можно разделить на наступні группы:

Метрические різьби

Метрические різьби применяют головним образом в винтовых соединениях деталей.

Тугие метрические різьби применяются для посадки шпилек в корпусы изделий і в других подобных случаях, когда требуется устранить возможность вывинчивания шпильки при отвинчивании гайки или її самоотвинчивания без додаткових крепежных деталей.

Стандартами на метрические різьби предусматриваются елементы різьби диаметров до 1 мм (0,25—0,9 мм) і свыше 1 мм (1—600 мм).

Угол профиля метрических різьб составляет 60°.

Шаг метрических різьб измеряется в миллиметрах.

Вершина профиля гвинта і гайки выполняется плоско-срезанной, а впадина різьби гвинта і гайки — по радиусу.

Основні определения резьбообробки

Профиль різьби — след от сечения її витка плоскостью, проходящей через ось цилиндра, на котором образована резьба.

Угол профиля α — угол между боковыми сторонами профиля, измеряемый в осевой плоскости.

Шаг різьби s — расстояние между двумя одноименными сторонами профиля, измеренное вдоль оси різьби. Шаг різьби измеряется в миллиметрах или числом ниток (витков) на 1" (дюйм).

Ход різьби — длина переміщення гвинта вдоль его оси за один полный оборот. При многоходовой резьбе ход равен произведению шага на число заходов.

Наружный диаметр різьби d — диаметр цилиндра, описанного относительно вершин наружной різьби і впадин внутренней різьби.

Внутренний диаметр різьби d1 — диаметр цилиндра, описанного относительно впадин наружной різьби і вершин внутренней різьби.

Средний диаметр різьби d2 - диаметр цилиндра, пересекающего профиль різьби так, чтобы ширина впадин оказалась равной ширине выступов.

Длина свинчивания — длина сопряжения резьбовых поверхностей гвинта і гайки, измеренная вдоль оси різьби.

Высота профиля H — высота треугольника, полученного при продолжении боковых сторон профиля до их пересечения.

Рабочая высота витка h — наибольшая высота соприкосновения сторон профиля резьбовой пары, измеренная радиально.





Габарит робочого простору резьбошлифовального верстата 5К822В

5К822В Габарит робочого простору резьбошлифовального верстата

Габарит робочого простору верстата 5к822в


Посадочные і присоединительные базы резьбошлифовального верстата 5К822В

5К822В Посадочные і присоединительные базы резьбошлифовального верстата. Профиль стола і место установки правящих устройств

Профиль стола і место установки правящих устройств верстата 5к822в


5К822В Посадочные і присоединительные базы резьбошлифовального верстата. Четырехкулачковый патрон і поводковая планшайба

Четырехкулачковый патрон і поводковая планшайба верстата 5к822в


5К822В Посадочные і присоединительные базы резьбошлифовального верстата. Передний конец шлифовального шпинделя

Передний конец шлифовального шпинделя верстата 5к822в


Загальний вигляд і общее пристрій верстата 5К822В

Фото резьбошлифовального верстата 5к822в

Фото резьбошлифовального верстата 5к822в

Фото резьбошлифовального верстата 5к822в. Дивитись у збільшеному масштабі



5К822В універсальний резьбошлифовальный. Загальний вигляд

Фото резьбошлифовального верстата 5к822в


5К822В універсальний резьбошлифовальный. Загальний вигляд

Фото резьбошлифовального верстата 5к822в


5К822В універсальний резьбошлифовальный. Загальний вигляд

Фото резьбошлифовального верстата 5к822в


Розташування складових частин резьбошлифовального верстата 5К822В

5К822В Розташування складових частин резьбошлифовального верстата 5К822В

Розташування складових частин резьбошлифовального верстата 5к822в

Специфікація складових частин резьбошлифовального верстата 5К822В

  1. Станина верстата
  2. Механізм поперечної подачі
  3. Стол
  4. Электрошкаф
  5. Передня бабка
  6. Шлифовальная бабка
  7. Правящее пристрій
  8. Задня бабка
  9. Кожух верстата
  10. Пульт керування

Розташування органів керування резьбошлифовальным верстатом 5К822В

Розташування органів керування резьбошлифовальным верстатом 5к822в

Розташування органів керування резьбошлифовальным верстатом 5к822в

Список органів керування резьбошлифовальным верстатом 5К822В

  1. Маховик тонкой поперечної подачі
  2. Маховик поперечної подачі
  3. Винт зажиму лимба поперечної подачі на маховике
  4. Рукоятка швидкого подвода і відведення шлифовальной бабки
  5. Маховик механізма ввода круга в нитку різьби (осевая подача)
  6. Рукоятка пуска, реверса, останова стола і шпинделя вироби, ускоренного ходу стола
  7. Пульт керування приводом механізма разворота шлифовального круга на угол подъема різьби
  8. Вводной выключатель
  9. Маховик увімкнення руху стола (звено увеличения шага різьби)
  10. Ось для рукоятки подъема правящих устройств вручную
  11. Маховик переміщення алмазов вручную
  12. Кран охлаждения
  13. Розетка для подключения профильного микроскопа
  14. Ручка подвода і відведення заднего центра
  15. Лимб регулировки конусности
  16. Лимб коррекции шага шлифуемой різьби
  17. Пульт керування верстатом
  18. Лимб регулировки зусилля зажиму вироби в центрах
  19. Лимб регулировки зусилля поджима шпинделя шлифовального круга к подпятнику
  20. Винты регулировки зусилля натяжных пружин
  21. Оси зажиму шлифовальной бабки





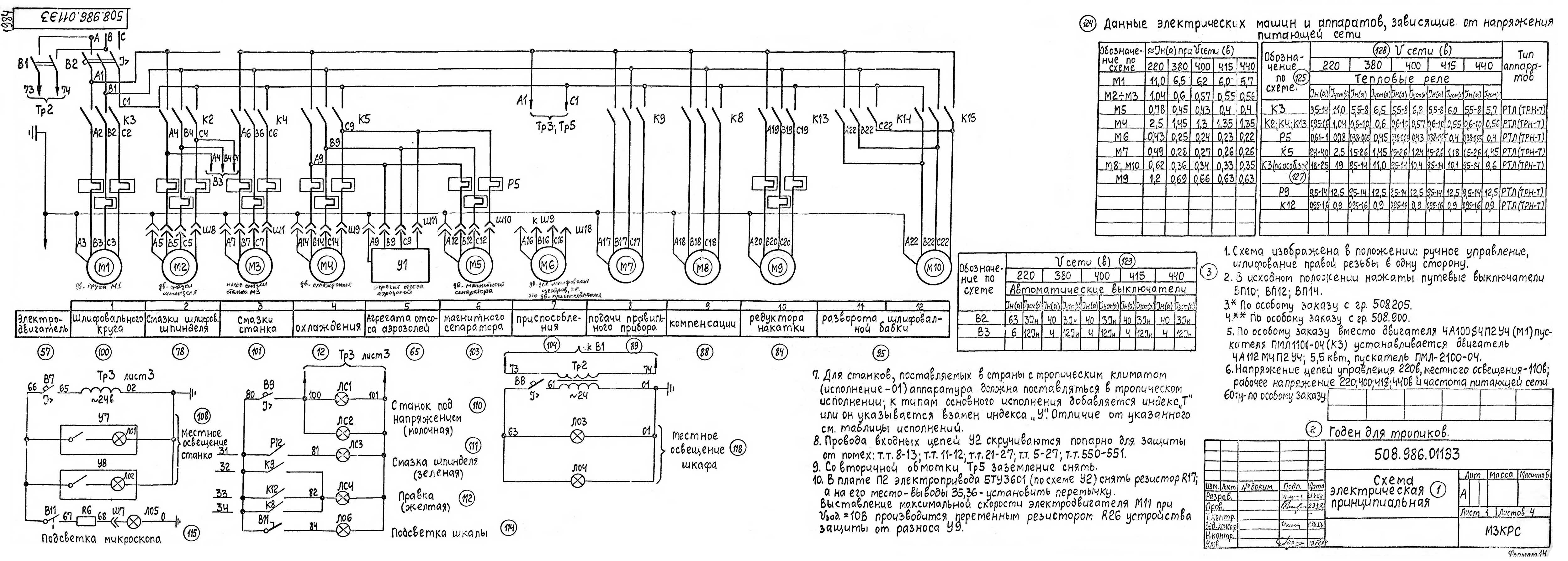
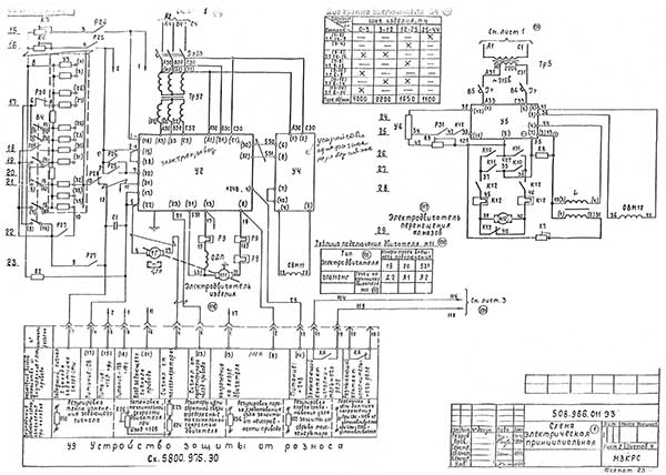
Електроустаткування резьбошлифовального верстата 5К821В, 5К822В



Документация по електрооборудованию резьбошлифовального верстата 5К822В - 508.986.018 ФЭ


Електрична схема резьбошлифовального верстата 5К822в

Електрична схема резьбошлифовального верстата 5822м

Електрична схема резьбошлифовального верстата 5К822в. Дивитись у збільшеному масштабі



Електрична схема резьбошлифовального верстата 5К822в

Електрична схема резьбошлифовального верстата 5822м

Електрична схема резьбошлифовального верстата 5К822в. Дивитись у збільшеному масштабі



Електрична схема резьбошлифовального верстата 5К822в

Електрична схема резьбошлифовального верстата 5822м

Електрична схема резьбошлифовального верстата 5К822в. Дивитись у збільшеному масштабі



Електрична схема резьбошлифовального верстата 5К822в

Електрична схема резьбошлифовального верстата 5822м

Електрична схема резьбошлифовального верстата 5К822в. Дивитись у збільшеному масштабі






5К822В Верстат резьбошлифовальный універсальний. Відеоролик.



Технічні характеристики резьбошлифовального верстата 5К822В

Наименование параметра 5К821В 5К822В 5К823В
Основні параметри верстата
Наибольший диаметр устанавливаемого вироби, мм 125 200 320
Наибольшая длина устанавливаемого вироби, мм 360 500 1000
Наибольший диаметр шлифовального круга, мм 400 400 500
Наибольший угол подъема винтовой линии шлифуемой різьби, мм ±30° ±30° ±45°
Величина переміщення шлифовальной бабки от механізма швидкого відведення, мм 6 6
Наибольший диаметр кінця шлифовального шпинделя, мм 50 50 65
Конус отверстия в шпинделе передньої бабки і пиноли задньої бабки Морзе 4 Морзе 4 Морзе 5
Наибольшая масса устанавливаемого вироби в центрах, кг 20 30 200
Пределы частот обертання шпинделя вироби - рабочих, об/мин 0,3..55 0,3..55
Пределы частот обертання шпинделя вироби - ускоренных, 1/мин 28..100 28..100
Наибольшая частота обертання шпинделя вироби при затыловании, 1/мин 27 27
Основні параметри верстата при шлифовании наружной різьби
Наибольший диаметр шлифуемой різьби однониточным кругом, мм 95 150 30..320
Наибольший диаметр шлифуемой різьби многониточным кругом, мм 65 120 30..320
Расстояние от вершины переднего центра до кінця зоны шлифования, мм 270 375
Шаг різьби, шлифуемой однониточным кругом - метрической, мм 0,25..12 0,25..24 1..75
Шаг різьби, шлифуемой однониточным кругом - дюймовой, число ниток на дюйм 28..4,5 28..3 24..3
Шаг різьби, шлифуемой однониточным кругом - модульной, мм 0,3π..4π 0,3π..8π 0,5π..25π
Шаг метрической різьби, шлифуемой многониточным кругом, мм 1..4 1..4 1..4
Наибольшая высота профиля шлифуемой різьби, мм 18 18 55
Наибольший ход винтовой линии шлифуемой різьби, мм 20 44 150
Число заходов шлифуемой многозаходной різьби 2,3,4,6,8,12,24 2,3,4,6,8,12,24 1,2,3,4,5,6,8,12
Наибольшая конусность шлифуемой наружной конической різьби 1:16 1:16 1:16
Наибольшая длина шлифуемой наружной конической різьби, мм 60 60
Величина затилочного переміщення шлифовальной бабки, мм 0,023..2,5 0,023..2,5
Число затылуемых зубьев 2,3,4,6,8,9,10,12 2,3,4,6,8,9,10,12
Наибольшее число двойных ходов шлифовальной бабки в минуту при наименьшем затыловочном перемещении 81 81
Высота однониточного шлифовального круга, мм 10 10
Высота многониточного шлифовального круга, мм 20, 40 20, 40
Половина угла профиля шлифуемой різьби, град 3..30 3..30
Окружная скорость шлифовального круга на диаметре 400 м/с (35;50)±5% (35;50)±5%
Число ступеней частоти обертання шлифовального круга 2 2 2
Основні параметри верстата при шлифовании внутренней різьби
Наибольший диаметр устанавливаемого вироби, мм 120 160 280
Диаметр шлифуемой різьби, мм 30..80 30..125 70..220
Наибольшая длина шлифуемой різьби при наибольшем її диаметре однониточным кругом, мм 45 75 80..100
Наибольшая длина шлифуемой різьби при наибольшем її диаметре многониточным кругом, мм 40 45
Наибольший угол подъема винтовой линии шлифуемой різьби, град ±6 ±6 ±10
Шаг різьби, шлифуемой однониточным кругом - метрической, мм 0,5..6 0,5..6 1..6
Шаг різьби, шлифуемой - дюймовой, число ниток на дюйм 28..4 28..4
Шаг різьби, шлифуемой однониточным кругом - модульной, мм 0,2π..2π 0,2π..2π
Шаг метрической різьби, шлифуемой многониточным кругом, мм 1..3 1..3
Наибольшая конусность шлифуемой внутренней конической різьби 1:16 1:16
Наибольшая длина шлифуемой внутренней конической різьби, мм 45 60
Наибольшая высота профиля шлифуемой різьби, мм 18 18
Наибольший ход винтовой линии шлифуемой різьби, мм 20 44
Число заходов шлифуемой многозаходной різьби 2,3,4,6,8,12,24 2,3,4,6,8,12,24
Высота однониточного шлифовального круга, мм 6 6
Высота многониточного шлифовального круга, мм 20 20
Диаметр шлифовального круга, мм 25..63 63..100 50..175
Число ступеней частоти обертання шлифовального круга 2 2
Окружная скорость шлифовального круга, м/с 35 35
Частота обертання шлифовального круга на диаметре более 65 мм, 1/мин 6270 6270 3720, 6370, 11450
Частота обертання шлифовального круга на диаметре менее 65 мм, 1/мин 10160 10160
Привід і електрообладнання верстата
Количество електродвигателей на станке
Електродвигун головного приводу - шлифовального шпинделя М1, кВт 3 3 5,5
Електродвигун змазки шлифовального шпинделя М2, кВт 0,18 0,18
Електродвигун змазки верстата М3, кВт 0,18 0,18
Електродвигун насоса охлаждения М4, кВт 0,55 0,55
Електродвигун магнитного сепаратора М5, кВт 0,12 0,12
Електродвигун приспособления М6, кВт 0,09 0,09
Електродвигун подачі правильного прибора М7, кВт 0,06 0,06
Електродвигун компенсации М8, кВт 0,09 0,09
Електродвигун накатки М9, кВт 0,25 0,25
Електродвигун разворота шлифовальной бабки М10, кВт 0,09 0,09
Електродвигун вироби М11 =110В, кВт 1,1 1,1
Електродвигун переміщення алмазов М12 =110В, кВт 0,055 0,055
Суммарная мощность електродвигателей, кВт
Габаритные розміри і масса верстата
Габаритные розміри верстата (длина х ширина х высота), мм 2100 х 2505 х 1710 2330 х 2490 х 1710 3782 х 2510 х 2000
Масса верстата з електрообладнанням і охолодженням, кг 4590 5090 8800

    Список литературы

  1. Полуавтоматы зубодолбежные 5М150, 5М150П, 5М161. Руководство по експлуатации 5М150.00.000 РЭ, 1981

  2. Колев Н.С. Металлорежущие верстати.
  3. Гальперин Е.И. Наладка зуборезных верстатів, 1960.
  4. Козлов Д.Н. Зуборезные роботи, 1971.
  5. Лоскутов В.В., Ничков А.Г. Зубообрабатывающие верстати, 1978.
  6. Малахов Я.А. Зубообрабатывающие і резьбофрезерные верстати і их наладка, 1972.
  7. Мильштейн М.З. Нарезание зубчатых колес, 1972.
  8. Овумян Г.Г., Адам А.И. Справочник зубореза, 1983.
  9. Птицин Г.А., Кокичев В.Н. Зуборезные верстати, 1957.
  10. Сильвестров Б.Н., Захаров И.Д. Конструкція і наладка зуборезных і резьбофрезерных верстатів, 1979.
  11. Шавлюга Н.И. Расчет і примеры наладок зубофрезерных і зубодолбежных верстатів, 1978.
  12. Руководящий материал для конструкторов, проектирующих технологическую оснастку. Основні данные і посадочные места металлорежущих верстатів. НИИМАШ, 1968.









Заказать

Кто владеет информацией - тот владеет миром.

Натан Ротшильд