metalinstryment.com
Довідник по металорізальних верстатів та пресовому обладнанні

525 Електроустаткування верстата
Електросхема верстата

525 Загальний вигляд  зубострогального верстата







Відомості про виробника зуборезного напівавтомату 525

Производитель зуборезного верстата - напівавтомату 525 Московский завод координатно-расточных верстатів «МЗКРС», основанный в 1942 году і ЭНИМС Экспериментальный научно-исследовательский институт металлорежущих верстатів, основанный 19 мая 1933 г.





Верстати, выпускаемые Московским заводом координатно-расточных верстатів МЗКРС


525 Верстат зуборезный для нарізання спиральных конических колес. Назначение і область применения

Зуборезный верстат 525 производился серийно з 1956 года.

Полуавтомат 525 предназначается для чернового і чистового нарізання всех типов конических колес з круговыми зубьями, гипоидных колес і шестерен полуобкатных передач на скоростных режимах з високою степенью точності обробки.

Верстат изготовляется в двух исполнениях: з механізмом модификации обката і без него. Пристрій для модификации обката служит для небольшого изменения формы профиля зубьев, исправления угла зацепления или диагонального контакта.

На станке можно нарезать:

  1. Конические колеса со спиральными зубьями;
  2. Гипоидные колеса;
  3. Конические колеса з непрямым углом между осями;
  4. Шестерни для полуобкатных передач.

Наилучшие результаты верстат 525 дает в условиях серийного производства от крупных колес диаметром до 500 мм і модулем до 10 мм - до мелких зубчатых колес диаметром до 20-25 мм мм і модулем 2,5 мм.

При етом требуется минимальный комплект резцовых головок, количество которых при при одностороннем однономерном методе нарізання составляет 6 штук.

При массовом производстве рекомендуется применять особый комплект из 4-5 штук резцовых головок для каждой нарезаемой пары, что значительно повышает производительность і улучшает качество нарезаемых колес.

Принцип роботи верстата 525

Верстат 525 работает как по методу обкатки, так і по методу врізання.

Черновое нарезание зубьев производят методом врізання, при котором образование зубьев осуществляется путем постепенного приближения заготовки к инструменту. В етом случае величина обкатки берется очень малой, необходимой только для того, чтобы після каждого цикла инструмент попадал в соседнюю впадину. Быстрый подвод стола заменяется медленной рабочей подачей, при которой режущий инструмент (резцовая головка) постепенно врезается в заготовку. По достижении полной глубины -впадины стол быстро отводится і обкатная люлька поворачивается в обратную сторону.

Метод обкатки используется при чистовом нарезании. При етом необходимо наличие двух движений; руху різання і руху обкатки. Обкаточное рух продолжается в течение всего часу, необходимого для обробки одной впадины. После етого заготовка отводится от инструмента, а люлька, несущая резцовую головку з инструментом, быстро поворачивается в обратном направлении до исходного положения. Заготовка при етом продолжает вращаться в ту же сторону, что і во время обробки. Благодаря етому за время холостого ходу люльки заготовка успевает повернуться на определенное число зубьев.

Для нарізання на заготовке всех зубьев необходимо, чтобы они при каждом цикле поворачивались на целое число зубьев, не имеющее общих множителей з числом зубьев нарезаемого колеса. При несоблюдении етого условия инструмент після каждого цикла не будет попадать в новую впадину.

По окончании обробки всех впадин верстат автоматически останавливается.

Наличие механізма модификации обкатки позволяет производить нарезание шестерен для полуобкатных передач, а также шестерен з большой длиной образующей начального конуса.

Особливості конструкції верстата 525

Отличительной особенностью напівавтомату 525 является отсутствие реверсирования заготовки, непрерывный процесс деления заготовки і реверсирование обкатной люльки з помощью составного колеса.

Время холостого ходу не зависит от продолжительности цикла обробки.

В станке моделі 525 холостой ход може осуществляться з двумя скоростями; (при нарезании шестерни з z≤115 продолжительность холостого ходу составляет 5 сек/зуб, при нарезании шестерни з z≥16 — 2,5 сек/зуб.

Перемещение стола з обрабатываемой заготовкой, крепление заготовки на оправке в шпинделе бабки вироби і переключение фрикционной муфты осуществляется гідроприводом.


Список литературы для налаштування верстата

  1. Верстат для нарізання спиральнозубых конических колес моделі 525. Руководство к верстату, ЭНИМС, МЗКРС 1956 год.
  2. Инструкция по расчету наладочных установок зуборезных верстатів моделі 525 і 528 для нарізання конических колес со спиральными зубьями, ЭНИМС, МЗКРС.
  3. Руковдство по расчету геометрических размеров гипоидных зубчатых колес і наладок для их нарізання на верстатах моделей 525, 528с, 5а27с1, Саратовский завод тяжелых зуборезных верстатів, 1967 год.
  4. Руковдство по расчету наладок верстатів 525, 528с і 5а27с4п для нарізання конических колес методом обкатки, Саратовский завод тяжелых зуборезных верстатів, 1969 год.

Верстати для нарізання конических колес з круговыми зубьями

Конические шестерни передают крутящий момент в механізмах, где валы соединяются между собой под углом 90 градусов. Это могут быть автомобильные диференціалы, редукторы, дробилки і приводы.

При обработке конических колес з круговыми зубьями в качестве производящего колеса принимают плоское колесо 1, зубья которого направлены по дуге окружности радиуса r (рис. 136). Заготовка 2 в процессе обробки обкатывается з производящим колесом 1, зубья которого воспроизводятся резцовой головкой 3, вращающейся вокруг точки О1. Профиль резцов соответствует профилю зубьев производящего колеса. Проходя на участке А А 1 они имитируют один зуб производящего колеса.


Схема нарізання колес з круговыми зубьями

Схема нарізання колес з круговыми зубьями


При обработке колес з круговыми зубьями необходимо осуществить наступні формообразующие руху:

Согласованность обертання люльки 1 (рис. 137) і заготовки 2 достигается сменными колесами 4, рассчитываемыми в зависимости от числа зубьев нарезаемого колеса. Вершины резцов 3 должны передвигаться по образующей внутреннего конуса нарезаемого колеса, для етого колесо необходимо установить под углом φ внутреннего конуса к плоскости, в которой передвигаются вершины резцов.


Резцовая головка для нарізання колес з круговыми зубьями

Резцовая головка для нарізання колес з круговыми зубьями


Заготовка должна устанавливаться относительно центра верстата в правильное положение. Центром верстата называется точка, в которой пересекаются горизонтальная ось ОО2 люльки, ось ОО1 шпинделя бабки і вертикальная ось О поворотного стола. Через центр стола должна проходить плоскость, в которой передвигаются вершины резцов головки, і з центром стола должна совпадать вершина начального производящего конуса нарезаемого колеса.

Резцовая головка (рис. 138, а) выполняется в виде диска з пазами, в которые вставляются і крепятся резцы перпендикулярно торцовой плоскости диска. Резцы бывают наружные (рис. 138, б) і внутренние (рис. 138, в).

Кроме того, резцы подразделяются на праворежущие і леворежущие, отличающиеся только расположением режущих кромок.

Конические колеса з круговым зубом нарезаются на верстатах 527, 5П23А, 525, 528С 5А27С1 і др.





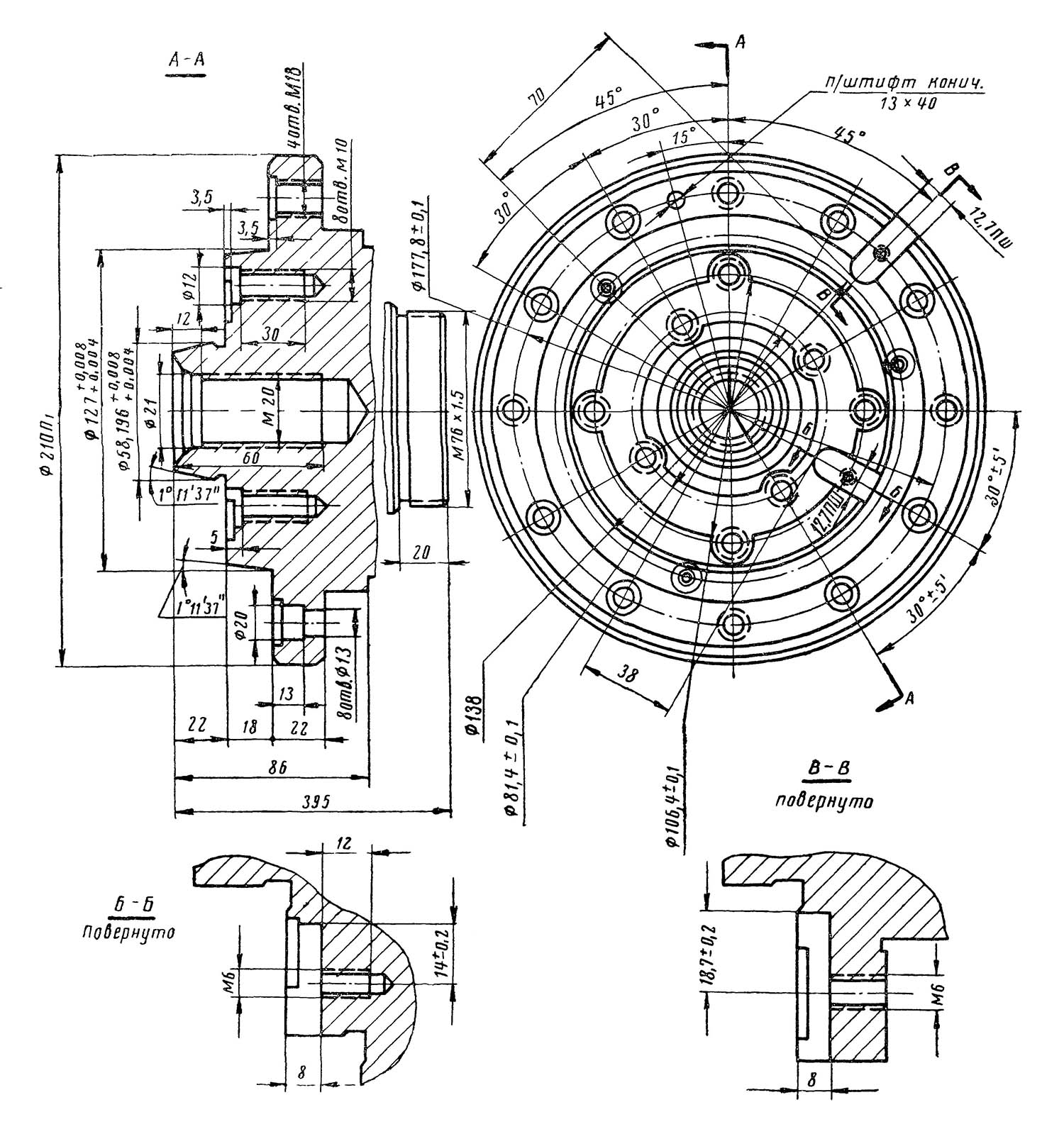
Посадочные і присоединительные базы инструмента зуборезного верстата 525

525 Посадочные і присоединительные базы зуборезного напівавтомату 525

Кінець шпинделя инструмента зуборезного верстата 525

Фото зуборезного верстата 525. Дивитись у збільшеному масштабі



525 Посадочные і присоединительные базы зуборезного напівавтомату 525

Кінець шпинделя вироби зуборезного верстата 525


525 Загальний вигляд зуборезного верстата

525 напівавтомат зуборезный. Загальний вигляд

Фото зуборезного верстата 525


Фото зуборезного верстата 525

Фото зуборезного верстата 525

Фото зуборезного верстата 525. Дивитись у збільшеному масштабі



Фото зуборезного верстата 525

Фото зуборезного верстата 525

Фото зуборезного верстата 525. Дивитись у збільшеному масштабі



Керування гідравликой зуборезного верстата 525

Керування гідравликой зуборезного верстата 525. Дивитись у збільшеному масштабі



525 Розташування складових частин зуборезного напівавтомату 525

525 Розташування складових частин зуборезного напівавтомату 525

Розташування основних вузлів верстата 525

Розташування складових частин зуборезного напівавтомату 525. Дивитись у збільшеному масштабі



525 Розташування складових частин зуборезного напівавтомату 525

Розташування складових частин верстата 525. Вид сзади


Специфікація органів керування зуборезным напівавтоматом 525

  1. Увімкнення верстата в сеть /главный включатель/;
  2. Кнопка пуска електродвигуна гідравлики;
  3. Маховичок ручного обертання резцовой головки;
  4. Рукоятка відведення і подвода стола і зажиму заготовки;
  5. Кран охлаждения;
  6. Винт зажиму бабки вироби;
  7. Лимб гвинта вертикального смещения бабки вироби;
  8. Винт для точной установки угла внутреннего конуса;
  9. Рукоятка увімкнення ручного приводу і переключения швидкостей ускоренного ходу;
  10. Щуп для контроля уровня масла в резервуаре гідравлики;
  11. Щуп для контроля уровня масла в резервуаре охлаждения;
  12. Пакетный выключатель для виключення електронасоса для роботи без охлаждения;
  13. Кнопочная станція керування работой головного електродвигуна;
  14. Регулятор скорости роботи транспортера стружки;
  15. Лимб і муфта для поворота шпинделя бабки вироби.

Специфікація складових частин зуборезного напівавтомату 525

  1. Станина - 52511001
  2. Ограждение - 5251201
  3. Транспортер стружки - 5251401
  4. Приводная коробка - 52521001
  5. Люлька з корпусом - 52531001
  6. Червяк люльки - 52532001
  7. Бабка вироби - 52541001
  8. Стол - 52542001
  9. Гідрозажим - 52545001
  10. Реверсивный механізм - 52551001
  11. Распределительный механізм - 52552001
  12. Гідрообрудование - 5256101
  13. Счётчик циклов - 5257501
  14. Електроустаткування - 5258101
  15. Пульт керування - 5258201

Принадлежности





Схема кінематична зуборезного верстата 525

Схема кінематична зуборезного верстата 525

Кінематична схема зуборезного верстата 525

1. Кінематична схема зуборезного верстата 525. Дивитись у збільшеному масштабі

2. Кінематична схема зуборезного верстата 525. Дивитись у збільшеному масштабі



Привід головного руху — вращение шпинделя резцовой головки — осуществляется з помощью електродвигуна 70 і ланцюги передач: зубчасті пары 1—2, 3—4, сменные колеса гітари швидкостей а4—b4, с4—d4, колеса 7—8, 9—10.

Ланцюг обката обеспечивает согласованное вращение люльки і заготовки. Рух от вала IX передається через коническую пару 41—42 зубчатому колесу 43, сцепленному з составным зубчатым колесом (см. также справа). Последнее состоит из участков наружного 65 і внутреннего 66 зацеплений, соединенных между собой полушестернями 63 і 64. Во время контакта колеса 43 з участком внутреннего зацепления происходит рабочий ход верстата, а при сцеплении з остальной частью колеса — холостой ход, в обратном направлении.

При зацеплении колеса 43 з переходными полушестернями оно перемещается вместе з конической парой 41—42. Диск 44 имеет зубчатый венец, сцепляющийся з колесом 45. Последнее сидит на ведущем валу гітари обката a3/b3 · c3/d3, через которую рух передається конической паре 49—50, і всей ланцюги колес, от которой получает вращение червяк 62 люльки.

Колесо 45 зацеплено з валом гітари обката через зубчатую муфту колеса 47. Если післяднюю передвинуть до сцепления з колесом 48, то рух будет передаваться через перебор 45—46, 48—47, при етом редукция будет 1 : 5.

В станке предусмотрена ланцюг модификации обката. Она служит для сообщения червяку люльки 67 осьового переміщення, вызывающего добавочный небольшой поворот люльки з переменной скоростью, необходимый для нарізання конических колес некоторых разновидностей. Механізм модификации обката получает рух от колеса 57, сидящего на валу червяка люльки і сцепляющегося з колесом 58. Далее рух передається через гітару модификации обката і червячную пару 59—60 втулке, на которой ексцентрично установлен ролик, к которому посредством гідравлики прижимается стакан, связанный з червяком люльки. При работе верстата ексцентриковый ролик, совершая планетарное движение, заставляет червяк люльки перемещаться в осевом направлении з переменной скоростью.





Електроустаткування зуборезного верстата для нарізання спиральных конических колес моделі 525. 1954 год


Система живлення зуборезного верстата 525

Питание ланцюгів електроустаткування осуществляется следующими напряжениями:

Питание верстата осуществляется от сети трехфазного переменного тока напряжением 380 В, частотой 50 Гц.

Таблиця 6


Увімкнення зуборезного верстата 525

Зуборезный верстат 525 включается пакетным выключателем ВВ. С помощью пакетного выключателя напряжение подается в ланцюг керування верстата.


Керування зуборезным верстатом 525

При нажатии кнопки «Пуск» 7КУ (в точках Л35-2) получает питание катушка контактора 2К.

Контактор 2К включает електродвигатель гідравлики 3М.

Одновременно контактор 2К замыкает свои н.о. блокконтакты.

Блокконтакт 2К ставит катушку контактора 2К на самопитание, второй блокконтакт 2К включает зеленую сигнальную лампочку ЛС, находящуюся на пульті керування.

При нажатии одной из кнопок «Пуск» 5КУ на пульті керування или 6КУ на другом пульті керування сзади верстата получает питание катушка промежуточного реле 1РП.

Промежуточное реле 1РП замыкает свои н.о. контакты.

Контактом 1РП ставится на самопитание катушка реле 1РП.

Контактор 1К включает електродвигатель приводу верстата 2М.

Для толчкового увімкнення електродвигуна приводу верстата следует нажать одну из кнопок «Толчок» 3КУ, находящуюся на пульті керування или 4КУ на другом пульті керування сзади верстата.

При етом получает питание катушка контактора 1К включает електродвигатель 2М на время нажатия кнопки.

Увімкнення охлаждения производится пакетным выключателем ВН.

При включенном выключателе ВВ одновременно з електродвигуном верстата 2М получает питание електродвигатель 1М – насоса охлаждения.

Выключение електродвигуна 2М производится нажатием одной из кнопок «Стоп» 2КУ на пульті керування или 1КУ на другом пульті керування сзади верстата.

Автоматическое вимкнення електродвигуна 2М після нарізання всех зубьев нарезаемого колеса производится от счетного механізма, настроенного на определенное количество зубьев. После окончания обробки счетный механізм импульсно нажимает на конечный выключатель 2ПВ, при етом его н.о. контактом включается промежуточное реле 2РП.

Реле 2РП при включении н.о. контактом 13-14 становится на самопитание і н.о. контактом включает електромагнит сброса счета Э. Происходит сброс счета, путевой выключатель після схода з упора своим н.з. контактом включает реле 3РП.

Реле 3РП при включении н.з. контактом отключает 1К і 1РП, что приводит к отключению двигуна приводу верстата 2М і двигуна охлаждения 1М.

При нажатии одной из кнопок «Пуск» 5КУ или 6КУ для увімкнення повторного цикла н.з. контактами етих кнопок реле 2РП отключается.


Блокировка

Для невозможности увімкнення електродвигуна 2М при ручном управлении установлен конечный выключатель 1ПВ, который освобождается при повороте рукоятки керування «Ручное керування включено» і открывает н.о. контакт в точках 2-5, тем самым предотвращается увімкнення контактора 1К.


Захист

- Захист от коротких замыканий осуществляется предохранителями 1П, 2П, 3П.

- Захист от исчезновения і падения напряжения (нулевая защита) осуществляется контактором 2К.

- Захист електродвигателей от перегрузок осуществляется тепловым реле 1РТ, 2РТ, 3РТ.





525 Верстат зуборезный напівавтомат. Відеоролик.



Технічні характеристики зуборезного верстата 525

Наименование параметра 525 528с
Основні параметри верстата
Класс точності верстата по ГОСТ 8-82 і ГОСТ 659-78 Н Н
Наибольший окружной модуль нарезаемого колеса, мм 10 16
Наибольшая длина образующей начального конуса при угле спирали 0° / 30°, мм 180 /260 285 / 420
Наименьшая длина образующей, мм 0 0
Наибольший диаметр делительной окружности нарезаемых колес при передаточном отношении нарезаемой пары 10:1 при угле спирали 0° / 30°, мм 500 / 360 575 / 800
Наибольший диаметр делительной окружности нарезаемых колес при передаточном отношении нарезаемой пары 2:1 при угле спирали 0° / 30°, мм 450 / 320 520 / 750
Наибольший диаметр делительной окружности нарезаемых колес при передаточном отношении нарезаемой пары 1:1 при угле спирали 0° / 30°, мм 350 / 250 395 / 600
Угол внутреннего конуса (начального конуса), град 4°..90° 5°30`..84°
Наибольшее передаточное отношение нарезаемой пары при угле между осями 90° 10:1 10:1
Наибольшая длина зуба нарезаемого колеса (Наибольшая ширина зубчатого венца), мм 65 100
Наибольшая высота нарезаемого зуба, мм 20
Наибольшее число нарезаемых зубьев 5..100 4..100
Угол спирали, град 0°..50°
Угол наклона зуба, град 0°..45°
Инструментальная бабка. Розміри инструмента
Диаметры резцовых головок, мм 6", 9", 12" 250, 315, 500
Люлька
Поворот люльки при наладке, град 0..360° 0..360°
Установка угла ексцентрикового барабана, град 0..240 0..180
Соответствующее радиальное смещение шпинделя резцовой головки, мм 0..126 340
Наибольший угол качания люльки от центрального положения вверх і вниз, град 0..60° 0..60°
Точность отсчета по шкале поворота люльки, мин 1
Одно деление шкалы поворота ексцентрикового барабана, мин 20
Расстояние от центра верстата до торца шпинделя (опорный торец для установки резцовой головки), мм 67,3
Бабка вироби (Ділильна бабка)
Расстояние от торца шпинделя бабки вироби до центра верстата, мм 60..360 135..600
Вертикальное смещение шпинделя вниз от центрального розположення при установленном расстоянии от торца шпинделя бабки вироби до центра верстата до 115 / свыше 115, мм 10 / 75
Вертикальное смещение шпинделя вниз от центрального розположення при установленном расстоянии от торца шпинделя бабки вироби до центра верстата 135..325, мм 20
Вертикальное смещение шпинделя вниз от центрального розположення при установленном расстоянии от торца шпинделя бабки вироби до центра верстата 326..600, мм 100
Вертикальное смещение шпинделя вверх от центрального положения, мм 75 110
Розміри конического / сквозного отверстия в шпинделе, мм 100 / 78 153 / 125
Точность отсчета по шкале осевой установки бабки, мм 0,01
Точность отсчета по шкале установки бабки на угол внутреннего конуса, мин 1
Одно деление шкалы отсчета установки бабки на угол внутреннего конуса, мин 10
Установка бабки на угол внутреннего конуса, град 5°30`..84°
Одно деление шкалы гипоидного смещения бабки, мм 1
Стол
Наибольшее смещение от центрального положения,мм ±25 ±25
Привід і електрообладнання верстата
Количество електродвигателей, установленных на станке
Електродвигун головного привода, кВт (об/мин) 4,5 (2870) 10 (2920)
Електродвигун гідропривода, кВт (об/мин) 1,7 (930) 2,2 (1430)
Електродвигун приводу гідронасоса охлаждения, кВт (об/мин)<
Суммарная мощность електродвигателей, кВт
Габаритные розміри і масса верстата
Габаритные розміри верстата (длина х ширина х высота), мм 2200 х 1600 х 1600
Масса верстата з електрообладнанням і охолодженням, кг 7000

Использованная литература:


  1. Верстат для нарізання спиральнозубых конических колес модедели 525, 1954 год, ЭНИМС і завод "Станкоконструкция"

  2. Гальперин Е.И. Наладка зуборезных верстатів. 1960.
  3. Ачеркан Н.С. Металлорежущие верстати. Том 1. 1965.
  4. Кучер А.М. Киватицкий М.М. Покровский А.А. Металлорежущие верстати. (Альбом общих видов, кинематических схем і вузлів) 1972.
  5. Руководящий материал для конструкторов, проектирующих технологическую оснастку. Основні данные і посадочные места металлорежущих верстатів. НИИМАШ, 1968.
  6. Малахов Я.А. Зубообрабатывающие і резьбофрезерные верстати і их наладка. 1972.
  7. Мильштейн М.З. Нарезание зубчатых колес. Москва, 1972.
  8. Лоскутов В.В. Ничков А.Г. Зубообрабатывающие верстати. Москва, М. 1978.
  9. Птицин Г.А. Кокичев В.Н. Зуборезные верстати. 1957.









Заказать

Кто владеет информацией - тот владеет миром.

Натан Ротшильд