metalinstryment.com
Довідник по металорізальних верстатах та пресовому обладнанні

На головну сторінку 🏠

3М193, 3М194, 3М195, 3М196, 3М197 Схема електрична круглошліфувального верстата

Схема електрична круглошліфувального верстата з горизонтальним шпинделем 3М193, 3М194, 3М195, 3М196, 3М197







Відомості про виробника круглошліфувального верстата напівавтомата 3М193

Виробник круглошліфувального верстата напівавтомата 3М193 - Харківський верстатобудівний завод .

Завод заснований 29 січня 1936 року та спеціалізується на виробництві універсальних та спеціальних круглошліфувальних верстатів.





Верстати, що випускаються Харківським верстатобудівним заводом


3М193, 3М194, 3М195, 3М196, 3М197 важкий верстат круглошліфувальний з горизонтальним шпинделем універсальний напівавтомат. Призначення та сфера застосування

Важкий круглошліфувальний верстат 3М193 призначений для зовнішнього шліфування циліндричних виробів та пологих конусів.

Принцип роботи та особливості конструкції верстата

Круглошліфувальний верстат 3М193 має безступінчасте регулювання частоти обертання виробу, швидкостей поперечних та поздовжніх подач, що забезпечує можливість шліфування на оптимальних режимах.

Швидкість різання верстата 50 м/с (9840 об/хв) гарантує високу продуктивність та якість шліфування.

Шпиндель шліфувального кола обертається в гідродинамічних підшипниках ковзання з проточним мастилом, що завдяки відсутності зносу підшипників забезпечує незмінні умови шліфування при будь-якій швидкості різання.

Кулькова гвинт-гайка кочення в механізмі подач гарантує високу точність переміщення шліфувальної бабки на заданий розмір незалежно від зовнішніх навантажень, що виникають на бабку.

Застосування направляючих кочення підвищує чутливість шліфувальної бабки та нижнього столу до малих переміщень, забезпечуючи цим високу повторюваність позиціонування.

Гідравлічне обладнання та електроапаратура винесені за межі верстата, що значно знижує вплив температурних деформацій та вібрацій на точність обробки.

Установка двоступінчастого очищення СОЖ сприяє підвищенню якості шліфування та збільшенню терміну служби СОЖ.

Індикатор контролю розмаху коливань шліфувального кола допомагає за допомогою балансувального пристрою швидко звести до мінімуму дисбаланс шліфувального кола.

Верстати 3М193 можуть комплектуватися правильними приладами:




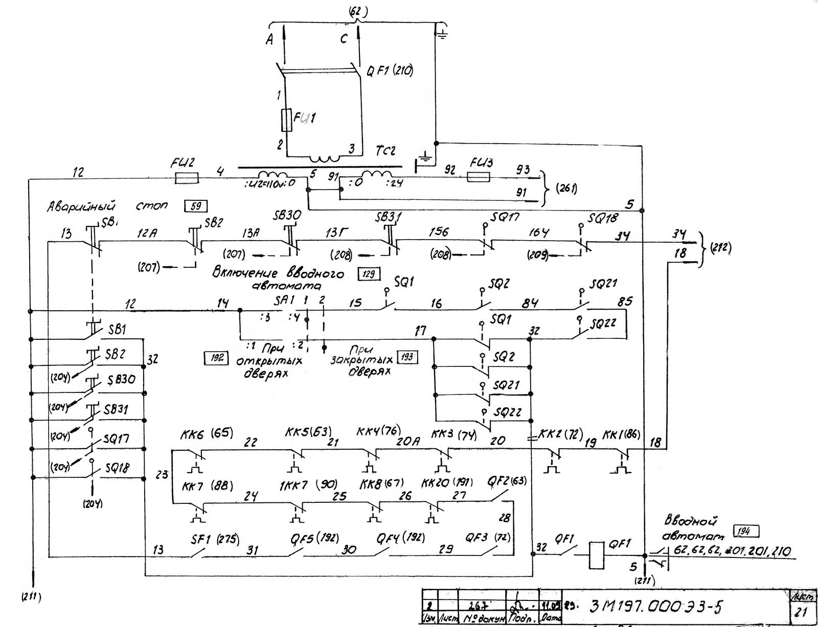
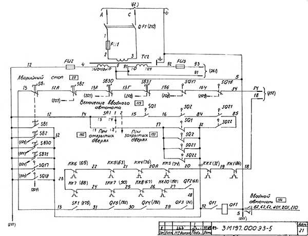
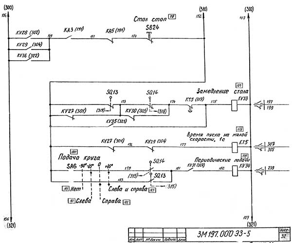
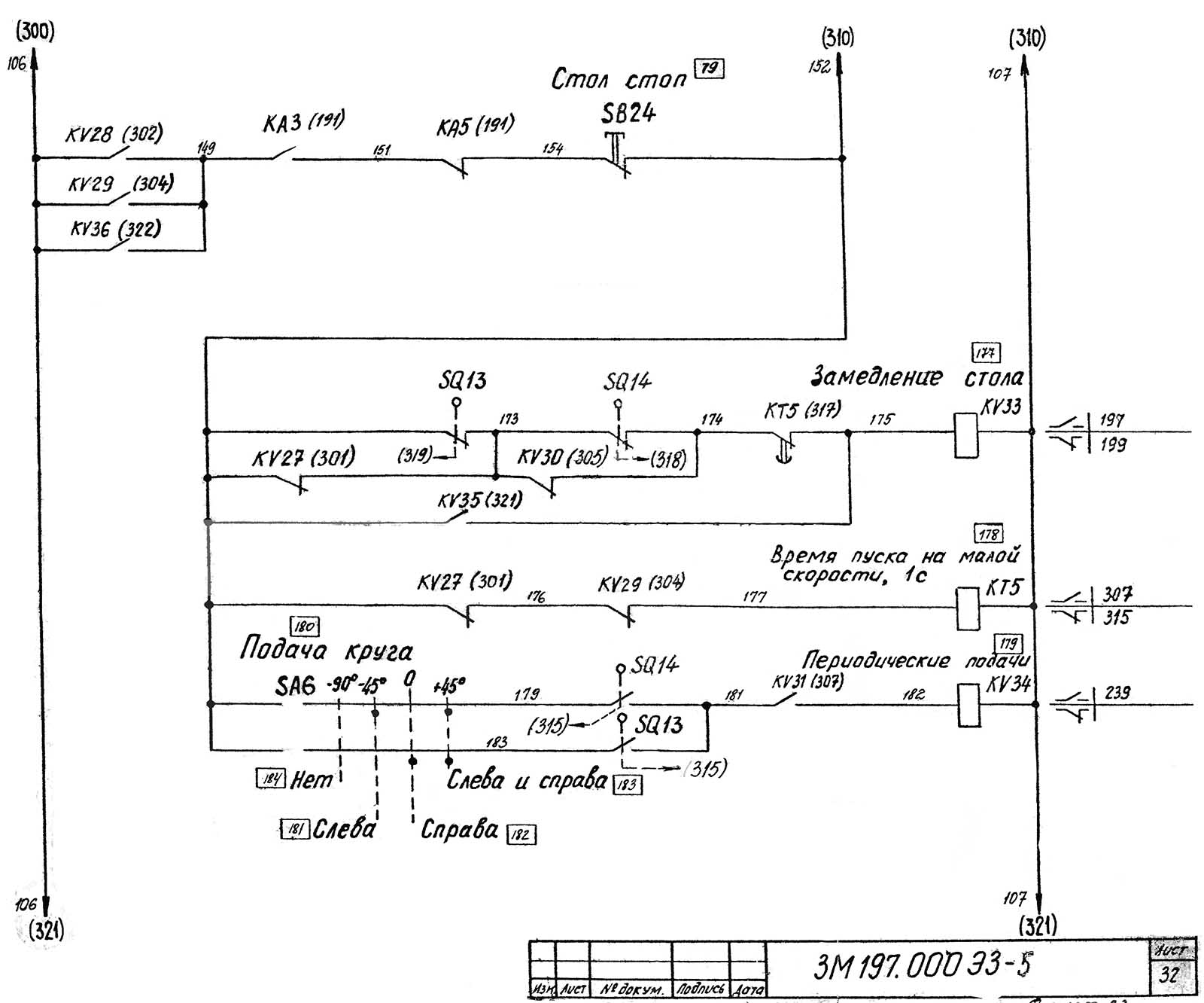
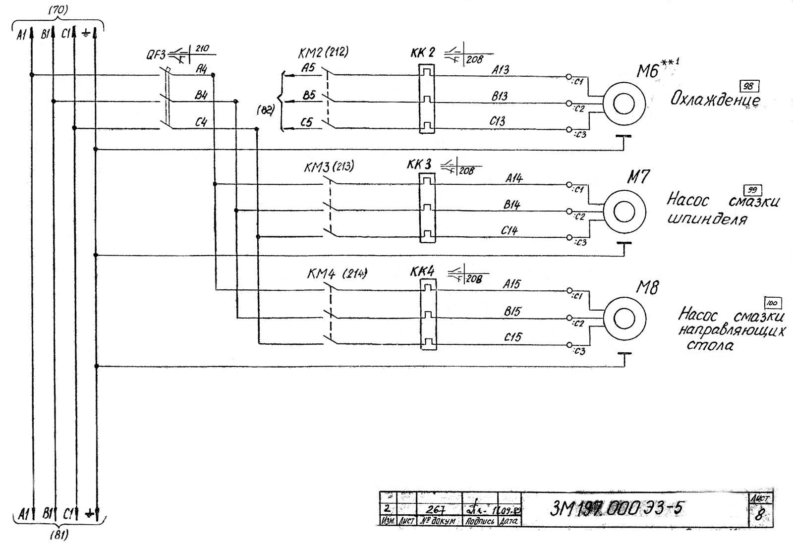
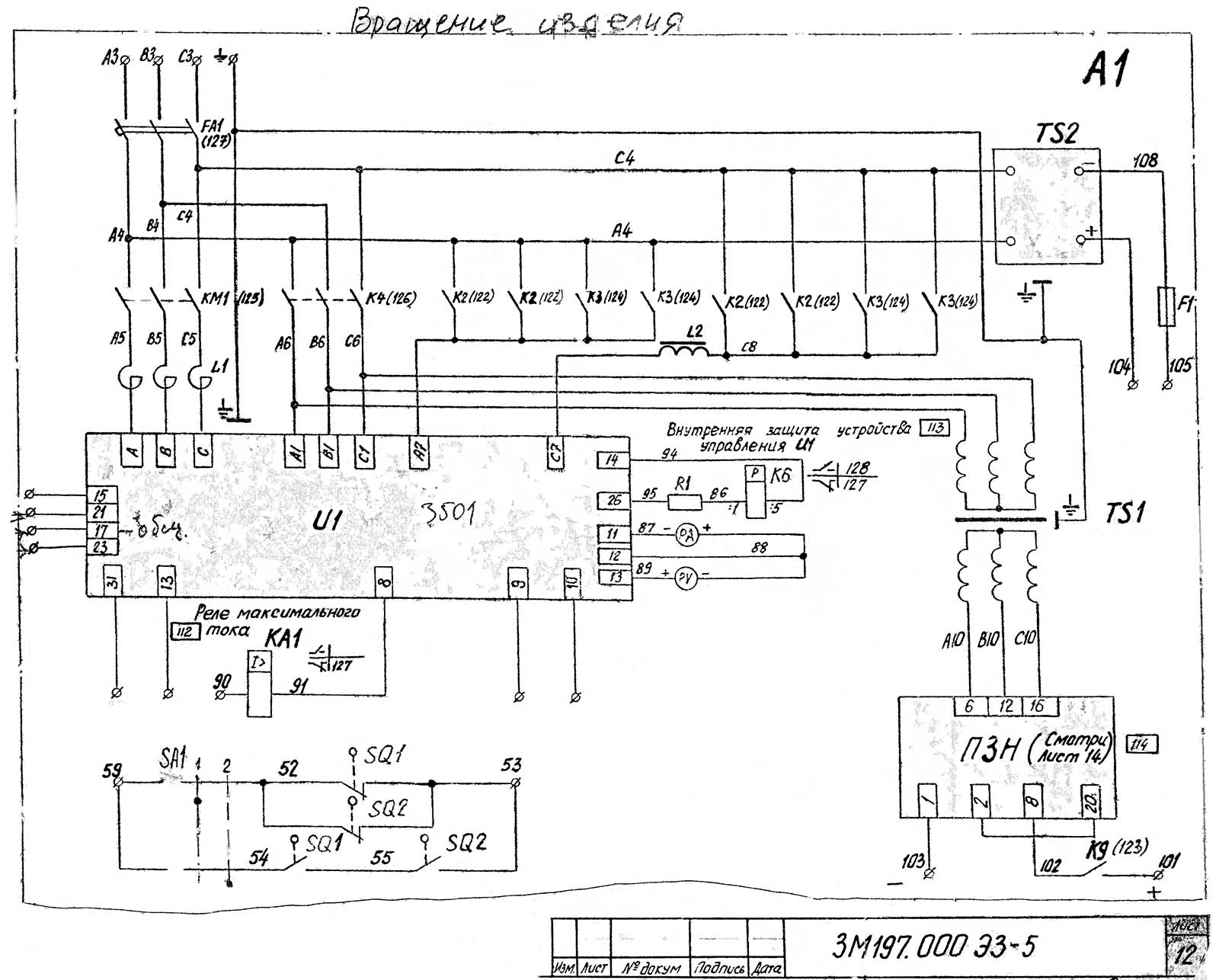
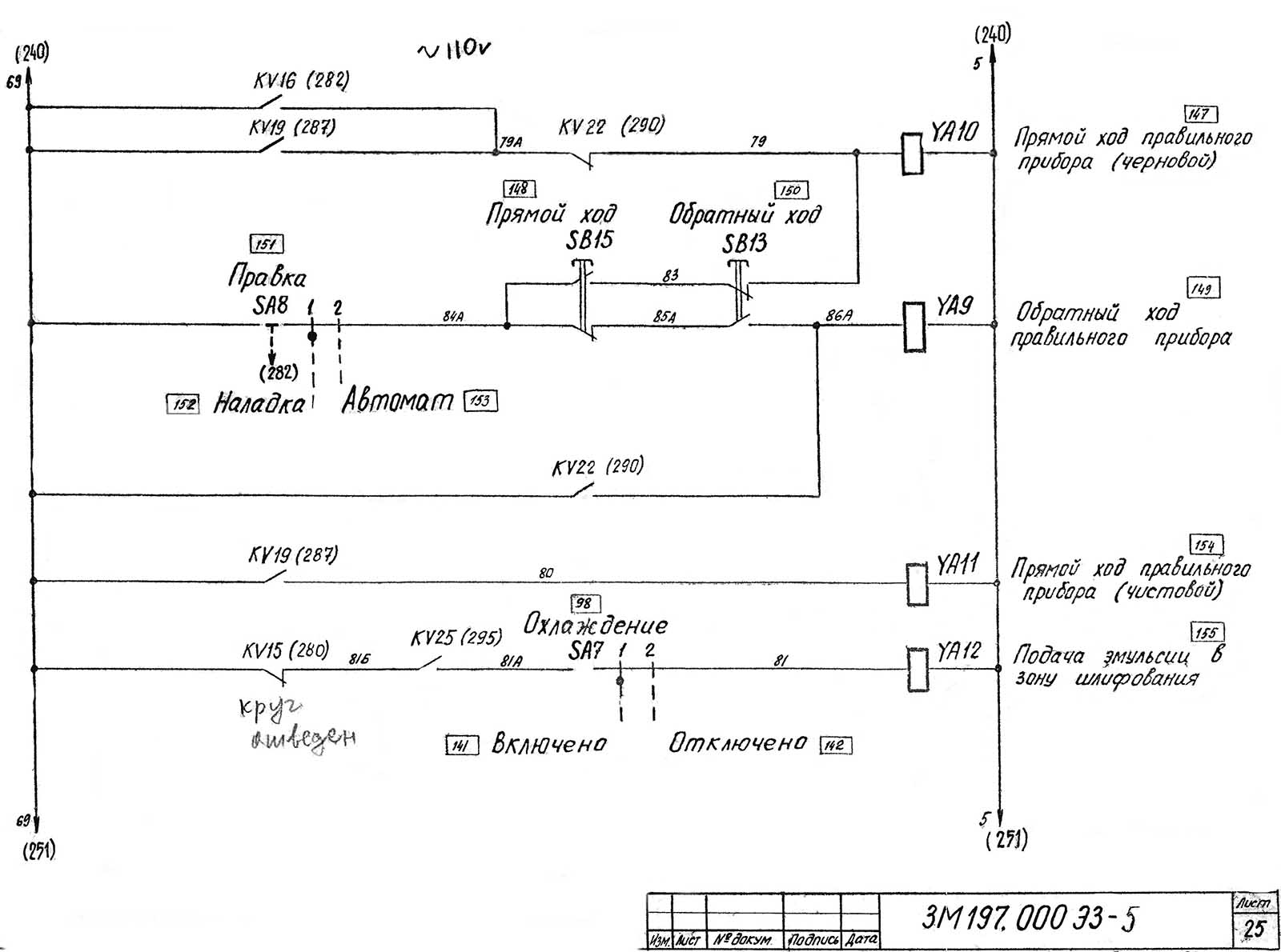
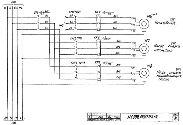
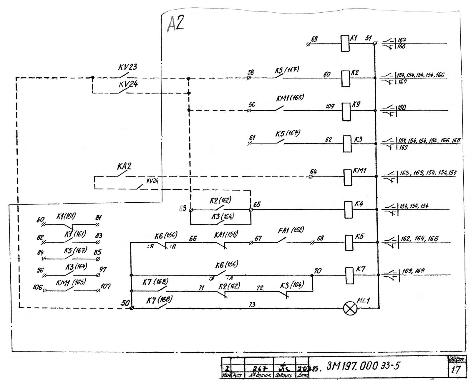
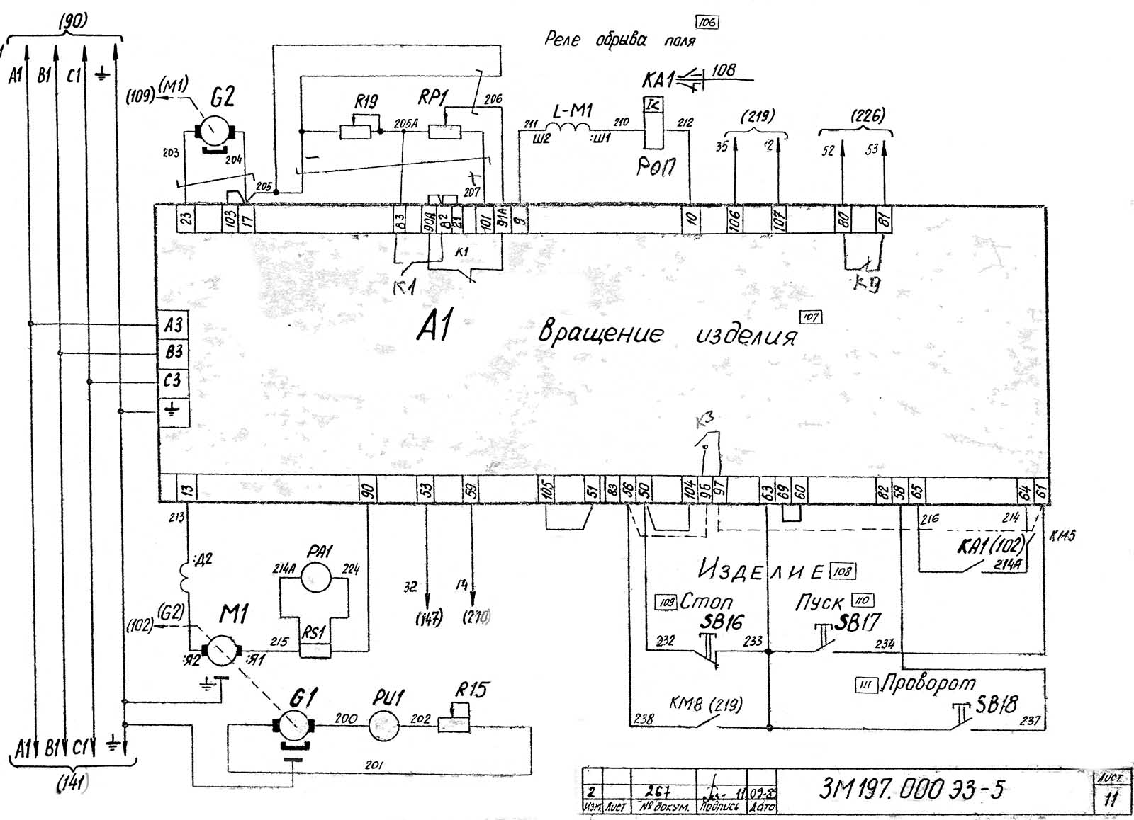
Схема електрична круглошліфувального верстата 3М193, 3М194, 3М195, 3М196, 3М197

Схема електрична круглошліфувального верстата 3М193, 3М194, 3М195, 3М196, 3М197

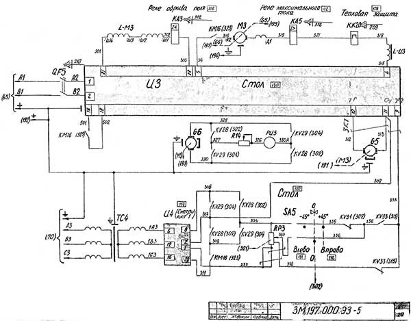
Схема електрична круглошліфувального верстата 3М193, 3М194, 3М195, 3М196, 3М197. Дивитись у збільшеному масштабі



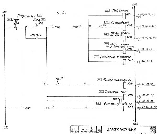
Схема електрична круглошліфувального верстата 3М193, 3М194, 3М195, 3М196, 3М197

Схема електрична круглошліфувального верстата 3М193, 3М194, 3М195, 3М196, 3М197

Схема електрична круглошліфувального верстата 3М193, 3М194, 3М195, 3М196, 3М197. Дивитись у збільшеному масштабі



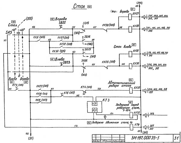
Схема електрична круглошліфувального верстата 3М193, 3М194, 3М195, 3М196, 3М197

Схема електрична круглошліфувального верстата 3М193, 3М194, 3М195, 3М196, 3М197

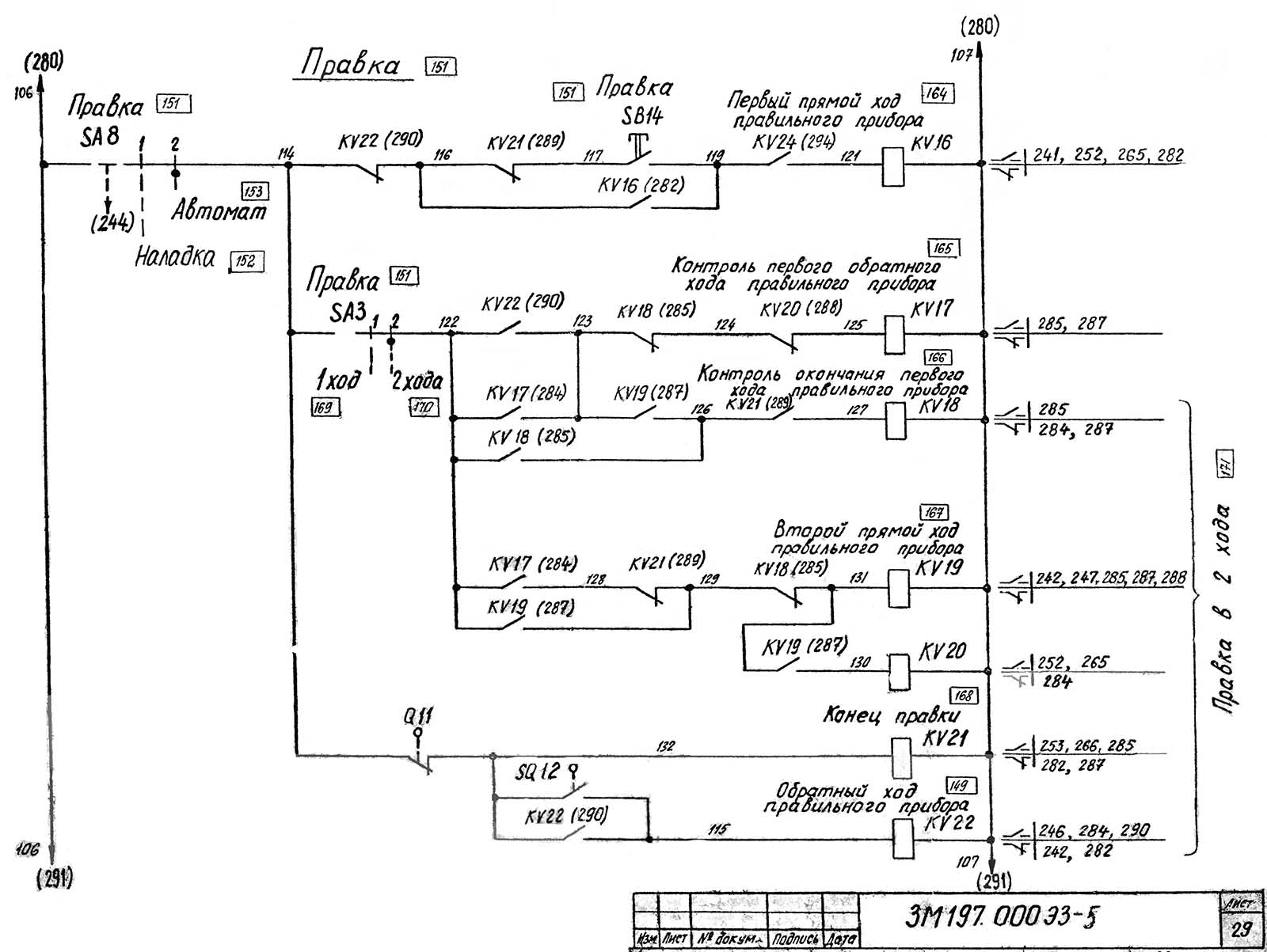
Схема електрична круглошліфувального верстата 3М193, 3М194, 3М195, 3М196, 3М197. Дивитись у збільшеному масштабі



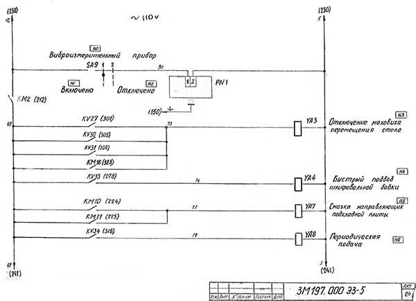
Схема електрична круглошліфувального верстата 3М193, 3М194, 3М195, 3М196, 3М197

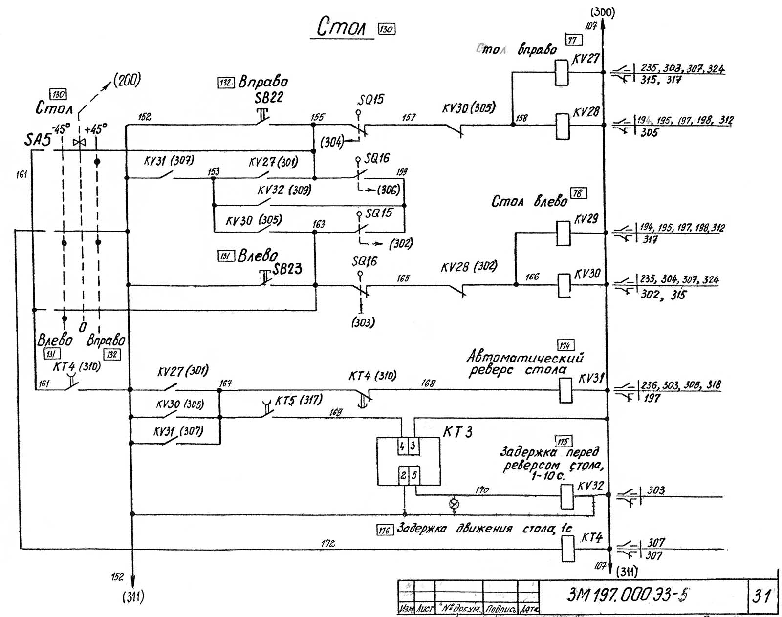
Схема електрична круглошліфувального верстата 3М193, 3М194, 3М195, 3М196, 3М197

Схема електрична круглошліфувального верстата 3М193, 3М194, 3М195, 3М196, 3М197. Дивитись у збільшеному масштабі



Схема електрична круглошліфувального верстата 3М193, 3М194, 3М195, 3М196, 3М197

Схема електрична круглошліфувального верстата 3М193, 3М194, 3М195, 3М196, 3М197

Схема електрична круглошліфувального верстата 3М193, 3М194, 3М195, 3М196, 3М197. Дивитись у збільшеному масштабі



Схема електрична круглошліфувального верстата 3М193, 3М194, 3М195, 3М196, 3М197

Схема електрична круглошліфувального верстата 3М193, 3М194, 3М195, 3М196, 3М197

Схема електрична круглошліфувального верстата 3М193, 3М194, 3М195, 3М196, 3М197. Дивитись у збільшеному масштабі



Схема електрична круглошліфувального верстата 3М193, 3М194, 3М195, 3М196, 3М197

Схема електрична круглошліфувального верстата 3М193, 3М194, 3М195, 3М196, 3М197

Схема електрична круглошліфувального верстата 3М193, 3М194, 3М195, 3М196, 3М197. Дивитись у збільшеному масштабі



Схема електрична круглошліфувального верстата 3М193, 3М194, 3М195, 3М196, 3М197

Схема електрична круглошліфувального верстата 3М193, 3М194, 3М195, 3М196, 3М197

Схема електрична круглошліфувального верстата 3М193, 3М194, 3М195, 3М196, 3М197. Дивитись у збільшеному масштабі



Схема електрична круглошліфувального верстата 3М193, 3М194, 3М195, 3М196, 3М197

Схема електрична круглошліфувального верстата 3М193, 3М194, 3М195, 3М196, 3М197

Схема електрична круглошліфувального верстата 3М193, 3М194, 3М195, 3М196, 3М197. Дивитись у збільшеному масштабі



Схема електрична круглошліфувального верстата 3М193, 3М194, 3М195, 3М196, 3М197

Схема електрична круглошліфувального верстата 3М193, 3М194, 3М195, 3М196, 3М197

Схема електрична круглошліфувального верстата 3М193, 3М194, 3М195, 3М196, 3М197. Дивитись у збільшеному масштабі



Схема електрична круглошліфувального верстата 3М193, 3М194, 3М195, 3М196, 3М197

Схема електрична круглошліфувального верстата 3М193, 3М194, 3М195, 3М196, 3М197

Схема електрична круглошліфувального верстата 3М193, 3М194, 3М195, 3М196, 3М197. Дивитись у збільшеному масштабі



Схема електрична круглошліфувального верстата 3М193, 3М194, 3М195, 3М196, 3М197

Схема електрична круглошліфувального верстата 3М193, 3М194, 3М195, 3М196, 3М197

Схема електрична круглошліфувального верстата 3М193, 3М194, 3М195, 3М196, 3М197. Дивитись у збільшеному масштабі



Схема електрична круглошліфувального верстата 3М193, 3М194, 3М195, 3М196, 3М197

Схема електрична круглошліфувального верстата 3М193, 3М194, 3М195, 3М196, 3М197

Схема електрична круглошліфувального верстата 3М193, 3М194, 3М195, 3М196, 3М197. Дивитись у збільшеному масштабі



Схема електрична круглошліфувального верстата 3М193, 3М194, 3М195, 3М196, 3М197

Схема електрична круглошліфувального верстата 3М193, 3М194, 3М195, 3М196, 3М197

Схема електрична круглошліфувального верстата 3М193, 3М194, 3М195, 3М196, 3М197. Дивитись у збільшеному масштабі



Схема електрична круглошліфувального верстата 3М193, 3М194, 3М195, 3М196, 3М197

Схема електрична круглошліфувального верстата 3М193, 3М194, 3М195, 3М196, 3М197

Схема електрична круглошліфувального верстата 3М193, 3М194, 3М195, 3М196, 3М197. Дивитись у збільшеному масштабі



Схема електрична круглошліфувального верстата 3М193, 3М194, 3М195, 3М196, 3М197

Схема електрична круглошліфувального верстата 3М193, 3М194, 3М195, 3М196, 3М197

Схема електрична круглошліфувального верстата 3М193, 3М194, 3М195, 3М196, 3М197. Дивитись у збільшеному масштабі



Схема електрична круглошліфувального верстата 3М193, 3М194, 3М195, 3М196, 3М197

Схема електрична круглошліфувального верстата 3М193, 3М194, 3М195, 3М196, 3М197

Схема електрична круглошліфувального верстата 3М193, 3М194, 3М195, 3М196, 3М197. Дивитись у збільшеному масштабі



Схема електрична круглошліфувального верстата 3М193, 3М194, 3М195, 3М196, 3М197

Схема електрична круглошліфувального верстата 3М193, 3М194, 3М195, 3М196, 3М197

Схема електрична круглошліфувального верстата 3М193, 3М194, 3М195, 3М196, 3М197. Дивитись у збільшеному масштабі



Схема електрична круглошліфувального верстата 3М193, 3М194, 3М195, 3М196, 3М197

Схема електрична круглошліфувального верстата 3М193, 3М194, 3М195, 3М196, 3М197

Схема електрична круглошліфувального верстата 3М193, 3М194, 3М195, 3М196, 3М197. Дивитись у збільшеному масштабі



Схема електрична круглошліфувального верстата 3М193, 3М194, 3М195, 3М196, 3М197

Схема електрична круглошліфувального верстата 3М193, 3М194, 3М195, 3М196, 3М197

Схема електрична круглошліфувального верстата 3М193, 3М194, 3М195, 3М196, 3М197. Дивитись у збільшеному масштабі



Схема електрична круглошліфувального верстата 3М193, 3М194, 3М195, 3М196, 3М197

Схема електрична круглошліфувального верстата 3М193, 3М194, 3М195, 3М196, 3М197

Схема електрична круглошліфувального верстата 3М193, 3М194, 3М195, 3М196, 3М197. Дивитись у збільшеному масштабі



Схема електрична круглошліфувального верстата 3М193, 3М194, 3М195, 3М196, 3М197

Схема електрична круглошліфувального верстата 3М193, 3М194, 3М195, 3М196, 3М197

Схема електрична круглошліфувального верстата 3М193, 3М194, 3М195, 3М196, 3М197. Дивитись у збільшеному масштабі



Схема електрична круглошліфувального верстата 3М193, 3М194, 3М195, 3М196, 3М197

Схема електрична круглошліфувального верстата 3М193, 3М194, 3М195, 3М196, 3М197

Схема електрична круглошліфувального верстата 3М193, 3М194, 3М195, 3М196, 3М197. Дивитись у збільшеному масштабі



Схема електрична круглошліфувального верстата 3М193, 3М194, 3М195, 3М196, 3М197

Схема електрична круглошліфувального верстата 3М193, 3М194, 3М195, 3М196, 3М197

Схема електрична круглошліфувального верстата 3М193, 3М194, 3М195, 3М196, 3М197. Дивитись у збільшеному масштабі



Схема електрична круглошліфувального верстата 3М193, 3М194, 3М195, 3М196, 3М197

Схема електрична круглошліфувального верстата 3М193, 3М194, 3М195, 3М196, 3М197

Схема електрична круглошліфувального верстата 3М193, 3М194, 3М195, 3М196, 3М197. Дивитись у збільшеному масштабі



Схема електрична круглошліфувального верстата 3М193, 3М194, 3М195, 3М196, 3М197

Схема електрична круглошліфувального верстата 3М193, 3М194, 3М195, 3М196, 3М197

Схема електрична круглошліфувального верстата 3М193, 3М194, 3М195, 3М196, 3М197. Дивитись у збільшеному масштабі



Схема електрична круглошліфувального верстата 3М193, 3М194, 3М195, 3М196, 3М197

Схема електрична круглошліфувального верстата 3М193, 3М194, 3М195, 3М196, 3М197

Схема електрична круглошліфувального верстата 3М193, 3М194, 3М195, 3М196, 3М197. Дивитись у збільшеному масштабі



Схема електрична круглошліфувального верстата 3М193, 3М194, 3М195, 3М196, 3М197

Схема електрична круглошліфувального верстата 3М193, 3М194, 3М195, 3М196, 3М197

Схема електрична круглошліфувального верстата 3М193, 3М194, 3М195, 3М196, 3М197. Дивитись у збільшеному масштабі



Схема електрична круглошліфувального верстата 3М193, 3М194, 3М195, 3М196, 3М197

Схема електрична круглошліфувального верстата 3М193, 3М194, 3М195, 3М196, 3М197

Схема електрична круглошліфувального верстата 3М193, 3М194, 3М195, 3М196, 3М197. Дивитись у збільшеному масштабі



Схема електрична круглошліфувального верстата 3М193, 3М194, 3М195, 3М196, 3М197

Схема електрична круглошліфувального верстата 3М193, 3М194, 3М195, 3М196, 3М197

Схема електрична круглошліфувального верстата 3М193, 3М194, 3М195, 3М196, 3М197. Дивитись у збільшеному масштабі



Схема електрична круглошліфувального верстата 3М193, 3М194, 3М195, 3М196, 3М197

Схема електрична круглошліфувального верстата 3М193, 3М194, 3М195, 3М196, 3М197

Схема електрична круглошліфувального верстата 3М193, 3М194, 3М195, 3М196, 3М197. Дивитись у збільшеному масштабі



Схема електрична круглошліфувального верстата 3М193, 3М194, 3М195, 3М196, 3М197

Схема електрична круглошліфувального верстата 3М193, 3М194, 3М195, 3М196, 3М197

Схема електрична круглошліфувального верстата 3М193, 3М194, 3М195, 3М196, 3М197. Дивитись у збільшеному масштабі



Схема електрична круглошліфувального верстата 3М193, 3М194, 3М195, 3М196, 3М197

Схема електрична круглошліфувального верстата 3М193, 3М194, 3М195, 3М196, 3М197

Схема електрична круглошліфувального верстата 3М193, 3М194, 3М195, 3М196, 3М197. Дивитись у збільшеному масштабі






3М193 Верстат круглошліфувальний підвищеної точності. Відео.




Технічні характеристики круглошліфувального верстата 3М193

Технічні характеристики круглошліфувального верстата 3М193

Технічні характеристики круглошліфувального верстата 3М193

Технічні характеристики круглошліфувального верстата 3М193. Дивитись у збільшеному масштабі



Технічні характеристики круглошліфувального верстата 3М193

Технічні характеристики круглошліфувального верстата 3М193

Технічні характеристики круглошліфувального верстата 3М193. Дивитись у збільшеному масштабі




    Список літератури:

  1. Верстати круглошліфувальні 3М193, 3М194, 3М195, 3М196, 3М197. Посібник з експлуатації 3М197.000, 1989

  2. Альперович Т.А., Костянтинов К.М., Шапіро А.Я. Конструкція шліфувальних верстатів, 1989
  3. Альперович Т.А., Костянтинов К.М., Шапіро А.Я. Налагодження та експлуатація шліфувальних верстатів, 1989
  4. Дібнер Л.Г., Цофін Е.Є. Заточувальні автомати та напівавтомати, 1978
  5. Геніс Б.М., Лікар Л.Ш., Терган В.С. Шліфування на круглошліфувальних верстатах, 1965
  6. Кащук В.А., Верещагін О.Б. Довідник шліфувальника, 1988
  7. Куликов С.І. Хонінгування, 1973
  8. Лісовий А.І. Пристрій, налагодження та експлуатація металорізальних верстатів, 1971
  9. Лоскутов В.В. Шліфування металів, 1985
  10. Лоскутов В.В. Шліфувальні верстати, 1988
  11. Лур'є Г.Б. Шліфувальні верстати та їх налагодження,1972
  12. Лур'є Г.Б. Пристрій шліфувальних верстатів,1983
  13. Меніцький І.Д. Універсально-заточувальні верстати ,1968
  14. Муцянко В.І. Братчиков А.Я. Безцентрове шліфування, 1986
  15. Наєрман М.С., Наєрман Я.М. Посібник для підготовки шліфувальників. Навчальний посібник для ПТУ, 1989
  16. Наєрман Є.С. Довідник молодого шліфувальника, 1991.
  17. Попов С.А. Шліфувальні роботи, 1987
  18. Терган В.С. Шліфування на круглошліфувальних верстатах, 1972
  19. Шамов Б.П. Типи та конструкції основних вузлів шліфувальних верстатів, 1965









На службових сходах стійте праворуч. Не заважайте тим, хто йде вниз.