metalinstryment.com
Довідник по металорізальних верстатів та пресовому обладнанні

3М132в Електроустаткування верстата
Електросхема верстата

3М132в общий вигляд універсального круглошлифовального верстата з горизонтальным шпинделем







Відомості про виробника круглошлифовального верстата 3М132в

Производитель універсального круглошлифовального верстата 3М132в - Харьковский станкостроительный завод.





Верстати, выпускаемые Харьковским станкостроительным заводом, ХСЗ им. С.В. Косиора



3М132В Верстат круглошлифовальный універсальний напівавтомат. Назначение і область применения

Полуавтомат круглошлифовальный 3М132В предназначен для наружного і внутреннего шлифования цилиндрических (диаметром до 280 мм і длиной до 1000 мм), конических і фасонных поверхностей, а также плоских фланцевых поверхностей изделий, в условиях единичного і серийного производства.

Шлифование на станке 3М132в може производиться в неподвижных центрах или патроне.

Верстат круглошлифовальный 3М132в предназначен для:


Общая компоновка і особливості конструкції напівавтомату 3М132в

Полуавтоматы 3М132В изготавливаются в обычном виконанні і на их базе з ЧПУ.

На напівавтоматух в обычном виконанні механізм поперечных подач шлифовальной бабки обеспечивает ручні і автоматические поперечные подачі, позволяет производить налаштування на общую величину снимаемого припуска і величину припуска, снимаемого при чистовом шлифовании. Механізм обеспечивает автоматическое переключение з черновой подачі на чистовую з помощью командоаппарата, размещенного в корпусе механізма.

На напівавтоматух з ЧПУ механізм поперечных подач обеспечивает:

Шпиндель шлифовальной бабки установлен в двух підшипниках ковзання специальной конструкції. Підшипники имеют по три одинаковых вкладыша, представляющих собой отдельные сегменты.

Сферическими лунками вкладыши опираются на винты со сферическими головками, в результате чего вкладыши самоустанавливаются по шейкам шпинделя.

Конструкція обеспечивает масляный клин между вкладышами і шейкой шпинделя, что предотвращает их нагрев і износ.

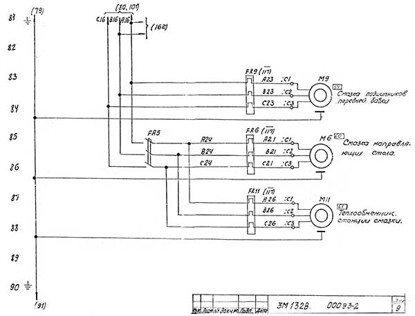
Принудительная проточная смазка шпинделя производится из отдельного бачка, расположенного за пределами верстата, что уменьшает температуру нагрева шлифовальной бабки.

Автоматический контроль наличия змазки в підшипниках шпинделя Шлифовальной бабки гарантирует долговечность их роботи.

Бесступенчатое регулювання частоти обертання вироби, скорости різання і продольных подач позволяет производить обработку на оптимальных режимах.

Реле перегрузки приводу шлифовального круга при быстром подводе шлифовальной бабки позволяет автоматически переходить на черновую подачу, что значительно повышает производительность.

Компенсация износа шлифовального круга осуществляется как вручную, так і автоматически.

Правку шлифовального круга можно производить гідрофицированным правильным прибором з автоматическим включением в цикле роботи напівавтомату. Частоту правки можно изменять в зависимости от требуемой чистоты шлифуемого вироби і стойкости шлифовального круга.

Правку шлифовального круга по радиусу можно производить правильным прибором, закрепленным на столе напівавтомату.

Полуавтоматы оснащены пристрійм балансировки шлифовального круга во время роботи, состоящим из механізма балансировки круга і електронного индикатора размаха колебаний. Пристрій отличается быстродействием, надежностью роботи, простотой керування, удобством обслуживания, что способствует повышению производительности і чистоты шлифования.

Полуавтоматы оснащены индикаторным пристрійм, обеспечивающим возможность измерения малых продольных перемещений стола. Пристрій позволяет осуществлять размерную подшлифовку торцов деталей торцом шлифовального круга.

Индикаторное пристрій для контроля поворота верхнего стола в сочетании з номограммой для определения величины коррекции положения верхнего стола резко сокращает время получения конусности шлифуемых деталей.

На напівавтоматух предусмотрена возможность установки приборов активного контроля з навесной і настольной скобами.

Приборы активного контроля позволяют:

Класс точності напівавтомату В по ГОСТ 11654—65.





Габарит робочого простору круглошлифовального верстата 3М132в

Габарит робочого простору верстата 3М132в

Креслення робочого простору шлифовального верстата 3М132в


Присоединительные і посадочные базы круглошлифовального верстата 3М132в

Присоединительные розміри і посадочные места верстата 3М132в

Присоединительные і посадочные базы шлифовального верстата 3М132в


Загальний вигляд круглошлифовального верстата 3М132в

Загальний вигляд круглошлифовального верстата 3М132в

Фото шлифовального верстата 3М132в

Фото круглошлифовального верстата 3М132в. Дивитись у збільшеному масштабі



Загальний вигляд круглошлифовального верстата 3М132в

Фото шлифовального верстата 3М132в

Фото круглошлифовального верстата 3М132в. Дивитись у збільшеному масштабі



Загальний вигляд круглошлифовального верстата 3М132в

Фото шлифовального верстата 3М132в


Загальний вигляд круглошлифовального верстата 3М132в

Фото шлифовального верстата 3М132в


Загальний вигляд круглошлифовального верстата 3М132в

Фото шлифовального верстата 3М132в

Фото круглошлифовального верстата 3М132в. Дивитись у збільшеному масштабі




Електроустаткування круглошлифовального верстата 3М132в. 1982, 1987 год

Верстат изготавливается з електрообладнанням для роботи от сети трехфазного переменного тока на любое напряжение і частоту сети в соответствии з таблицами I і 2 приложения I.

Електроустаткування верстата предназначено для роботи в условиях умеренного, холодного, тропического климата, в сухих отапливаемых і вентилируемых помещениях.

По согласованию з заказчиком верстат може быть изготовлен з вузлами по особому заказу в соответствии з табл.3 приложения I.

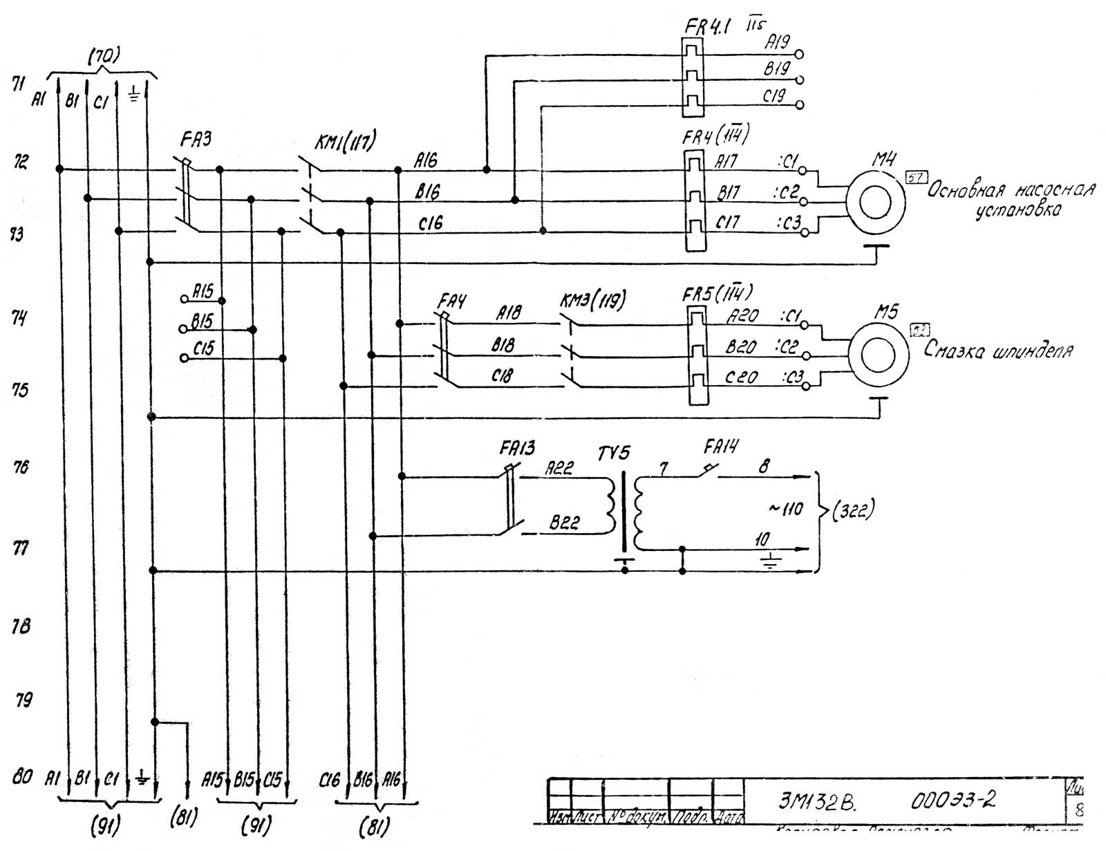
Подключение верстата к сети переменного тока следует производить проводами сечением 10 мм² (по меди) з изоляцией черного цвета.

Подключение к сети заземления производить проводом сечением 10 мм² (по меди) з изоляцией зелено-желтого цвета.

Для ввода проводов в крыше шкафа керування предусмотрено отверстие показанное на рис.2.

Питание ланцюгів керування осуществляется:

Питание ланцюгів сигнальных ламп осуществляется напряжением 24 В постоянного тока.

Местное освещение верстата питается напряжением 24 В от понижающего трансформатора.

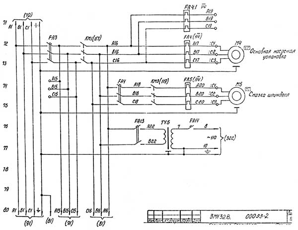
функциональное назначение, наименование і технічна характеристика елементів електроустаткування указаны на схеме електрической принципиальной (приложение I) і перечне елементів (приложение 2).


Електроустаткування установленное на станке і отдельно стоящих пристроях входящих в состав верстата

Розташування електроустаткування показано на рис. 1 і 2.

Шкаф керування расположен отдельно от верстата. Розташування електроустаткування в шкафу показано в прилагаемой к нему технической документации.

Нa дверцу шкафа выведена рукоятка приводу вводного выключателя для подключения верстата к сети переменным током

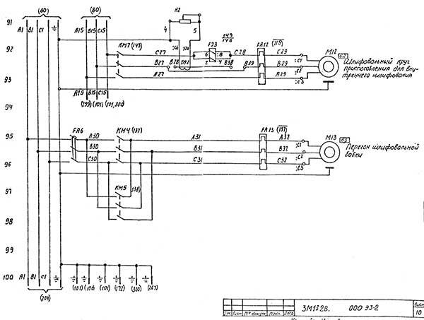
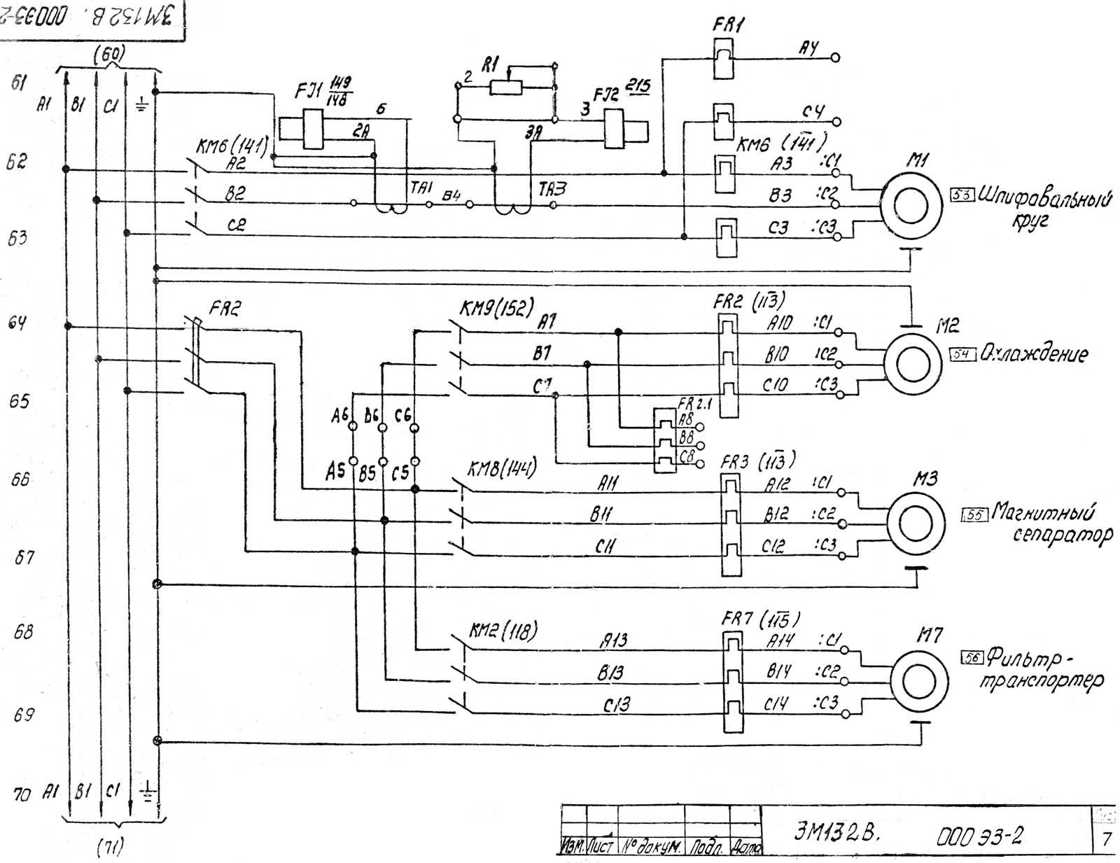
Электродвигатели, установленные на круглошлифовальном станке 3М132В:

Привід механізмов верстата осуществляется 13 двигунами:

Путевые выключатели і микровыключатели, установленные на механізмах верстата і его складових частях:

Кнопки, установленные на круглошлифовальном станке 3М132В:

Кнопки SB7 і SB8 управляют приводом основного шлифовального круга при ненажатом SQ12 (рукоятка блокировочного пристроя в положение "Внутреннее шлифование")

Выключатели і переключатели, установленные на круглошлифовальном станке 3М132В:

Регуляторы, установленные на круглошлифовальном станке 3М132В:

Лампы сигнальные, установленные на круглошлифовальном станке 3М132В:

Другие приборы, установленные на круглошлифовальном станке

Элементы пульта керування прибора автоматичною правки

Элементы керування в шкафу верстата


Первоначальный пуск

Перед началом робота на станке следует внимательно ознакомиться з настоящим руководством, руководством по експлуатации механической частини верстата і експлуатационной документацией, прилагаемой к пристроями комплектующим виробим, входящим в состав верстата.

Перед подключением верстата к сети живлення следует проверить состояние електроустаткування і готовность его к работе:

После выполнения вышеуказанных требований:

На холостом ходу проверьте:

После проверки роботи електроустаткування верстата на холостом ходу приступите к работе под нагрузкой

Метод проверки роботи предохранительного пристроя от перегрузки

Шлифовальный круг

Перед пуском верстата ток установка реле FJ1 предварительно установите не более 1,5 Iн (Iн - номинальный ток) двигуна М1 і уточните уставку після измерения нагрузки двигуна.

Во время первоначального пуска двигуна М1 при отсутствии заготовки в центрах і при подведенной шлифовальной бабке проверьте работоспособность предохранительного пристроя от перегрузки. Для етого кратковременно нажмите кнопку пуска шлифовального круга і убедитесь в том, что шлифовальная бабка отводится в момент срабатывания реле.

При врезном шлифовании на скорости черновой подачі, указанной в свидетельстве о выходном контроле електроустаткування, произведите измерение тока нагрузки двигуна M1.

Установите ток уставки реле FJ1 на 10..20% больше измеренного тока нагрузки.

При врезании шлифовального круга на скорости, превышающей черновую подачу для измерения нагрузки на 15...25%, шлифовальная бабка должна отводиться.

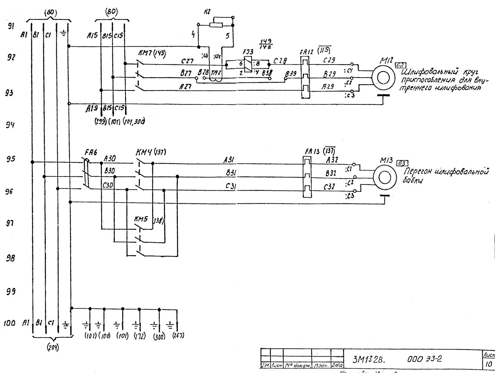
Приспособление для внутреннего шлифования (в дальнейшем "Приспособление")

Перед пуском верстата ток установки реле FJ3 предварительно установите не более 1,5 Iн двигуна M12 і уточните уставку після измерения нагрузки двигуна.

Во время первоначального пуска двигуна M12 при отсутствии заготовки в патроне і произведенных подачах шлифовальной бабки проверьте работоспособность предохранительного пристроя от перегрузки. Для етого кратковременно нажмите кнопку пуска шлифовального круга я убедитесь в том, что происходит перезарядка механізма подач в момент срабатывания реле FJ3 * В дальнейшем - "Приспособление "

При врезном шлифовании на скорости черновой подачі, указанной в свидетельства о выходном контроле електроустаткування, произведите измерение тока нагрузки двигуна М12.

Установите ток уставки реле FJ3 на 10..20% больше измеренного тока нагрузки.

При врезании шлифовального круга на скорости, превышающей черновую подачу для измерения нагрузки на 15...20% должна происходить перезарядка механізма врізання.


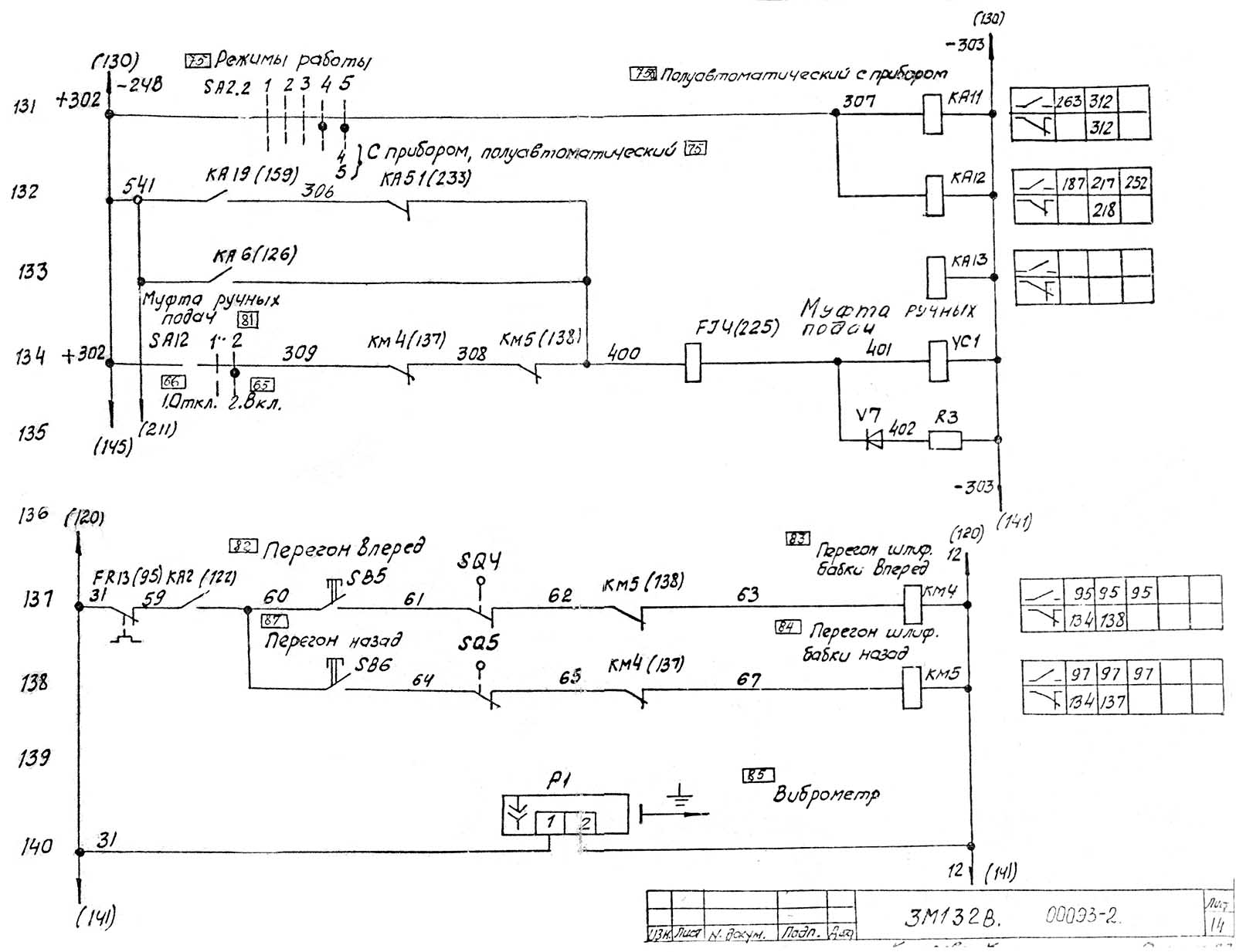
Опис схеми електрической принципиальной (см.приложение I і 2)

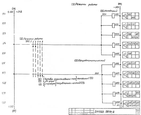
Електроустаткування обеспечивает работу верстата в следующих режимах:

Режими 3.1.3 і 3.1.4 соответствуют исполнениям верстата приведенным в табл.3 приложения I.


Полуавтоматическое наружное врезное шлифование до упора

На главном пульті керування верстата установите переключатели в положения:

Перед началом роботи убедитесь, что механізмы верстата находятся в исходных положениях:

Нажмите кнопку SB4 (гідравлика пуск), от которой через KM1 включаются електродвигатели М4...М6, М7 (при нажатом SQ3), M8...М11.

Независимо от режимов роботи схема електрического керування работает только при включенной гідросистеме верстата.

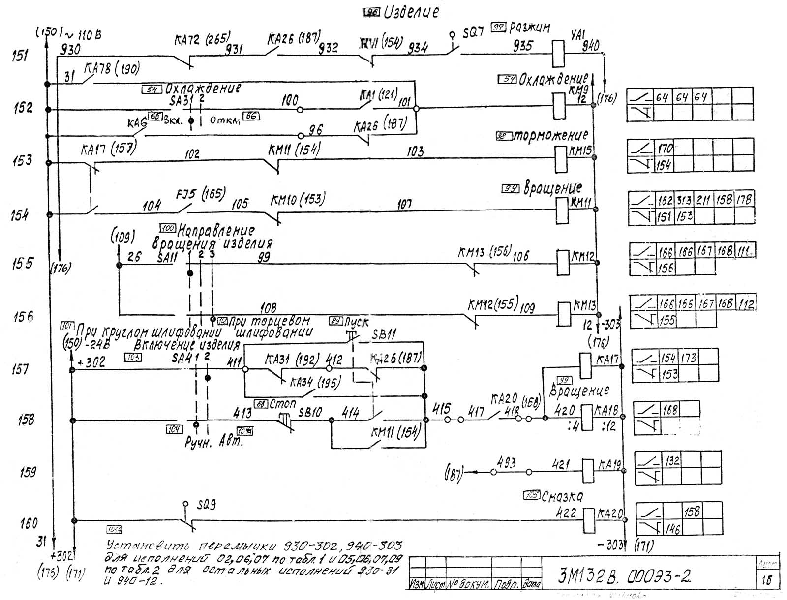
После того, как проявится давление в системе змазки шпинделя шлифовальной бабки (нажимается SQ6 і HL2 отключается), нажмите кнопку SB8 (шлифовальный круг пуск), удерживая её до окончания пускового режима електродвигуна M1.

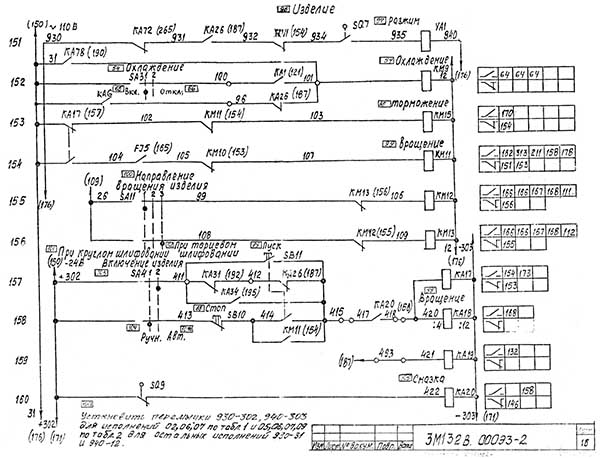
При етом включаются електродвигатели M1, М3. Нажмите на педаль от которой через микровыключатель SQ7 включается електромагнит YA1 і происходит отвод пиноли задньої бабки.

Установите обрабатываемую заготовку на линию центров і освободите педаль. YA1 отключается і пиноль подводится - происходит зажим вироби в центрах.

В отведенном положении шлифовальной бабки (нажат SQ10) і включенном шлифовальном круге включаются електромагнит YA4 і лампа HL4

Рукояткой гідравлічного керування (наклоном вперед) произведите быстрый подвод шлифовальной бабки.

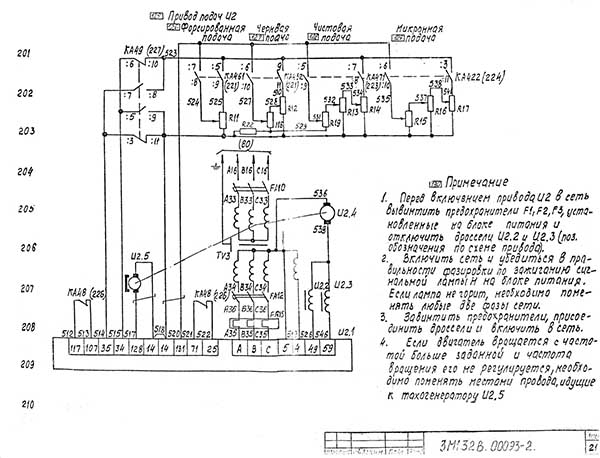
В начале подвода шлифовальной бабки освобождается SQ10 от которого через KМ11 подключается к сети переменного тока блок регулювання U1.1 комплектного електроприводу обертання вироби, включается електродвигатель вироби U1.3, который вращается з частотой, установленной регулятором U1.4.

Одновременно включается насос охлаждения М2.

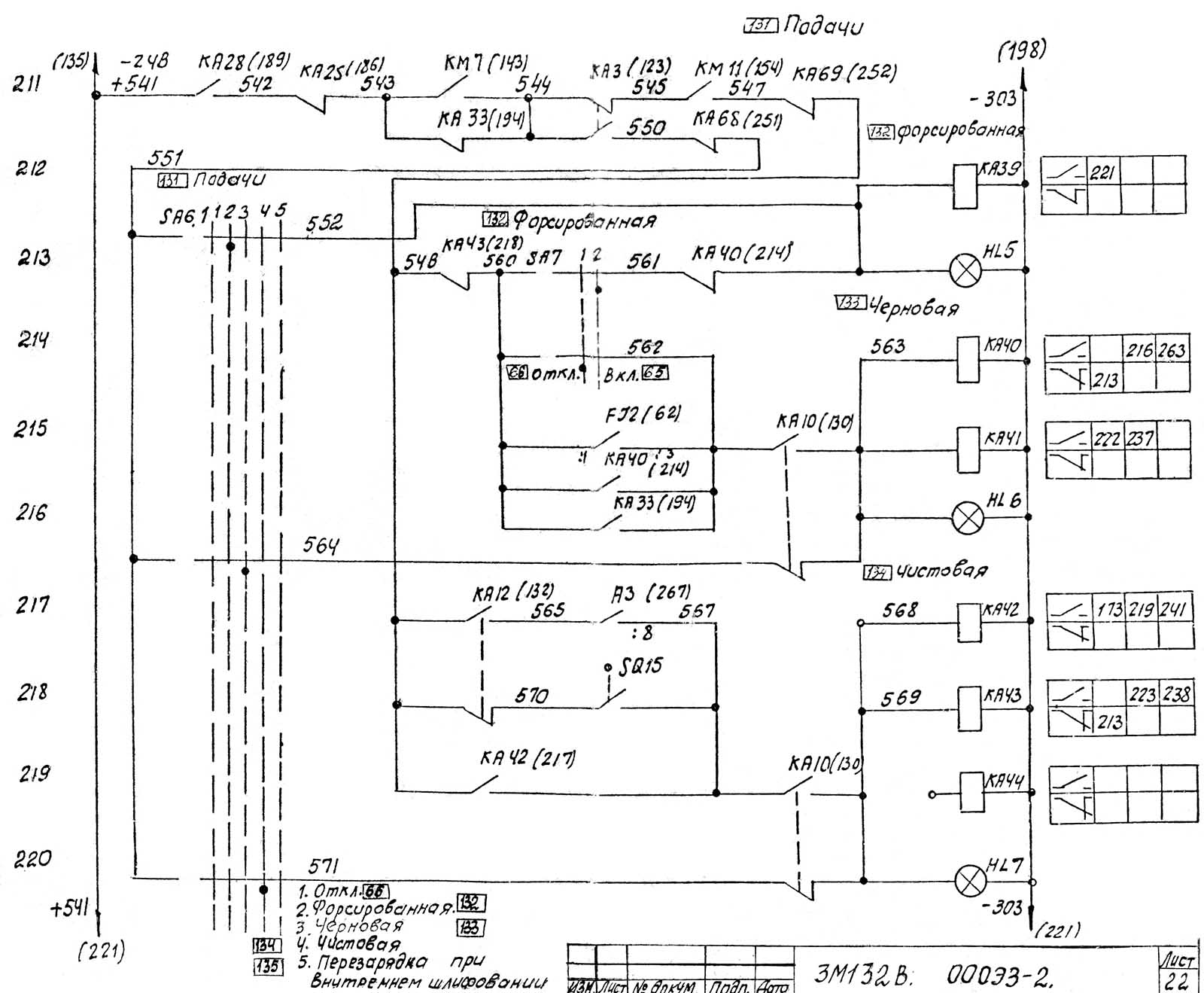
В подведенном положении шлифовальной бабки нажимается SQ11 і включает привід подач U2. При етом електродвигатель приводу подач U2.4 включается і обеспечивает перемещение шлифовальной бабки со скоростью форсированной подачі, определяемой R11, на пульті зажигается сигнальная лампа HL5.

В момент касания вироби шлифовальным кругом по команде реле FJ2 изменяется частота обертання U2.4 на пульті загорается сигнальная лампа HL6, а бабка перемещается со скоростью черновой подачі, определяемой регулятором R18 до тех пор пока не нажмется микровыключатель SQ15- черновой припуск снят. При ето включается сигнальная лампа НL7 - чистовая подача шлифовальной бабки, регулятор R19. (двигатель U2.4) і чистовая частота обертання вироби (U1.3), заданная регулятором R5. Чистовая подача заканчивается в момент срабатывания микровыключателя SQ19 - чистовой припуск снят. U2 отключается, подачі прекращается і включается реле часу выхаживания КТ3 і сигнальная лампа HL8. После окончания выхаживания отключается YA4 і HL8. Шлифовальная бабка отводится.

В начале відведення освобождается SQ11 включается привід подач U2 і бабка перемещается по винту в сторону перезарядки со скоростью форсированной подачі до тех пор пока не нажмется SQ16.

Одновременно з перезарядкой происходит отвод шлифовальной бабки по цилиндру.

В кінці відведення нажимается микровыключатель SQ10 і отключает подачу СОЖ - М2 - привід вироби - UI, при етом происходит динамическое торможение двигуна вироби U1.3.

После полной остановки вироби нажмите педаль.

Включается YA1, происходит отвод пиноли задньої бабки. Снимите готовое изделие і установите новую заготовку на линию центров. Верстат подготовлен к следующему циклу.


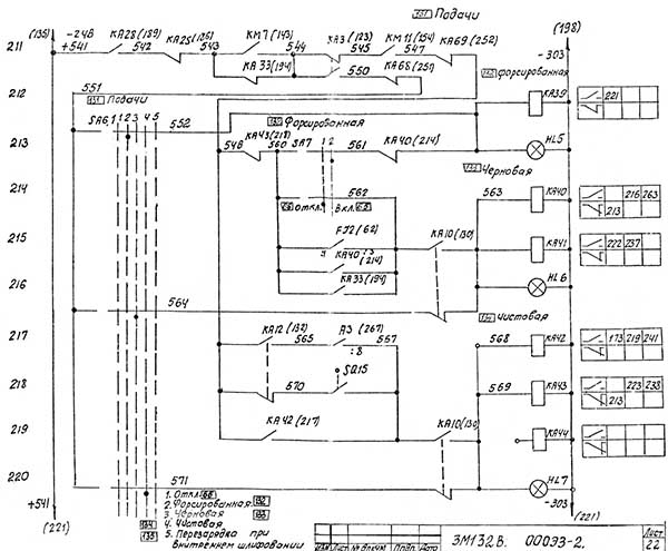
Полуавтоматическое наружное продольное шлифование "До упора"

На главном пульті керування верстата установите переключатели в положения:

Работа схеми происходит, как і в цикле врезного шлифования "До упора" з той лишь разницей, что при продольном шлифовании работает механізм переміщення стола, а подачі, за исключением форсированной, производятся периодически.

Переключателем SA8, установленным в положение продольного шлифования, включается електромагнит МА5, разрешающий перемещение стола, которое включается рукояткой гідравлічного керування. Стол при подводе шлифовальной бабки, форсированной і черновой подачах перемещается со скоростью, соответствующей черновому шлифованию.

По команде SQ15 "начало чистовой подачі" включается YA2, происходит переход переміщення стола на скорость, соответствующую чистовому шлифованию.

Черновая і чистовая подачі производятся периодически в момент реверса стола при включении SQ17 і SQ18 на время, определяемое установкой реле КТ2 ж в зависимости от положения переключателя места подачі SA8.

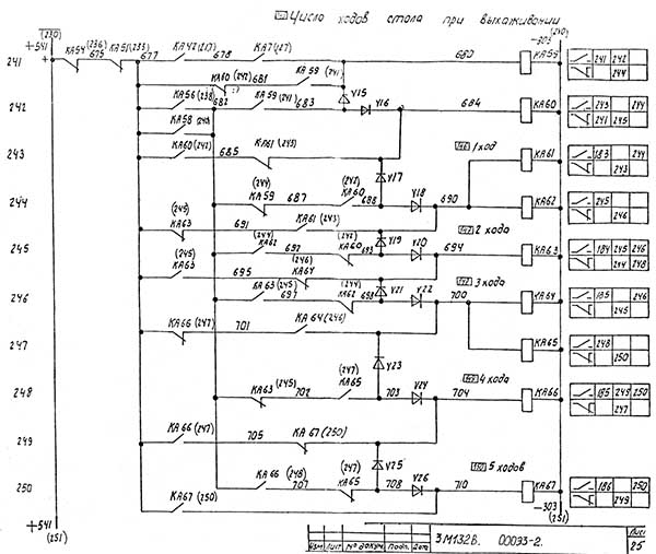
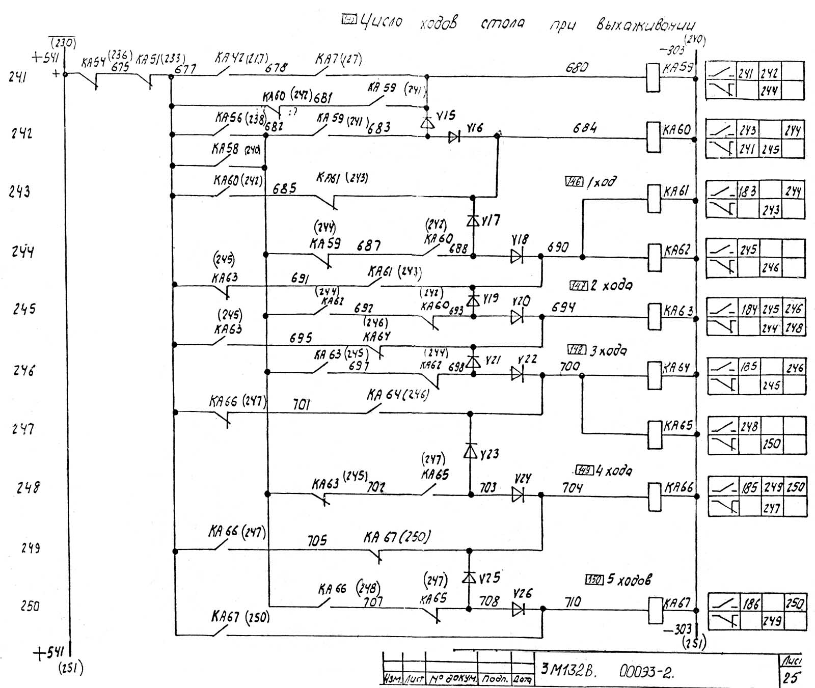
При получения размера вироби нажимается SQ19 подачі прекращаются, идет выхаживание - включена лампа HL8. Число ходов выхаживания определяется переключателем SA5.

В момент очередного реверса стола выдается команда на отвод шлифовальной бабка (отключается YA4) і перезарядку механізма подач, U2 включается і перемещает шлифовальную бабку назад со скоростью формированной подачі до нажатия SQ16. На етом цикл продольного шлифования "до упора" заканчивается.


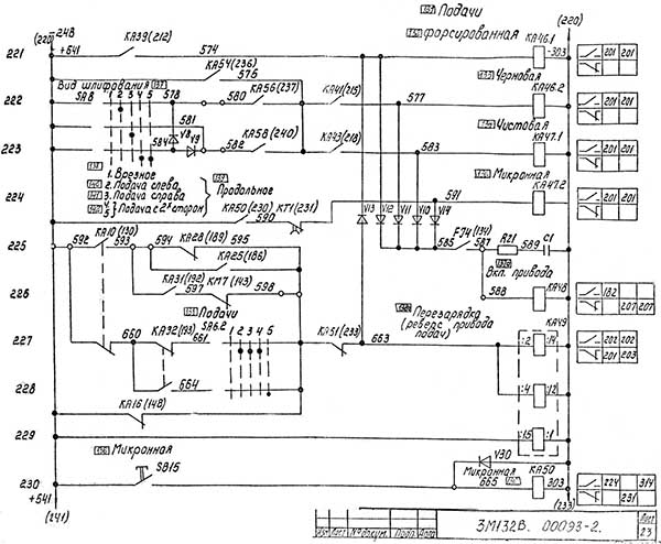
Полуавтоматическое врезное шлифование отверстий

Для перехода на шлифование в режиме „Приспособление" при выключенном вращении основного шлифовального круга на главном пульті керування верстата установите переключатели в положения;

Рукояткой гідрокерування произведите быстрый подвод шлифовальной бабки.

Установите рукоятку блокировочного пристроя в положение внутреннего шлифования. При етом нажмите SQ12, быстрый отвод шлифовальной бабки механически заблокируется.

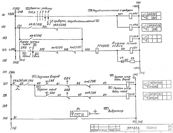
Нажатием SВ13 включается YА8, происходит расстопоривание "Приспособления". В начале вывода стопора освобождается, SQ13, а в кінці нажимается SQ14. Включается YA9 "Приспособление" опускается в рабочее положение. Отпустите B13, YA8, YA9 отключается. Зажмите "Приспособление" в рабочем положении механически.

На главном пульті керування верстата установите переключатели в положения:

Нажмите кнопку SB8, удерживая її до окончания пускового режима електродвигунами М12. Одновременно включается магнитный сепаратор М3.

Установите обрабатываемую заготовку і займите её механически. Нажмите кнопку SB12 - произойдет запуск напівавтоматичного цикла. При етом через KM11 подключается к сети переменного тока блок регулювання U1.1 комплектного електроприводу обертання вироби, включается електродвигатель вироби U1.3, который вращается з частотой установленной регулятором U1.4.

Одновременно включаете насос охлаждения М2 і привід подач U2, происходит черновая подача со скоростью, определяемой регулятором R18, при етом включается HL6, до тех пор пока не нажмется SQ15.

При нажатии SQ15 включается чистовая подача, лампа HL7 і идет со скоростью, определяемой регулятором R19 до тех пор, пока не нажмется SQ19 - подача прекращается, U2 і HL7 отключаются, происходит выхаживания по часу, определяемому КТ3. После окончания выдержки часу і отключения кнопкой SВ7 шлифовального круга, приспособления включается привід U2 і происходит перезарядка, - бабка перемещается назад со скоростью форсированной подачі, определяемой R11 до тех пор, пока не нажмется SQ16. На етом цикл врезного шлифования отверстия закончен;


Полуавтоматическое продольное шлифование отверстий

На главном пульті керування верстата установите переключатели в положения:

Работа схеми происходит, как в цикле врезного шлифования отверстия "до упора" з той лишь разницей, что при продольном шлифовании работает механізм переміщення стола, а подачі производятся периодически.

Переключателем SA8, установленным в положение продольного шлифования, включается електромагнит YA5, разрешающий перемещение стола, которое включается рукояткой гідравлічного керування. Стол при черновой подаче перемещается со скоростью, соответствующей черновому шлифованию.

По команде SQ15 "начало чистовой подачі" включается YA2, происходит переход переміщення стола на скорость, соответствующую чистовому шлифованию.

Черновая і чистовая подача производятся периодически (см.п.3.3.).

Электромагнит YA2 отключается при нажатии SQ16. В остальном робота схеми происходит, как описано в п.3.3.


Полуавтоматическое наружное шлифование з ПАК

Шлифование в етих режимах аналогично режимам в разделах 3.2. і 3.3. соответственно, о тем отличием, что переход з черновой на чистовую подачу і окончание чистовой подачі выполняются вместо сигналов путевых выключателей SQ15 і SQ19 от предварительной і окончательной команд "ПАК" - Р2.

В случае наличия на станке настольной скобы "ПАК" в напівавтоматическом режиме добавляется подвод скобы, который происходит з началом черновой подачі.

Отводится скоба о отводом шлифовальной бабки.


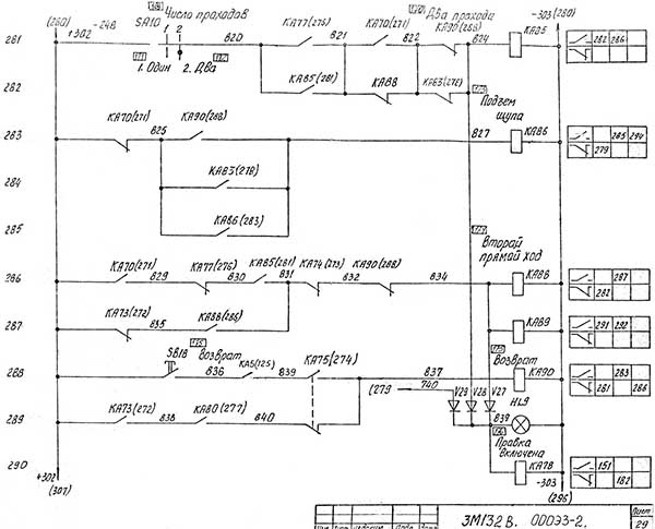
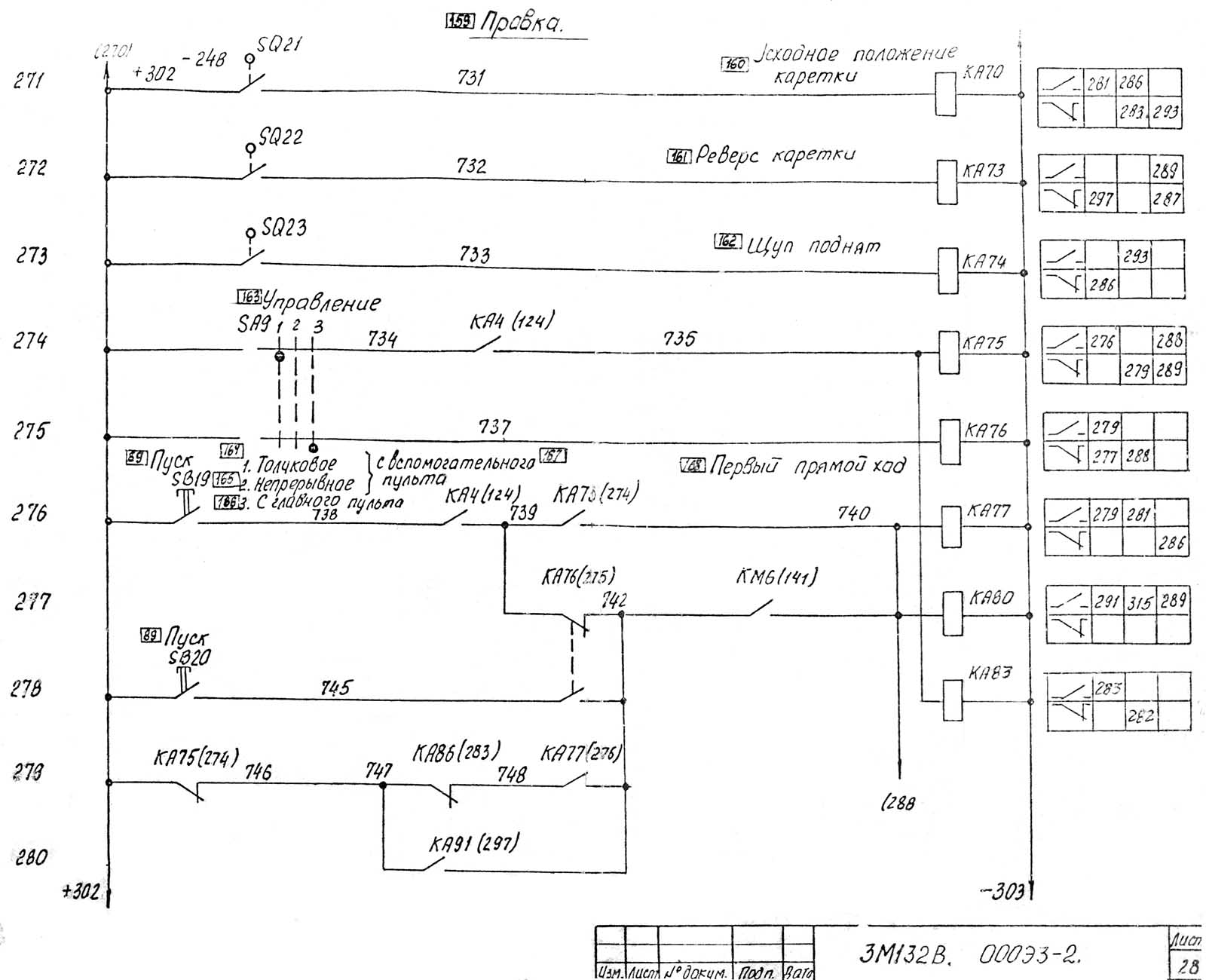
Автоматическая правка шлифовального круга

На пульті правки имеется переключатель

Правка включается:

При положении SA9 в положении "Толчковое" кнопкой SB19 выполняется толчковое перемещение правильного прибора.

Однопроходная правка происходит следующим образом: включается лампа HL9 і електромагнит YA11 - каретка правильного прибора перемещается из исходного положения - происходит правка круга.

В положении реверса каретки нажимается SQ22 - гаснет лампа НL9 і включается YA6 - подъём щупа і подача алмаза. В верхнем положении щупа нажимается SQ23, при етом включается YA12 - каретка возвращается в исходное положение, нажимается SQ21 і отключаются YA12 і YA6 - каретка останавливается, щуп опускается. Цикл однопроходной правки на етом оканчивается.

Двухпроходная правка происходит следующим образом:

1-й проход і возврат каретки не отличаются от однопроходной правки, а второй проход отличается от первого тем, что при прямом ходе включается дополнительно YA7 - замедление переміщення каретки.

Возврат каретки:

В наладочном режиме при работе от пульта правки можно кнопкой SB18 прервать цикл правки і осуществить возврат каретки в исходное положение.


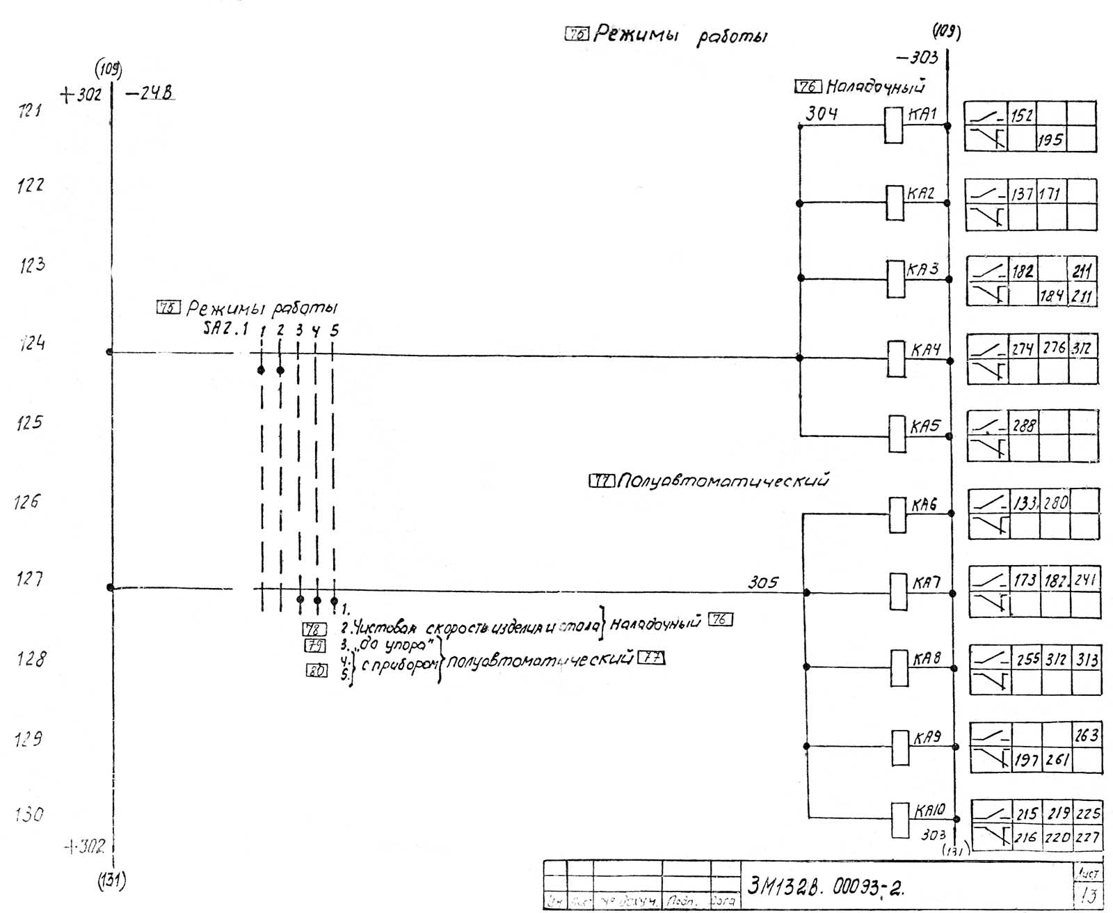
Наладочный режим роботи

В наладочном режиме переміщення всех механізмов, налаштування швидкостей етих перемещений осуществляется органами керування, расположенными на главном пульті в соответствии з их функциональным назначением см. табл. 7, 8, 10 приложения 1.

В наладочном режиме роботи - SA2 в положении "наладочный" -возможно, автоматическое увімкнення вироби при етом переключатель SA4 должен быть установлен в положение "Автоматическое".

Изделие включается в начале подвода шлифовальной бабки і отключается при отводе бабки, когда нажимается SQ10.

При отведенной шлифовальной бабке включается проворот вироби кнопками SB11, SB21.

Увімкнення електродвигуна фильтра - транспортера М7 происходит независимо от режима роботи, если нажат SQ1.

Відключення і увімкнення муфты ручных подач YC1 для компенсации износа шлифовального круга производится посредством переключателя SA12.


Захист електроустаткування круглошлифовального верстата 3М132в

Захист електроустаткування обеспечивается:

Блокировки круглошлифовального верстата 3М132

Для обеспечения безопасности і предупреждения поломок механізмов верстата предусмотрены електрические блокировки:

Схема розміщення електроустаткування на круглошлифовальном станке 3М132в

Схема розміщення електроустаткування на круглошлифовальном станке 3М132в

Схема розміщення електроустаткування на круглошлифовальном станке 3М132в. Дивитись у збільшеному масштабі



Схема розміщення електроустаткування на круглошлифовальном станке 3М132в

Схема розміщення електроустаткування на круглошлифовальном станке 3М132в

Схема розміщення електроустаткування на круглошлифовальном станке 3М132в. Дивитись у збільшеному масштабі



Схема розміщення електроустаткування на круглошлифовальном станке 3М132в

Схема розміщення електроустаткування на круглошлифовальном станке 3М132в

Схема розміщення електроустаткування на круглошлифовальном станке 3М132в. Дивитись у збільшеному масштабі



Схема розміщення електроустаткування на круглошлифовальном станке 3М132в

Схема розміщення електроустаткування на круглошлифовальном станке 3М132в

Схема розміщення електроустаткування на круглошлифовальном станке 3М132в. Дивитись у збільшеному масштабі



Схема розміщення електроустаткування на круглошлифовальном станке 3М132в

Схема розміщення електроустаткування на круглошлифовальном станке 3М132в

Схема розміщення електроустаткування на круглошлифовальном станке 3М132в. Дивитись у збільшеному масштабі



Схема розміщення електроустаткування на круглошлифовальном станке 3М132в

Схема розміщення електроустаткування на круглошлифовальном станке 3М132в

Схема розміщення електроустаткування на круглошлифовальном станке 3М132в. Дивитись у збільшеному масштабі



Схема розміщення електроустаткування на круглошлифовальном станке 3М132в

Схема розміщення електроустаткування на круглошлифовальном станке 3М132в

Схема розміщення електроустаткування на круглошлифовальном станке 3М132в. Дивитись у збільшеному масштабі



Схема розміщення електроустаткування на круглошлифовальном станке 3М132в

Схема розміщення електроустаткування на круглошлифовальном станке 3М132в

Схема розміщення електроустаткування на круглошлифовальном станке 3М132в. Дивитись у збільшеному масштабі



Схема розміщення електроустаткування на круглошлифовальном станке 3М132в

Схема розміщення електроустаткування на круглошлифовальном станке 3М132в

Схема розміщення електроустаткування на круглошлифовальном станке 3М132в. Дивитись у збільшеному масштабі



Схема розміщення електроустаткування на круглошлифовальном станке 3М132в

Схема розміщення електроустаткування на круглошлифовальном станке 3М132в

Схема розміщення електроустаткування на круглошлифовальном станке 3М132в. Дивитись у збільшеному масштабі



Схема розміщення електроустаткування на круглошлифовальном станке 3М132в

Схема розміщення електроустаткування на круглошлифовальном станке 3М132в

Схема розміщення електроустаткування на круглошлифовальном станке 3М132в. Дивитись у збільшеному масштабі



Схема розміщення електроустаткування на круглошлифовальном станке 3М132в

Схема розміщення електроустаткування на круглошлифовальном станке 3М132в

Схема розміщення електроустаткування на круглошлифовальном станке 3М132в. Дивитись у збільшеному масштабі



Схема розміщення електроустаткування на круглошлифовальном станке 3М132в

Схема розміщення електроустаткування на круглошлифовальном станке 3М132в

Схема розміщення електроустаткування на круглошлифовальном станке 3М132в. Дивитись у збільшеному масштабі



Схема розміщення електроустаткування на круглошлифовальном станке 3М132в

Схема розміщення електроустаткування на круглошлифовальном станке 3М132в

Схема розміщення електроустаткування на круглошлифовальном станке 3М132в. Дивитись у збільшеному масштабі



Схема розміщення електроустаткування на круглошлифовальном станке 3М132в

Схема розміщення електроустаткування на круглошлифовальном станке 3М132в

Схема розміщення електроустаткування на круглошлифовальном станке 3М132в. Дивитись у збільшеному масштабі



Схема розміщення електроустаткування на круглошлифовальном станке 3М132в

Схема розміщення електроустаткування на круглошлифовальном станке 3М132в

Схема розміщення електроустаткування на круглошлифовальном станке 3М132в. Дивитись у збільшеному масштабі



Схема розміщення електроустаткування на круглошлифовальном станке 3М132в

Схема розміщення електроустаткування на круглошлифовальном станке 3М132в

Схема розміщення електроустаткування на круглошлифовальном станке 3М132в. Дивитись у збільшеному масштабі



Схема розміщення електроустаткування на круглошлифовальном станке 3М132в

Схема розміщення електроустаткування на круглошлифовальном станке 3М132в

Схема розміщення електроустаткування на круглошлифовальном станке 3М132в. Дивитись у збільшеному масштабі



Схема розміщення електроустаткування на круглошлифовальном станке 3М132в

Схема розміщення електроустаткування на круглошлифовальном станке 3М132в

Схема розміщення електроустаткування на круглошлифовальном станке 3М132в. Дивитись у збільшеному масштабі



Схема розміщення електроустаткування на круглошлифовальном станке 3М132в

Схема розміщення електроустаткування на круглошлифовальном станке 3М132в

Схема розміщення електроустаткування на круглошлифовальном станке 3М132в. Дивитись у збільшеному масштабі



Схема розміщення електроустаткування на круглошлифовальном станке 3М132в

Схема розміщення електроустаткування на круглошлифовальном станке 3М132в

Схема розміщення електроустаткування на круглошлифовальном станке 3М132в. Дивитись у збільшеному масштабі



Схема розміщення електроустаткування на круглошлифовальном станке 3М132в

Схема розміщення електроустаткування на круглошлифовальном станке 3М132в

Схема розміщення електроустаткування на круглошлифовальном станке 3М132в. Дивитись у збільшеному масштабі



Схема розміщення електроустаткування на круглошлифовальном станке 3М132в

Схема розміщення електроустаткування на круглошлифовальном станке 3М132в

Схема розміщення електроустаткування на круглошлифовальном станке 3М132в. Дивитись у збільшеному масштабі



Схема розміщення електроустаткування на круглошлифовальном станке 3М132в

Схема розміщення електроустаткування на круглошлифовальном станке 3М132в

Схема розміщення електроустаткування на круглошлифовальном станке 3М132в. Дивитись у збільшеному масштабі



Схема розміщення електроустаткування на круглошлифовальном станке 3М132в

Схема розміщення електроустаткування на круглошлифовальном станке 3М132в

Схема розміщення електроустаткування на круглошлифовальном станке 3М132в. Дивитись у збільшеному масштабі



Схема розміщення електроустаткування на круглошлифовальном станке 3М132в

Схема розміщення електроустаткування на круглошлифовальном станке 3М132в

Схема розміщення електроустаткування на круглошлифовальном станке 3М132в. Дивитись у збільшеному масштабі



Схема розміщення електроустаткування на круглошлифовальном станке 3М132в

Схема розміщення електроустаткування на круглошлифовальном станке 3М132в

Схема розміщення електроустаткування на круглошлифовальном станке 3М132в. Дивитись у збільшеному масштабі



Схема розміщення електроустаткування на круглошлифовальном станке 3М132в

Схема розміщення електроустаткування на круглошлифовальном станке 3М132в

Схема розміщення електроустаткування на круглошлифовальном станке 3М132в. Дивитись у збільшеному масштабі



Схема розміщення електроустаткування на круглошлифовальном станке 3М132в

Схема розміщення електроустаткування на круглошлифовальном станке 3М132в

Схема розміщення електроустаткування на круглошлифовальном станке 3М132в. Дивитись у збільшеному масштабі



Схема розміщення електроустаткування на круглошлифовальном станке 3М132в

Схема розміщення електроустаткування на круглошлифовальном станке 3М132в

Схема розміщення електроустаткування на круглошлифовальном станке 3М132в. Дивитись у збільшеному масштабі







3М132в верстат круглошлифовальный універсальний напівавтомат. Відеоролик.




Технічні характеристики верстата 3М132в

Наименование параметра 3У131 3М131 3М132В
Основні параметри
Класс точності по ГОСТ 8-82 П/В П В
Наибольший диаметр обрабатываемого вироби, мм 280 280 280
Наибольшая длина обрабатываемого вироби, мм 710 700 1000
Наибольший диаметр шлифования без люнета, мм 280 280 280
Наибольший диаметр шлифования в люнете, мм 60 60 60
Наименьший диаметр шлифования при изношенном круге, мм - - -
Наибольшая длина шлифования, мм 710 700
Расстояние от оси шпинделя передньої бабки до зеркала стола (высота центров), мм 185 185 185
Наибольшая масса обрабатываемого вироби, кг 55 55 55
Конус шпинделя передньої бабки і пиноли задньої бабки по ГОСТ 2847-67
Кінець шлифовального шпинделя по ГОСТ 2323-67 (конусность 1:5, номинальный диаметр), мм
Станина і столы верстата
Наибольшее продольное перемещение стола, мм 710 710 995
Наименьший ход стола между упорами, мм 4 4
Ручное замедленное/ ускоренное переміщення стола за один оборот маховика, мм 3,1/ 20,5 2
Скорость переміщення стола от гідросистемы, м/мин 0,05..5 0,05..5 0,05..5
Наибольший угол поворота верхнего стола по часовий стрелке, град 3 3 8
Наибольший угол поворота верхнего стола против часовий стрелки, град 10 8 8
Цена деления шкалы поворота верхнего стола, град 0°20′ 0°20′ 0°20′
Шлифовальная бабка
Диаметр шлифовального круга - наибольший/ наименьший, мм 600/ 450 600/ 450 600/ 450
Диаметр шлифовального круга - посадочный, мм 305 305 305
Наибольшая высота устанавливаемого круга, мм 50 63 80
Частота обертання шпинделя шлифовальной бабки (круг = Ø600мм), об/мин 1111 1590
Наибольший угол поворота шлифовальной бабки, град ±30° ±30° ±30°
Механізм поперечных подач шлифовальной бабки
Наибольшее перемещение шлифовальной бабки по винту, мм 290 290 290
Величина швидкого подвода шлифовальной бабки, мм 50 50
Время швидкого подвода шлифовальной бабки, с 2 2
Толчковая подача - периодическая подача з реверсированием стола, мм 0,0025..0,025 0,0025..0,025 0,001..0,05
Величина тонкой подачі, мм 0,05 0,05
Величина тонкой толчковой подачі, мм 0,001 0,001 0,001
Величина врезной подачі на диаметр вироби, мм 0,9 0,9
Непрерывная подача для врезного шлифования (бесступенчатое регулювання), мм/мин 0,1..1 0,1..1
Цена деления лимба поперечної подачі, мм 0,005 0,005 0,005
Величина поперечного переміщення шлифовальной бабки за один оборот маховика, мм 0,5 0,5 0,5
Скорость швидкого установочного переміщення шлифовальной бабки, мм/мин 240 200
Приспособление для внутреннего шлифования
Наибольший диаметр заготовки, устанавливаемой в патроне, мм 200 200 200
Наибольшая длина шлифуемого отверстия, мм 125 125 125
Диаметр шлифуемого отверстия, мм 30..100 30..100 15..125
Диаметр внутиришлифовальной головки, мм 25..32 25..32
Число оборотів внутришлифовального шпинделя 1690 1690
Передня бабка
Частота обертання вироби (бесступенчатое регулювання), об/мин 40..400 40..400 40..800
Конус центра по ГОСТ 13211-67 Морзе 4 Морзе 4 Морзе 4
Наибольший угол поворота передньої бабки к шлифовальному кругу, град 90 90 90
Наибольший угол поворота передньої бабки от шлифовального круга, град 30 30 30
Задня бабка
Величина відведення пиноли задньої бабки от руки, мм 35 35 35
Конус центра задньої бабки по ГОСТ 13211-67 Морзе 4 Морзе 4 Морзе 4
Привід і електрообладнання верстата
Количество електродвигателей на станке 9 9 13
Електродвигун шпинделя шлифовальной бабки, кВт 5,5 7,5
Електродвигун переміщення шлифовальной бабки, кВт 0,18 0,18
Електродвигун внутришлифовального шпинделя, кВт 1,1 1,1
Електродвигун приводу вироби, кВт 0,75 0,85
Електродвигун насоса гідросистемы, кВт 1,5 1,5
Електродвигун насоса системы змазки шпинделя, кВт 0,27 0,27 0,27
Електродвигун насоса системы змазки направляючих стола, кВт 0,08 0,08
Електродвигун насоса системы охлаждения, кВт 0,15 0,15
Електродвигун магнитного сепаратора, кВт 0,12 0,12
Електродвигун вентилятора гідроагрегата, кВт 0,12 0,12
Електродвигун фильтра-транспортера, кВт 0,12 0,12
Габаритные розміри і масса верстата
Габаритные розміри верстата (длина х ширина х высота), мм 5620 х 2585 х 1982 5620 х 2585 х 2170
Масса верстата з електрообладнанням і охолодженням, кг 6200 6835

    Список литературы:

  1. Альперович Т.А., Константинов К.Н., Шапиро А.Я. Конструкція шлифовальных верстатів, 1989
  2. Альперович Т.А., Константинов К.Н., Шапиро А.Я. Наладка і експлуатация шлифовальных верстатів, 1989
  3. Дибнер Л.Г., Цофин Э.Е. Заточные автоматы і напівавтоматы, 1978
  4. Генис Б.М., Доктор Л.Ш., Терган В.С. Шлифование на круглошлифовальных верстатах, 1965
  5. Кащук В.А., Верещагин А.Б. Справочник шлифовщика, 1988
  6. Куликов С.И. Хонингование, 1973
  7. Лисовой А.И. Пристрій, наладка і експлуатация металлорежущих верстатів, 1971
  8. Лоскутов В.В. Шлифование металлов, 1985
  9. Лоскутов В.В. Шлифовальные верстати, 1988
  10. Лурье Г.Б. Шлифовальные верстати і их наладка,1972
  11. Лурье Г.Б. Пристрій шлифовальных верстатів,1983
  12. Меницкий И.Д. Універсально-заточные верстати ,1968
  13. Муцянко В.И. Братчиков А.Я. Бесцентровое шлифование, 1986
  14. Наерман М.С., Наерман Я.М. Руководство для подготовки шлифовщиков. Учебное пособие для ПТУ, 1989
  15. Наерман Е.С. Справочник молодого шлифовщика, 1991.
  16. Попов С.А. Шлифовальные роботи, 1987
  17. Терган В.С. Шлифование на круглошлифовальных верстатах, 1972
  18. Шамов Б.П. Типы і конструкції основних вузлів шлифовальных верстатів, 1965