Виробником радіально-свердлильного верстата 2Л53У був Октемберянський верстатобудівний завод - в даний час Армавірський верстатобудівний завод , місто Октемберян (Армавір).
Розробник — Одеське спеціальне конструкторське бюро алмазно-розточувальних та радіально-свердлильних верстатів, СКБАРС.
Радіально-свердлильний верстат 2Л53у замінив у виробництві застарілу модель 2л53 і був замінений на більш досконалу модель 2532л .
Верстат радіально-свердлильний 2Л53у призначений для свердління, розсвердлювання, зенкерування, розгортання, розточування отворів, нарізання різьблення мітчиками різьблення реверсом електродвигуна, підрізання торців різцем, а також виконання інших аналогічних операцій при обробці різних корпусних деталей в механічних а також у складальних цехах заводів важкого транспортного машинобудування. При оснащенні верстата пристроями та спеціальним інструментом його можна використовувати для високопродуктивної обробки великогабаритних деталей у великосерійному виробництві.
Рукав верстата 2Л53у не має переміщення по колоні, а свердлильна головка переміщається горизонтальними напрямними рукава і разом з рукавом повертається навколо колони.
Бочка з поворотним столом повертається навколо колони на 320 ° і переміщається вертикально нею. Поворотний стіл може повертатися навколо горизонтальної осі. На торці рукава змонтовано електрошафу. Органи керування зосереджені у зручному для роботи місці: на свердлильній головці та електрошафі. Електронасос охолодження встановлюється на фундаментній плиті.
Верстат 2Л53у може обробляти деталі, встановлені поза плитою.
При виготовленні фундаменту в місцях встановлення фундаментних болтів повинні бути пірамідальні колодязі розміром 130 x 130 мм у верхній частинині та 180 x 180 мм. нижній частинині, завглибшки 300 мм.
Глибина закладення фундаменту вибирається в залежності від ґрунту, але не менше 400 мм.
Точність установки верстата в поздовжньому та поперечному напрямках 0,05 мм на довжині 1000 мм.
Після вивіряння верстата фундаментні болти заливаються цементним розчином 1 : 3, і після затвердіння бетону слід затягнути фундаментні гайки болтів, перевіряючи положення верстата за рівнем.
Клас точності верстата Н згідно з ГОСТ 8-71. Шорсткість обробленої поверхні Rа 2,5 мкм.

Габарит робочого простору верстата 2л53у

Фото радіально-свердлувального верстата 2л53у

Розташування складових частинин радіально-свердлувального верстата 2л53у

Розташування органів керування радіально-свердлильним верстатом 2л53у
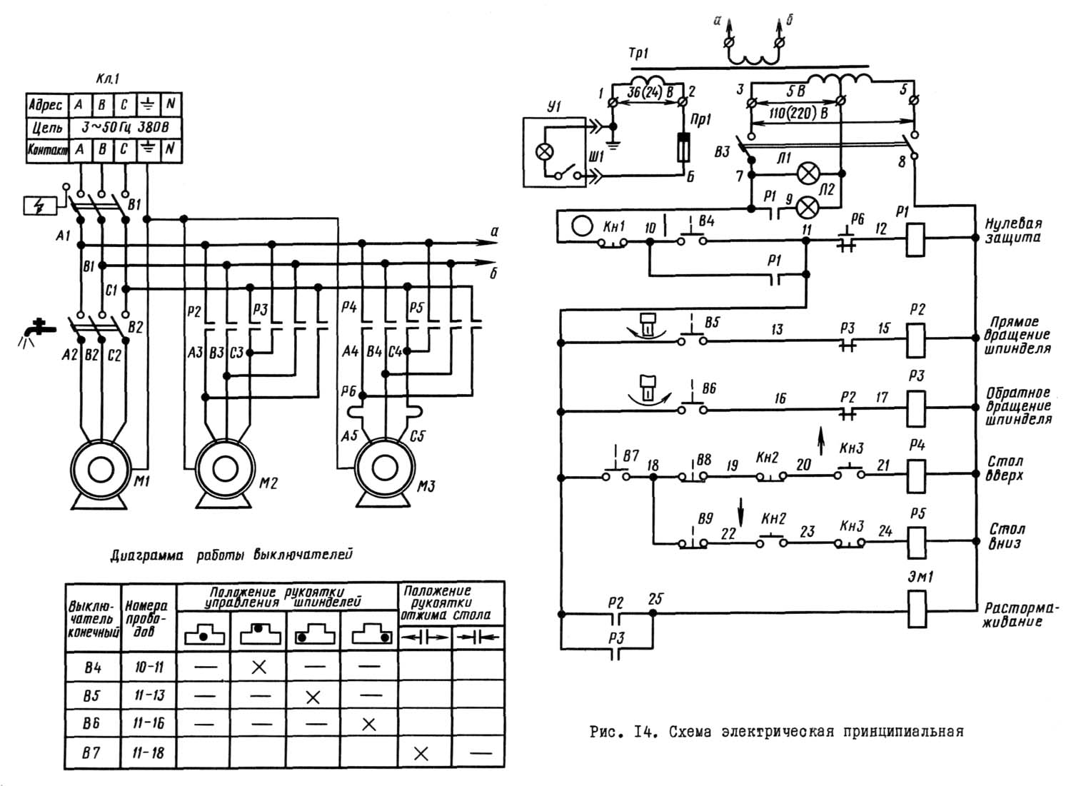
Електроустаткування верстата 2Л53У призначене для підключення до трифазної мережі змінного струму з глухозаземленим або ізольованим нейтральним дротом.
На верстаті встановлені чотири трифазні короткозамкнуті асинхронні електродвигуни:

Електрична схема радіально-свердлувального верстата 2л53у
Схема електрична радіально свердлувального верстата 2Л53У. Дивитись у збільшеному масштабі

Розташування електроустаткування на станке 2л53у
Панель керування, вводной выключатель BI і выключатель насоса охлаждения В2 смонтированы на електрошкафу.
На бочке находятся конечные выключатели ограничения переміщення бочки со столом В8, В9 і конечный выключатель В7, сблокированный з рукояткой зажиму бочки. На сверлильной головке размещен копандоаппарат, состоящий из трех микровыключателей:
Ввод живлення в верстат должен быть осуществлен проводом марки ПГВ, сечением 1,5 черного цвета для линейных проводов і зелено-желтого цвета - для заземления.
Лампочка з белым плафоном Л1 на пульті керування сигнализирует о том, что верстат под напряжением; лампочка Л2 з зеленым плафоном загорается після подъема рукоятки командоаппарата і сигнализирует о том, что верстат готов к работе.
В рабочей зоне верстата установлен светильник местного освещения Y1.
Для подготовки верстата к работе необходимо: дверку електрошафи плотно закрыть; включить вводной выключатель BI, убедиться что сигнальная белая лампочка Л1 загорелась; подъемом рукоятки командоаппарата включить верстат, при етом должна загореться зеленая лампочка Л2.
Наладочные переміщення стола осуществляются кнопками Кн2 і КнЗ, но прежде необходимо отжать бочку.
Для увімкнення прямого обертання шпинделя необходимо рукоятку командоаппарата повернуть влево, для обратного обертання - вправо. Для остановки шпинделя рукоятку командоаппарата следует вернуть в нейтральное положение.
Відключення верстата, обычное і аварийное, осуществляется красной грибовидной кнопкой Кн1 «О».
Внимание! Вводной выключатель BI под нагрузкой не выключать, ето допустимо только в аварийном случае.
| Наименование параметра | 2532л | 2л53у | 2л53 |
|---|---|---|---|
| Основні параметри верстата | |||
| Класс точності верстата | Н | Н | Н |
| Наибольший условный диаметр сверления в стали 45, мм | 32 | 35 | 35 |
| Диапазон нарезаемой різьби в стали 45, мм | М24 × 3 | ||
| Расстояние от оси шпинделя до направляющей колонны (вылет шпинделя), мм | 280..1000 | 290..1000 | 290..1000 |
| Наибольшее горизонтальное перемещение сверлильной головки по рукаву, мм | 720 | 710 | 720 |
| Наибольшее расстояние от торца шпинделя до плиты, мм | 1120 | 1120 | 1160 |
| Расстояние от торца шпинделя до стола, мм | 630 | 15..630 | 15..685 |
| Наибольшее вертикальное перемещение рукава по колонне (установочное), мм | - | - | - |
| Наибольшее вертикальное перемещение стола по колонне, мм | 340 | 340 | 345 |
| Диаметр колонны, мм | 240 | ||
| Угол поворота рукава вокруг колонны, град | 360° | 330° | |
| Размер поверхности плиты (ширина длина), мм | 800 х 1120 | 800 х 1500 | 800 х 1000 |
| Подъемный стол | |||
| Размер поверхности стола (ширина длина), мм | 450 х 1000 | 450 х 800 | 560 х 800 |
| Угол поворота стола вокруг колонны, град | 360° | 360° | |
| Угол поворота стола вокруг горизонтальной оси, град | -80°, +90° | -80°, +90° | |
| Цена деления шкалы поворота стола вокруг горизонтальной оси, град | 1° | 1° | |
| Скорость переміщення стола по колонне, мм/мин | 314 | 314 | |
| Шпиндель | |||
| Наибольшее осевое перемещение пиноли шпинделя (ход шпинделя), мм | 320 | 325 | 325 |
| Обозначение кінця шпинделя по ГОСТ 24644-81 | Морзе 4 | Морзе 4 | Морзе 4 |
| Частота прямого обертання шпинделя, об/мин (число ступеней регулювання скорости) | 45..2000 (12) | 35,5..1400 (8) | 35,5..1400 (8) |
| Пределы рабочих подач на один оборот шпинделя, мм/об (число ступеней регулювання подач) | 0,1..1,0 (6) | 0,1..1,1 (6) | 0,1..1,1 (6) |
| Перемещение шпинделя на одно деление лимба, мм | 1 | 1 | 1 |
| Перемещение шпинделя на оборот лимба, мм | 94,2 | 94,2 | 94,2 |
| Наибольший допустимый крутящий момент, Н·м (кгс) | 200 (20) | 180 (18) | 180 (18) |
| Наибольшее усилие подачі, кН | 10 | 8 | 8 |
| Зажим обертання колонны | Ручной | Ручной | Ручной |
| Зажим рукава на колонне | Ручной | Ручной | Ручной |
| Зажим сверлильной головки на рукаве | Ручной | Ручной | Ручной |
| Противовес шпинделя | Пружинный | Пружинный | |
| Електроустаткування. Привод | |||
| Количество електродвигателей на станке | 3 | 3 | 3 |
| Електродвигун приводу головного руху, кВт (об/мин) | 3,0 (1500) | 2,2 (1500) | 2,2 (1400) |
| Електродвигун приводу переміщення стола, кВт (об/мин) | 0,56 (1500) | 0,56 (1500) | 0,6 (1370) |
| Електродвигун насоса охлаждающей жидкости, кВт (об/мин) | 0,125 (2800) | 0,125 (2800) | 0,125 (2800) |
| Суммарная мощность установленных електродвигателей, кВт | 3,675 | ||
| Габарити і масса верстата | |||
| Габарити верстата (длина ширина высота), мм | 1850 х 800 х 2600 | 1850 х 800 х 2430 | 2000 х 800 х 2390 |
| Масса верстата, кг | 2150 | 2100 | 2300 |