Виробник токарно-гвинторізного верстата із збільшеним діаметром обробки (Ø 500 мм) 1А625 - Фрунзенський машинобудівний завод ім. В.І. Леніна , заснований у 1941 році. Нині Бішкецький машинобудівний завод.
Відлік своєї історії завод веде з листопада 1941 року, коли в центрі міста Фрунзе запрацював евакуйований завод із Ворошиловграда (нині Луганськ), що спеціалізується на випуску патронів.
Надалі, за роки свого існування, завод став багатофункціональним підприємством із розвиненою інфраструктурою. Маючи у своєму розпорядженні верстатобудівне, ковальсько-ливарне, електротехнічне та інші потужності завод випускав різноманітну продукцію: патрони для стрілецької зброї дрібного калібру, механічні преса, токарні верстати з ЧПУ, термопластавтомати, АРЛ, таль електричні, токарні патрони, ланцюги ж товари народного споживання.
Токарно-гвинторізний верстат 1А625 призначений для виконання широкого кола токарних робіт на чистових та напівчистових режимах. На чорнових та обдирних режимах використовувати верстат не рекомендується. Високі швидкості шпинделя роблять придатним верстат для роботи на швидкісних режимах; у своїй забезпечується раціональне використання сучасних марок твердих сплавів.
Токарний верстат 1А625 пристосований до нарізування основних чотирьох типів різьблення, а при скороченому кінематичному ланцюгу коробки подач (пряме включення ходового ггвинта) дає можливість проводити нарізування нестандартних різьблень.
Преселективне керування швидкостями шпинделя полегшує і прискорює процес зміни чисел оборотів шпинделя і зменшує непродуктивні втрати часу.
Конструкція верстата 1А625 передбачає наявність двох діапазонів швидкостей.
Установка на верстаті конусної лінійки дозволяє проводити обточування конусів.
Налаштування верстата 1А625 проводиться шляхом переміщення відповідних рукояток керування з покажчиками, що показують безпосередньо на задане налаштування, і не вимагає додаткових таблиць та підрахунків.
Усі основні органи керування розташовані на передній стороні верстата у зручних для робочого місцях.
Наявність преселективного керування дозволяє проводити налаштування верстата на необхідну швидкість у процесі різання на ходу верстата, що скорочує допоміжний час і дає можливість зберігати швидкість різання при обробці ступінчастиних валів. Керування фрикційною муфтою і перемикання ско-оостей проводиться за допомогою однієї рукоятки.
З верстатом 1А625 поставляються два люнети, необхідні обробки круглих деталей з великим відношенням довжин до діаметру.
Задня бабка при легких роботах швидко закріплюється в потрібному положенні ексцентриковим затискачем, що швидко діє.

Габарити робочого простору токарного верстата 1а625

Шпиндель токарно-гвинторізного верстата 1а625

Фото токарно-гвинторізного верстата 1а625
Фото токарно-гвинторізного верстата 1а625. Дивитись у збільшеному масштабі

Фото токарно-гвинторізного верстата 1а625

Фото передньої бабки токарно-гвинторізного верстата 1а625

Розташування органів керування токарно-гвинторізним верстатом 1а625
Розташування органів керування токарно-гвинторізним верстатом 1а625. Дивитись у збільшеному масштабі
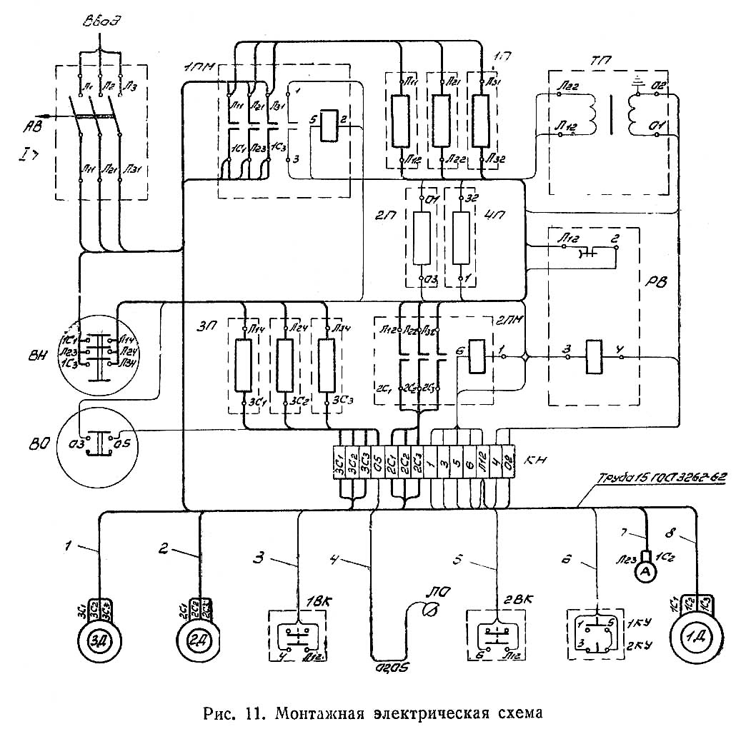
Живлення ланцюгів електроустаткування здійснюється наступними напругами:
Електроустаткування верстата призначене для підключення до трифазної мережі змінного струму з глухозаземленим або ізольованим нейтральним дротом.
На станке установлены четыре трехфазных короткозамкнутых асинхронных електродвигуна:

Електрична схема токарно-гвинторізного верстата 1а625
Електрична схема токарно-гвинторізного верстата 1А625. Дивитись у збільшеному масштабі
Привід верстата осуществляется от асинхронного короткозамкнутого електродвигуна 1Д.
Електродвигун головного приводу установлен на поворотной плите внутри левой тумбы верстата.
Ускоренные переміщення суппортной группы верстата осуществляются електродвигуном 2Д, установленным в нише правого торца станины.
Для подачі охлаждающей жидкости в рабочую зону служит електронасос приводимый в рух електродвигуном 3Д.
Электроаппаратура керування верстата смонтирована на крышке правой тумбы.
Проводка по верстату выполнена в газовых трубах і металлоруковах, а внутри верстата в полихлорвиниловых трубках.
Перед началом роботи необходимо подключить електрическую часть верстата к цеховой сети автоматом АВ.
Пуск і зупинка електродвигуна 1Д осуществляется нажатием кнопок „Пуск" і „Стоп".
При нажатии кнопки "Пуск" замыкается ланцюг катушки пускателя 1ПМ, післядний включает електродвигатель 1Д і шунтирует своим блок-контактом кнопку „Пуск".
Ограничение холостого ходу головного двигуна осуществляется посредством реле часу РВ, катушка которого включается з помощью конечного выключателя 2ВК, при выключении фрикционной муфты верстата.
Увімкнення двигуна ускоренных перемещений (2Д) производится нажатием кнопки, расположенной на рукоятке керування рухуми подачі. Кнопка воздействует на конечный выключатель 1ВК расположенный в корпусе рукоятки.
Работа електродвигуна 2Д осуществляется только при нажатом положении кнопки керування.
При отпускании кнопки ланцюг живлення катушки пускателя 2ПМ размыкается і двигатель 2Д отключается.
Подключение електронасоса к сети производится трехполюсным выключателем ВН.
Местное освещение верстата выполняется на пониженном напряжении.
Увімкнення і вимкнення лампы ЛО производится выключателем ВО установленным во вторичной ланцюги понижающего трансформатора ТП.
Електрична схема верстата передбачає наступні защиты:

Монтажная схема токарно-гвинторізного верстата 1А625
Схема Монтажная токарно-гвинторізного верстата 1А625. Дивитись у збільшеному масштабі
| Наименование параметра | 1А625 | 1К62 |
|---|---|---|
| Основні параметри верстата | ||
| Класс точності по ГОСТ 8-82 | Н | Н |
| Наибольший диаметр заготовки над станиной, мм | 500 | 400 |
| Наибольший диаметр заготовки над суппортом, мм | 290 | 220 |
| Наибольшая длина заготовки (РМЦ), мм | 1000, 1500, 2000 | 710, 1000, 1400 |
| Наибольшая масса заготовки в патроне, кг | 500 | |
| Наибольшая масса заготовки в центрах, кг | 1500 | |
| Коробка швидкостей. Шпиндель | ||
| Диаметр сквозного отверстия в шпинделе, мм | 56 | 47 |
| Наибольший диаметр прутка, мм | 54 | 45 |
| Число ступеней частот прямого обертання шпинделя | 15 | 24 |
| Частота прямого обертання шпинделя, об/мин | 11,5..2000 | 12,5..2000 |
| Число ступеней частот обратного обертання шпинделя | 15 | 12 |
| Частота обратного обертання шпинделя, об/мин | 14..2400 | 19..2420 |
| Размер внутреннего конуса в шпинделе, М | Морзе 6 | |
| Кінець шпинделя по ГОСТ 12593-72 | 6К | |
| Суппорт | ||
| Наибольший поперечний ход суппорта, мм | 325 | 250 |
| Наибольший продольный ход суппорта, мм | 1000, 1500, 2000 | |
| Наибольший ход верхнего суппорта (резцовых салазок), мм | 150 | 140 |
| Коробка подач | ||
| Наибольшая длина ходу каретки, мм | 640, 930, 1330 | |
| Число ступеней продольных подач | 48 | 49 |
| Пределы рабочих подач продольных, мм/об | 0,07..4,0 | 0,07..4,16 |
| Число ступеней поперечных подач | 48 | 49 |
| Пределы рабочих подач поперечных, мм/об | 0,035..2,0 | 0,035..2,08 |
| Скорость быстрых перемещений суппорта, продольных, м/мин | 4 | 3,4 |
| Скорость быстрых перемещений суппорта, поперечных, м/мин | 2 | 1,7 |
| Количество нарезаемых різьб метрических | 44 | |
| Пределы шагов нарезаемых різьб метрических, мм | 0,25..15 | 1..192 |
| Количество нарезаемых різьб дюймовых | 38 | |
| Пределы шагов нарезаемых різьб дюймовых | 120..2 | 24..2 |
| Количество нарезаемых різьб модульных | 20 | |
| Пределы шагов нарезаемых різьб модульных | 0,125..7,5 | 0,5..48 |
| Количество нарезаемых різьб питчевых | 37 | |
| Пределы шагов нарезаемых різьб питчевых | 4..240 | 1..96 |
| Електроустаткування | ||
| Количество електродвигателей на станке | 3 | 4 |
| Електродвигун головного привода, кВт | 10 | 10 |
| Електродвигун быстрых перемещений, кВт | 0,6 | 0,8 |
| Електродвигун гідростанції, кВт | нет | 1,1 |
| Електродвигун насоса охлаждения, кВт | 0,125 | 0,125 |
| Насос охлаждения (помпа) | ПА-22 | ПА-22 |
| Габарити і масса верстата | ||
| Габарити верстата (длина ширина высота) (РМЦ = 1000), мм | 2820 1202 1280 | 2812 1166 1324 |
| Масса верстата (РМЦ = 1000), кг | 2820 | 2140 |